Wednesday, May 31st, 2023 AT 2:29 PM
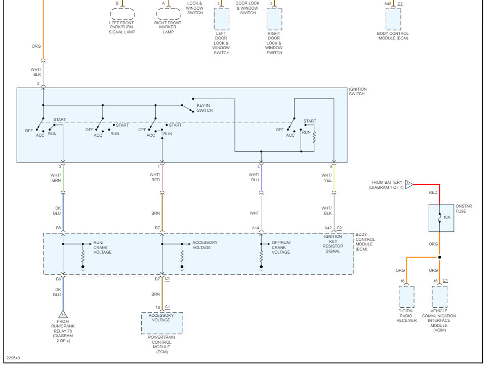
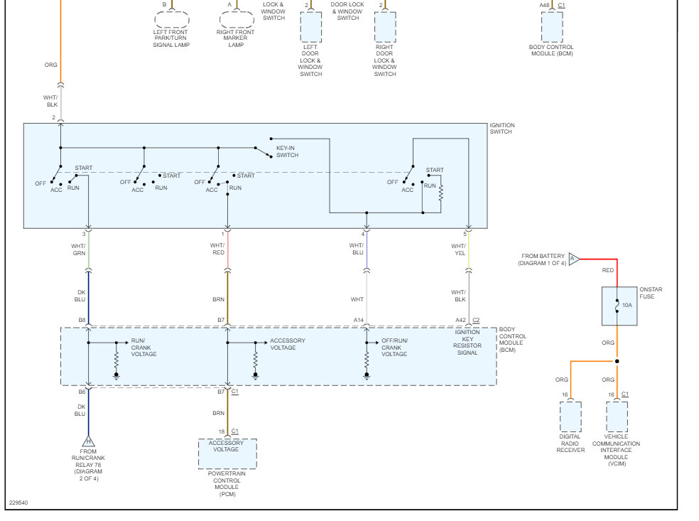
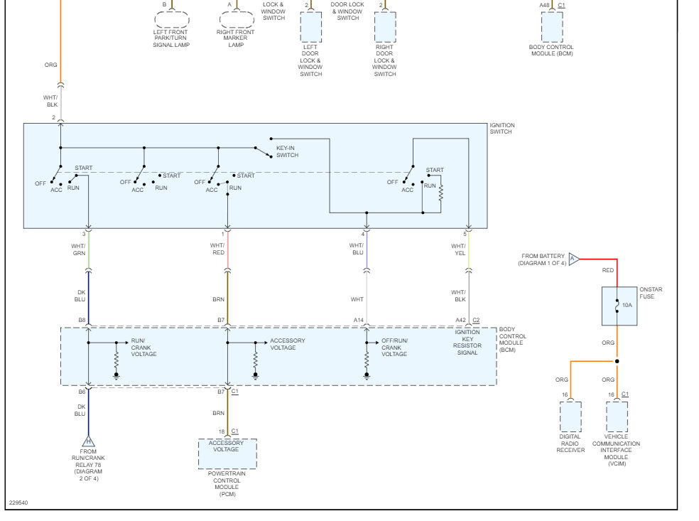
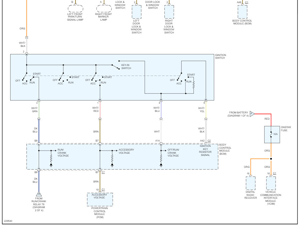
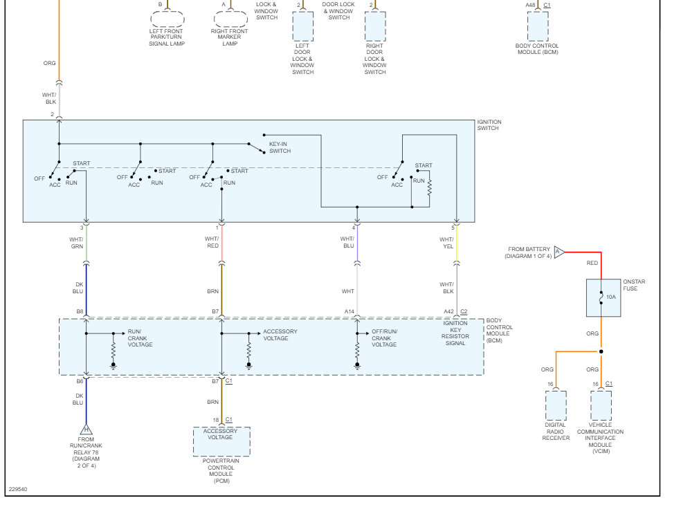
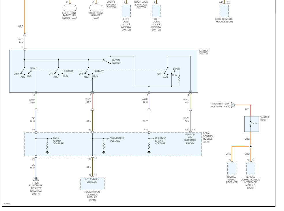
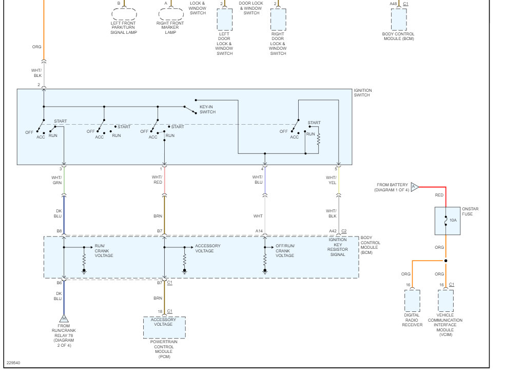
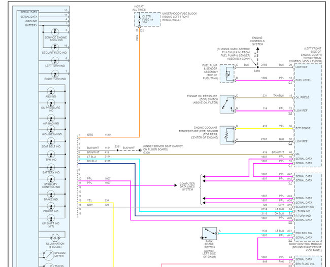
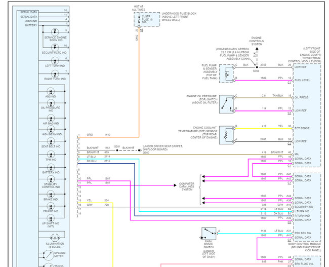
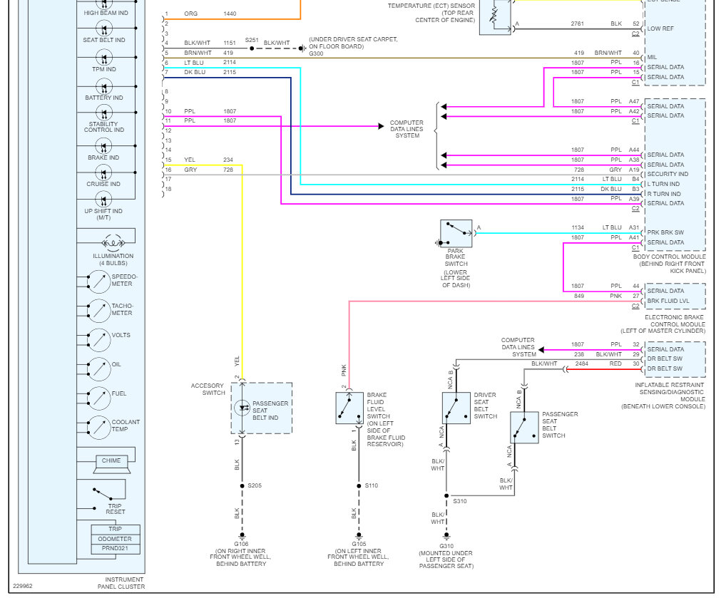
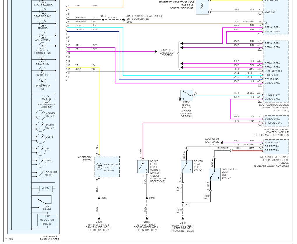
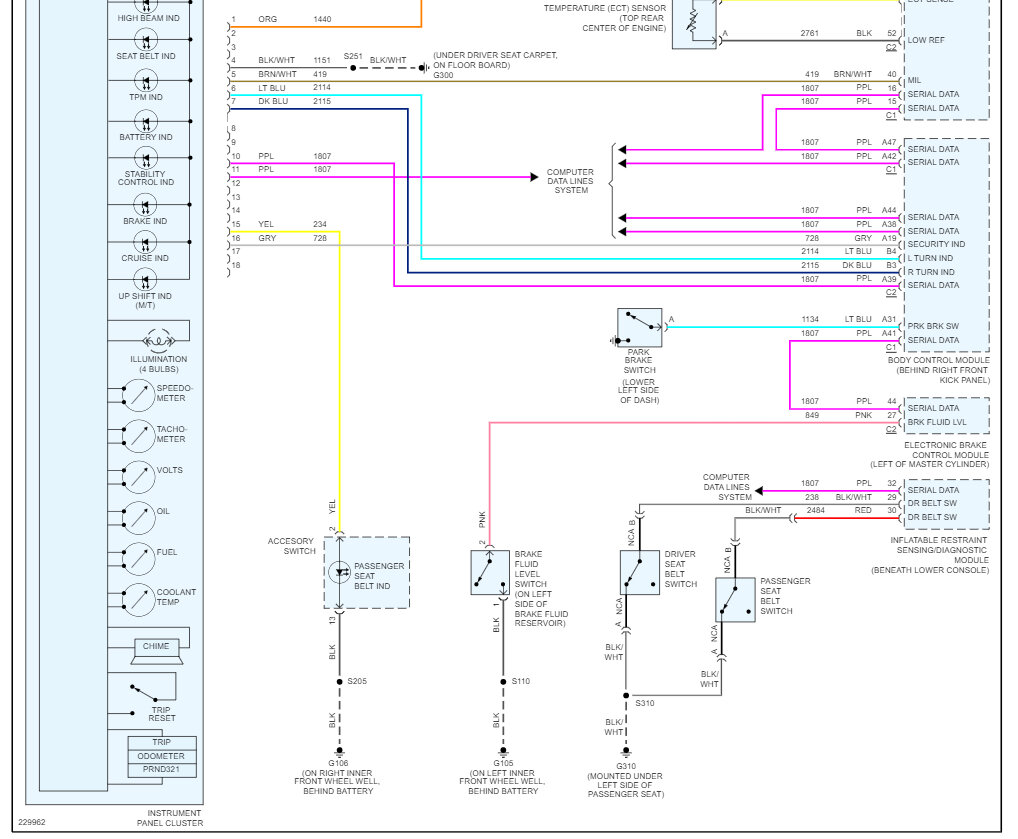
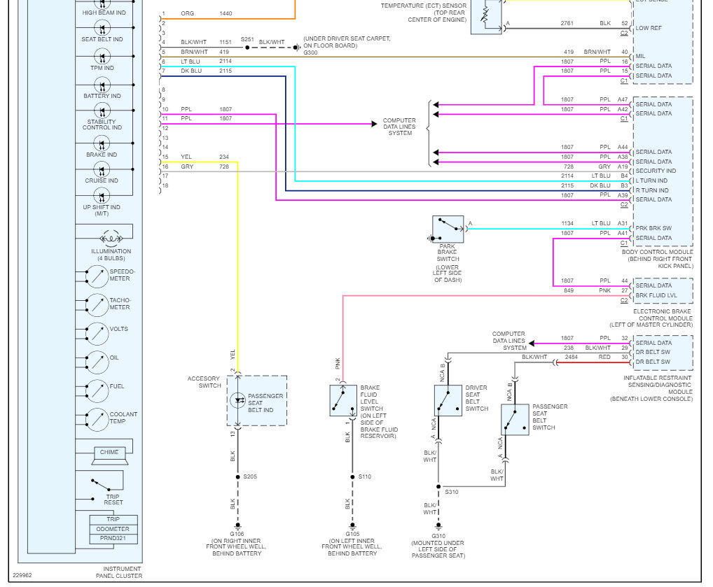
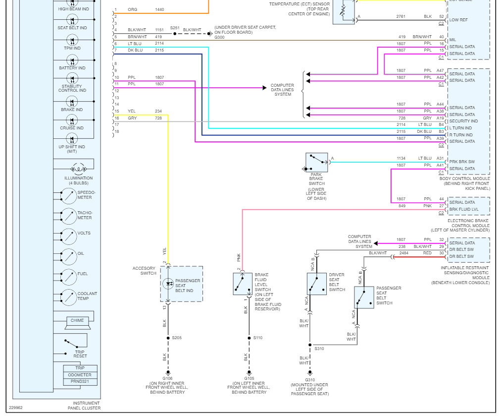
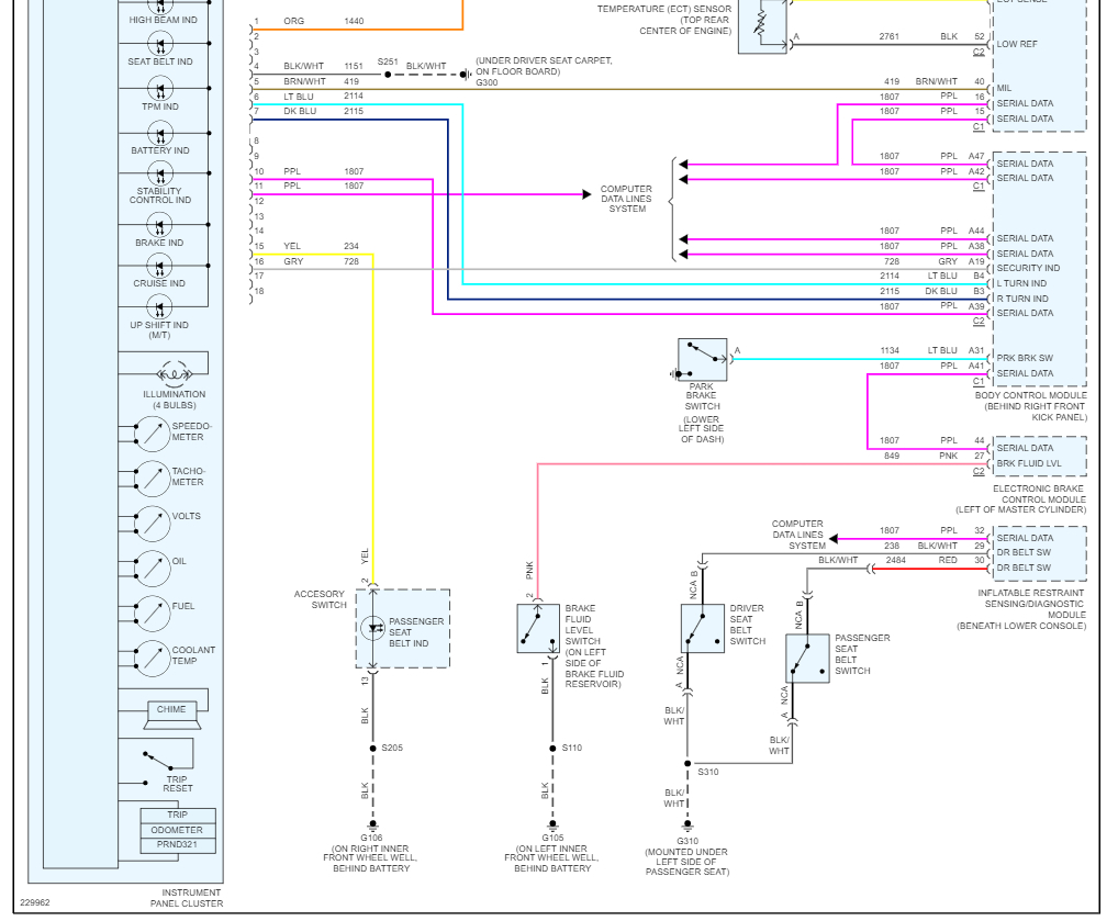
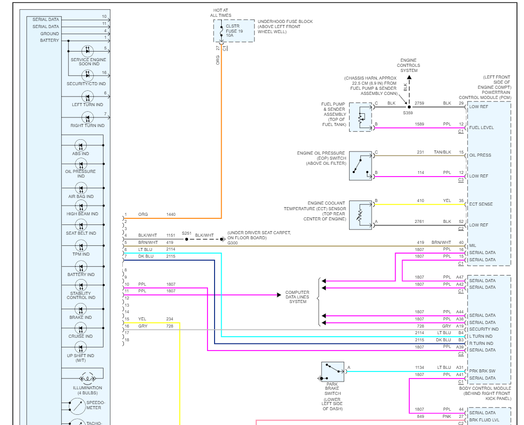
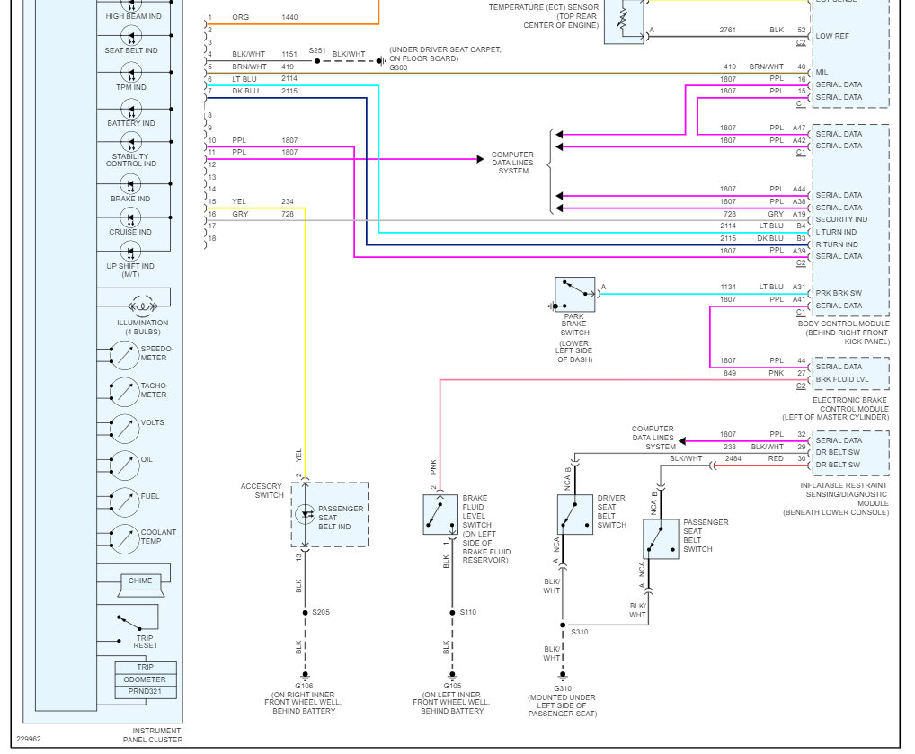
The vehicle does not have any gauges coming up with key on and when turned to start position it does nothing and makes no sound, I can however operate electric windows and door locks. I had just replaced terminals at battery and replaced a blend door actuator and was trying to test it when it would not start or even crank. I had left my battery charger on it over night to have the best power. I have plenty of power at battery, the headlights come on bright, all turn signals work, brake light works, power windows work, power door locks work, radio comes on and I can pull CD's in and out of 6 CD changer but have no sound from speakers, HVAC module lights up and I can operate blend door actuators but fan is not coming on now( I had already checked resistor and it looked like new), lights come on at instrument panel but no gauges come up with key in on position, the lights on instrument panel that go out after 5 seconds are the Pass Lock light (so it has not been activated)the cruise control light goes out as it should, but on left side of panel the battery light stays on as long as key is in on position, the ABS also stays on, the traction control light stays on. The DIC is has a message of traction control failure and ABS fault and low fuel message, but it has over half tank of gas, I assume the gauge not coming up is why it has low fuel message. When I turn the key to start the panel goes black until I release key then goes back to same as before. I have tried a reset that I got off YouTube where you pull fuse 15 for 5 minutes, fuse 15 is wiper motor but 14 is BCM so I pulled it also and all lights on dash and interior and headlights shut down at that point, I left the key in on position just to see what it did when fuse is pulled and basically everything that did have power was taken away and when I replaced fuse with key still in on position the HVAC went into the reprograming stage by itself that I could not make it do before, the lights flashing on all three knobs and could hear actuators moving and some buzzing sounds then the first and third knobs stopped flashing and went solid light and middle had no light which is what it is supposed to do. Still it will not crank and have no fan and gauges still do not come up.





