No electrical power

Tiny
TYLER CORRIHER
  • MEMBER
  • 1992 JEEP CHEROKEE
  • 4.0L
  • 6 CYL
  • 4WD
  • AUTOMATIC
  • 99,000 MILES
When I turn the key I do not get any power to anything, no radio, no dash, no ignition, nothing?
Saturday, July 21st, 2018 AT 2:12 PM

21 Replies

Tiny
ASEMASTER6371
  • MECHANIC
  • 52,796 POSTS
Good evening.

The first thing you need to do is check the battery. You may have low voltage.

If you have a volt meter, check the actual voltage.

Roy

https://www.2carpros.com/articles/everything-goes-dead-when-engine-is-cranked

https://www.2carpros.com/articles/car-battery-load-test

https://www.2carpros.com/articles/how-to-charge-your-car-battery
Was this
answer
helpful?
Yes
No
+1
Saturday, July 21st, 2018 AT 3:09 PM
Tiny
TYLER CORRIHER
  • MEMBER
  • 11 POSTS
Battery is good 14 volts.
Was this
answer
helpful?
Yes
No
+2
Saturday, July 21st, 2018 AT 3:18 PM
Tiny
ASEMASTER6371
  • MECHANIC
  • 52,796 POSTS
Then check for the same power to the fuse block under the hood. Make sure there is power to the fuses.

Make sure the battery cables are clean and tight.

Roy
Was this
answer
helpful?
Yes
No
+2
Saturday, July 21st, 2018 AT 3:20 PM
Tiny
TYLER CORRIHER
  • MEMBER
  • 11 POSTS
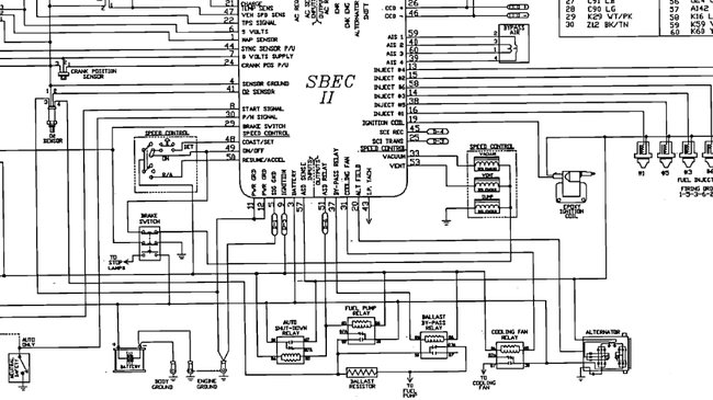
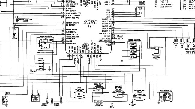
All the power is good, but is my ASD relay supposed to have two different volts to it?
Was this
answer
helpful?
Yes
No
+1
Saturday, July 21st, 2018 AT 3:22 PM
Tiny
ASEMASTER6371
  • MECHANIC
  • 52,796 POSTS
That is for the engine controls, yes. But that does not explain why you do not have dash or anything else. You stated it is completely out. The ASD relay does not control everything.

Roy
Was this
answer
helpful?
Yes
No
+2
Saturday, July 21st, 2018 AT 3:26 PM
Tiny
TYLER CORRIHER
  • MEMBER
  • 11 POSTS
Oh okay, well either way I do not have that, but I do have head lights and turn and brake.
Was this
answer
helpful?
Yes
No
+1
Saturday, July 21st, 2018 AT 3:27 PM
Tiny
ASEMASTER6371
  • MECHANIC
  • 52,796 POSTS
Okay, that is all new information you did not give us.

When you turn on the ignition, does the check engine light come on?

Yes, you have battery power and ignition power to the relay. The ECM grounds the relay to send power off to the ignition system.

Roy
Was this
answer
helpful?
Yes
No
-1
Saturday, July 21st, 2018 AT 3:35 PM
Tiny
TYLER CORRIHER
  • MEMBER
  • 11 POSTS
No, the check engine does not come on nothing does not, but I can turn my head lights on I do not have turn sorry.
Was this
answer
helpful?
Yes
No
-1
Saturday, July 21st, 2018 AT 3:37 PM
Tiny
ASEMASTER6371
  • MECHANIC
  • 52,796 POSTS
At this point, I would suspect an ignition switch. You need to check for power to the switch and see if there is any coming out of it.

Roy
Was this
answer
helpful?
Yes
No
+1
Saturday, July 21st, 2018 AT 3:41 PM
Tiny
TYLER CORRIHER
  • MEMBER
  • 11 POSTS
Is that the black box under the dash?
Was this
answer
helpful?
Yes
No
Saturday, July 21st, 2018 AT 3:42 PM
Tiny
ASEMASTER6371
  • MECHANIC
  • 52,796 POSTS
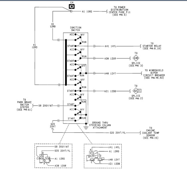
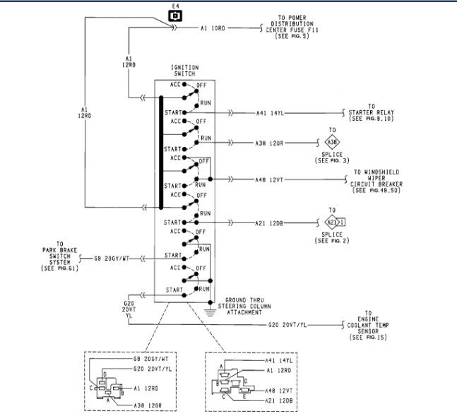
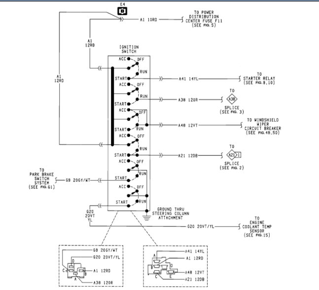
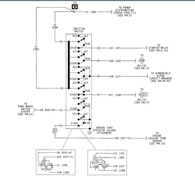
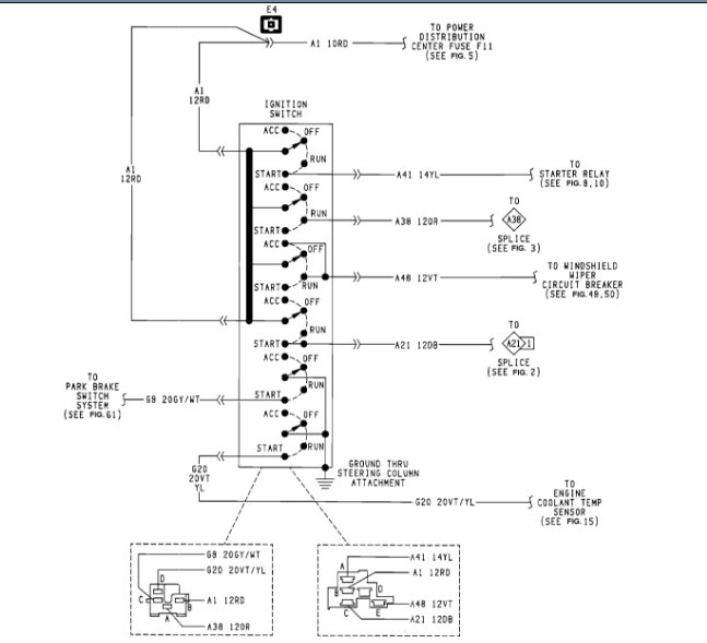
It is at the bottom of the column. Picture and pin out attached.

Roy
Was this
answer
helpful?
Yes
No
+2
Saturday, July 21st, 2018 AT 3:48 PM
Tiny
TYLER CORRIHER
  • MEMBER
  • 11 POSTS
Would this be it?
Was this
answer
helpful?
Yes
No
Saturday, July 21st, 2018 AT 3:53 PM
Tiny
ASEMASTER6371
  • MECHANIC
  • 52,796 POSTS
That piece is the high beam switch. That is bolted to the ignition switch. If you remove the high beam switch you will see the ignition switch.

Roy
Was this
answer
helpful?
Yes
No
+1
Saturday, July 21st, 2018 AT 4:02 PM
Tiny
TYLER CORRIHER
  • MEMBER
  • 11 POSTS
So I have one current to the plug the parking switch but nothing else.
Was this
answer
helpful?
Yes
No
Saturday, July 21st, 2018 AT 4:12 PM
Tiny
ASEMASTER6371
  • MECHANIC
  • 52,796 POSTS
Plug? What plug? Parking switch?

I thought we were talking about the ignition switch?
Was this
answer
helpful?
Yes
No
Saturday, July 21st, 2018 AT 5:02 PM
Tiny
TYLER CORRIHER
  • MEMBER
  • 11 POSTS
We are, the plug on the ignition switch according to the diagram is the parking switch that the only power is that.
Was this
answer
helpful?
Yes
No
Saturday, July 21st, 2018 AT 5:05 PM
Tiny
ASEMASTER6371
  • MECHANIC
  • 52,796 POSTS
That picture shows the high beam switch and the ignition switch.
Was this
answer
helpful?
Yes
No
Saturday, July 21st, 2018 AT 5:08 PM
Tiny
TYLER CORRIHER
  • MEMBER
  • 11 POSTS
Oh okay, so how do I measure for voltage on the ignition switch?
Was this
answer
helpful?
Yes
No
Saturday, July 21st, 2018 AT 5:08 PM
Tiny
ASEMASTER6371
  • MECHANIC
  • 52,796 POSTS
You use a voltmeter. I sent you the diagram for the pins and color of the wires. Verify powers to the switch and then check for voltage coming out of the switch with the key on.
Was this
answer
helpful?
Yes
No
Saturday, July 21st, 2018 AT 5:15 PM
Tiny
TYLER CORRIHER
  • MEMBER
  • 11 POSTS
There was no power coming out. Thank you for your time.
Was this
answer
helpful?
Yes
No
Saturday, July 21st, 2018 AT 5:43 PM

Please login or register to post a reply.