Possible electrical short

Tiny
KARL HEGGESTAD
  • MEMBER
  • 2008 HONDA ODYSSEY
  • 3.5L
  • V6
  • 2WD
  • AUTOMATIC
  • 190,000 MILES
I changed the starter a couple days ago, now the turn signals and the power sliding doors intermittently don’t work.
Tuesday, January 26th, 2021 AT 2:31 PM

1 Reply

Tiny
KASEKENNY
  • MECHANIC
  • 18,907 POSTS
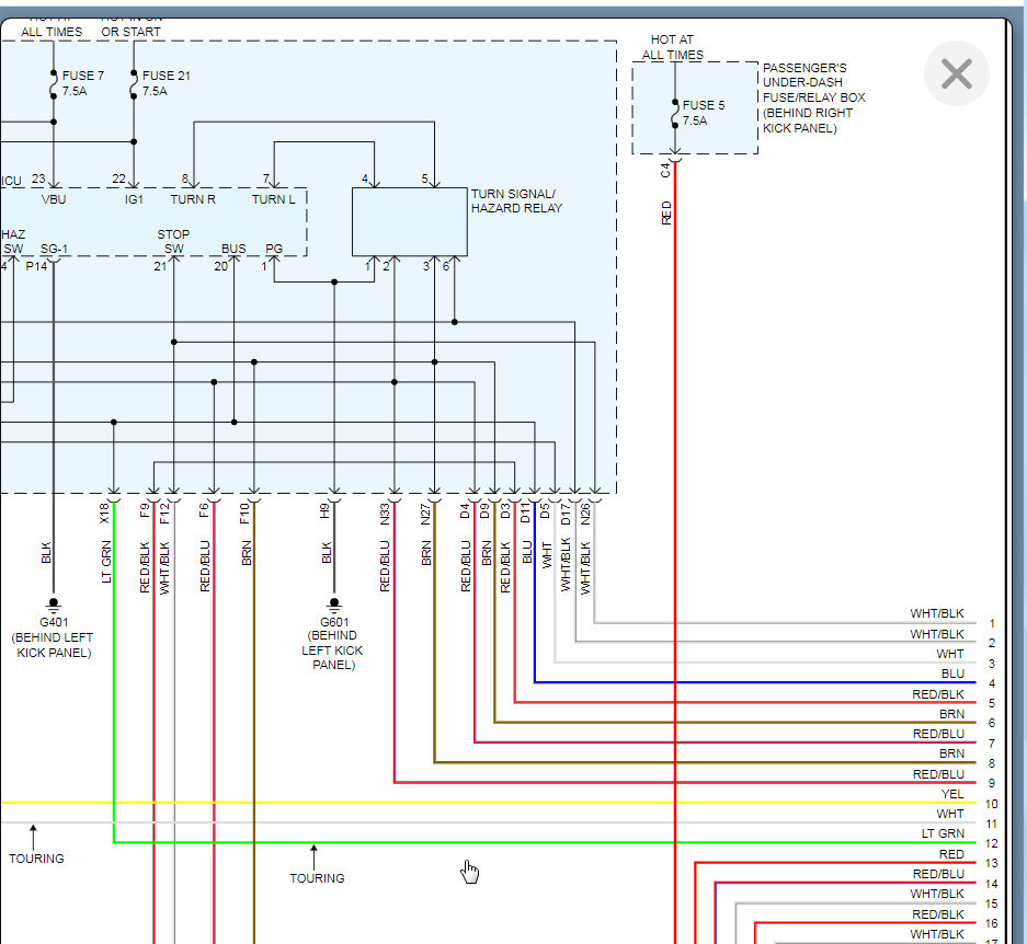
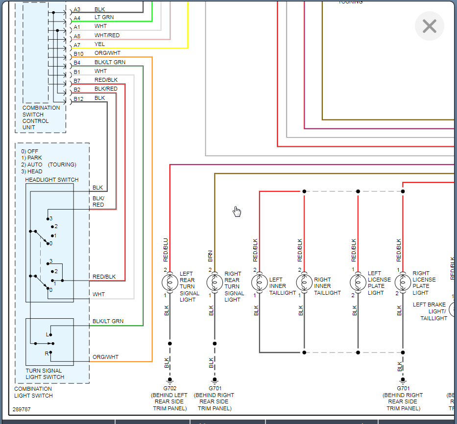
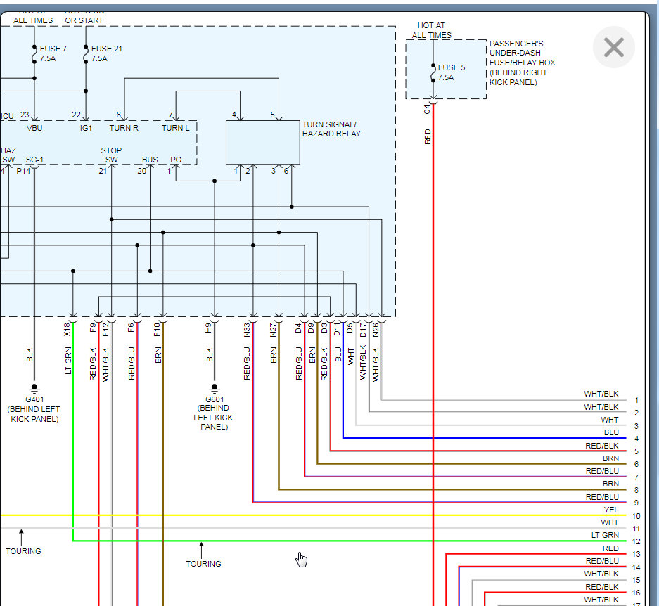
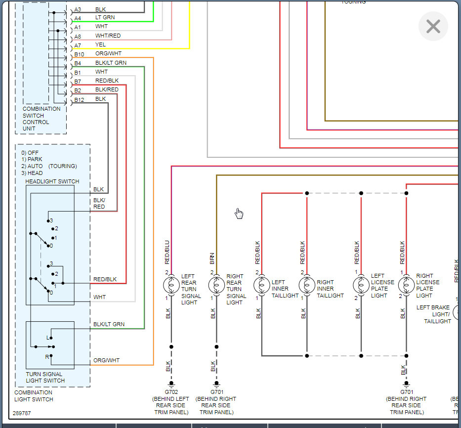
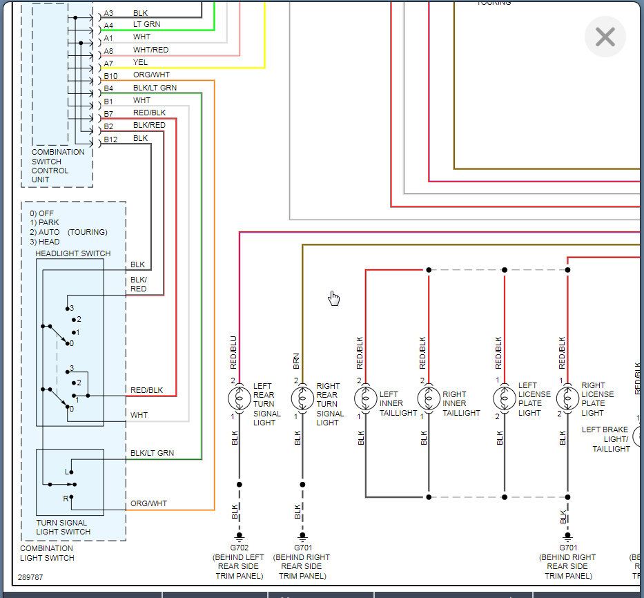
I am attaching the wiring diagrams for the turn signals. I doubt these issues are related because there is not much in common other then some possible wiring harnesses. So we need to focus on one of the issues and fix that and if it fixes both issues then that is great. If not, then we can get a new post started on the other issue.

Here is a guide that will help with this type of testing:

https://www.2carpros.com/articles/how-to-check-wiring

What we need to do is when these turn signals are not working is going to the combination switch and checking for power coming of for the turn signals. If there is no power then check the power coming into the switch. If you have it coming in but not out then the switch is the issue.

Let's start with this and go from there. I understand this is intermittent but we are going to have to try and catch this when it is not working in order to figure it out.
Was this
answer
helpful?
Yes
No
Tuesday, January 26th, 2021 AT 4:41 PM

Please login or register to post a reply.