Turn signals and hazards not working

Tiny
BLEUJAEGEL
  • MEMBER
  • 2000 HONDA ODYSSEY
  • 6 CYL
  • FWD
  • AUTOMATIC
  • 126,650 MILES
All of our turn signal and hazard lights suddenly stopped working.
Saturday, May 24th, 2008 AT 10:59 AM

2 Replies

Tiny
RASMATAZ
  • MECHANIC
  • 75,992 POSTS
This sounds like a fuse or the turn signal flasher here is a guide to help you test the fuses and the location of the flasher unit which is under the dash on the drivers side.

https://www.2carpros.com/articles/how-to-check-a-car-fuse

and

https://www.2carpros.com/articles/how-to-use-a-test-light-circuit-tester

See where you are losing power.

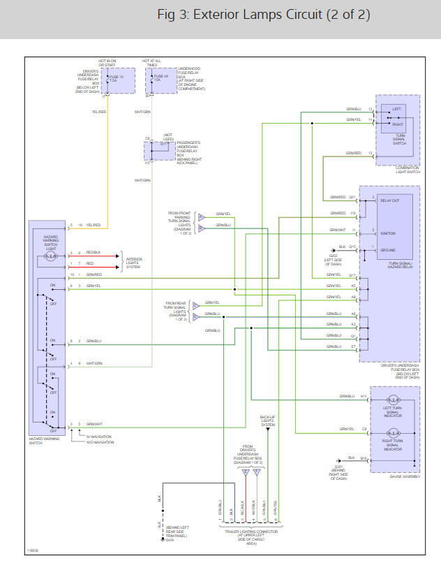
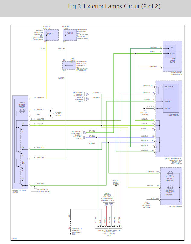
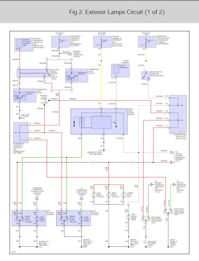
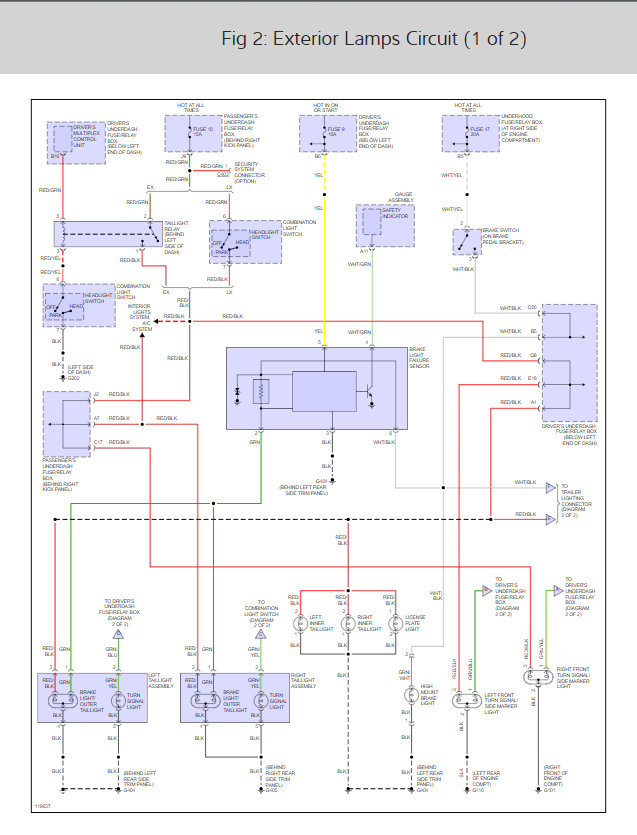
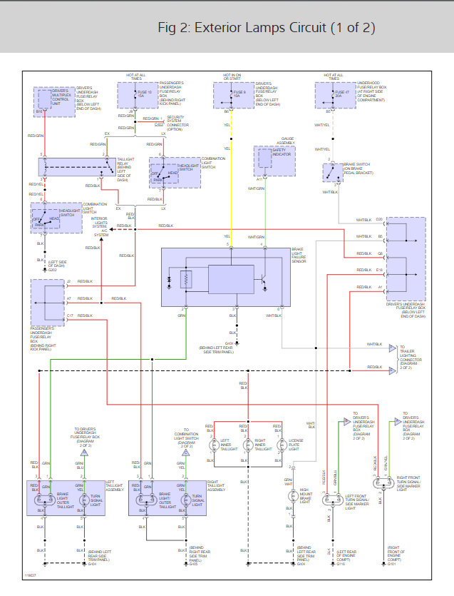
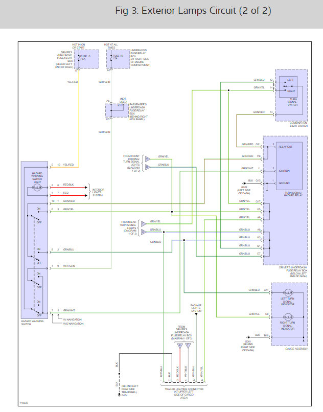
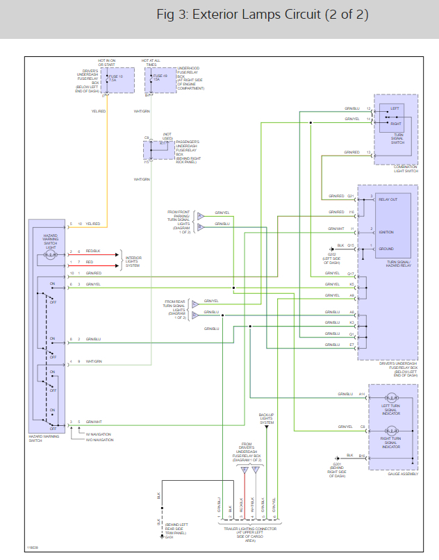
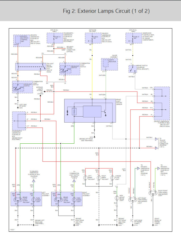
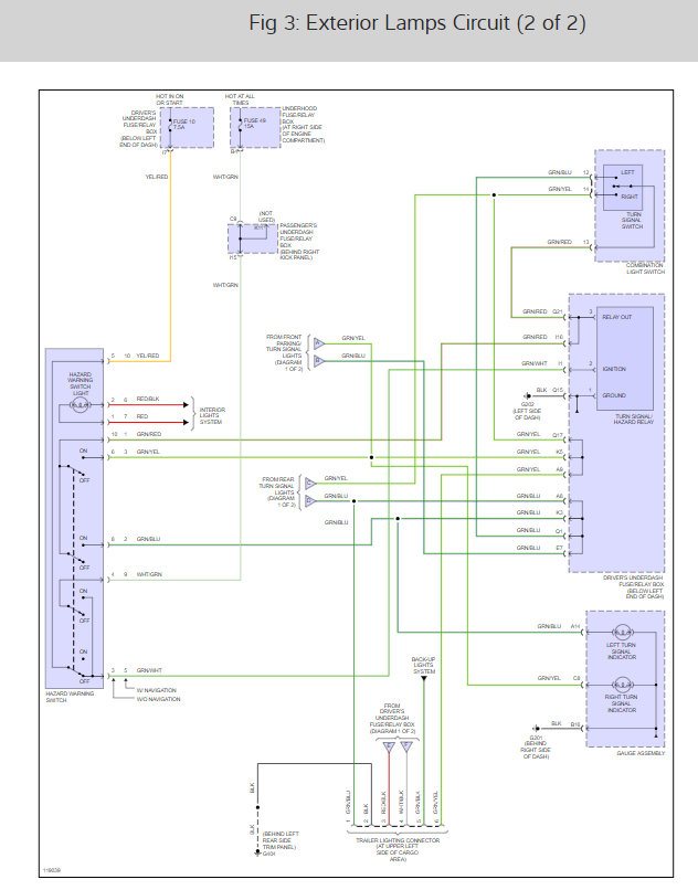
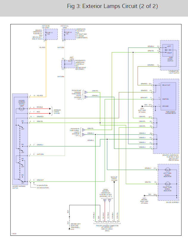
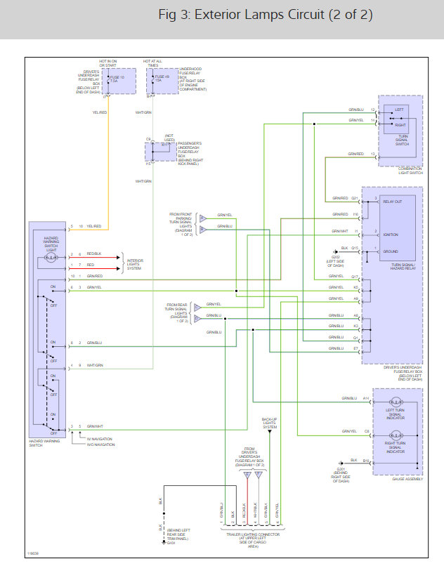
Check out the diagrams (Below). Please let us know what you find.

Cheers
Was this
answer
helpful?
Yes
No
Saturday, May 24th, 2008 AT 11:10 AM
Tiny
BLEUJAEGEL
  • MEMBER
  • 2 POSTS
Thanks you it was the flasher I got a new one for $43.00 works perfect thanks a bunch I love this site.
Was this
answer
helpful?
Yes
No
+1
Saturday, May 24th, 2008 AT 12:11 PM

Please login or register to post a reply.