Pop-up headlight doors will not go up and headlight bulbs not on

Tiny
JALFANO24
  • MEMBER
  • 55 POSTS
Second fuse box under-hood.
Was this
answer
helpful?
Yes
No
Friday, July 1st, 2022 AT 4:57 AM
Tiny
JALFANO24
  • MEMBER
  • 55 POSTS
I should mention that the engine was started and running during testing. Not sure if you were assuming that or not. :)
Was this
answer
helpful?
Yes
No
Friday, July 1st, 2022 AT 5:08 AM
Tiny
KEN L
  • MASTER CERTIFIED MECHANIC
  • 55,509 POSTS
I think the clicking you are hearing is the built-in circuit breaker inside the switch, can you unplug the headlights and then turn the switch on to see if it still makes the noise? We are trying to see if it is a short in the wiring or the headlight motors. Please let us know.
Was this
answer
helpful?
Yes
No
Monday, July 4th, 2022 AT 12:00 PM
Tiny
JALFANO24
  • MEMBER
  • 55 POSTS
You want me to disconnect the plugs at the headlight control module or somewhere else?
Was this
answer
helpful?
Yes
No
Tuesday, July 5th, 2022 AT 2:20 PM
Tiny
KEN L
  • MASTER CERTIFIED MECHANIC
  • 55,509 POSTS
Can you get to the plugs at each headlight motor? Please disconnect those and see if the switch still makes that noise.
Was this
answer
helpful?
Yes
No
Wednesday, July 6th, 2022 AT 12:30 PM
Tiny
JALFANO24
  • MEMBER
  • 55 POSTS
Oh, that is different and a challenge. I believe I need to disconnect the bezels and other parts to get to the motor. Correct?
Was this
answer
helpful?
Yes
No
Wednesday, July 6th, 2022 AT 1:05 PM
Tiny
KEN L
  • MASTER CERTIFIED MECHANIC
  • 55,509 POSTS
You might enable to get to the motor wiring connectors from underneath the car.
Was this
answer
helpful?
Yes
No
Wednesday, July 6th, 2022 AT 5:15 PM
Tiny
JALFANO24
  • MEMBER
  • 55 POSTS
Okay, so this is a challenge to get to the headlight motors.

Can you give me a wiring diagram of each motor? Or better yet, can you tell me where the fusible link is located, is there more than one, wondering if it is possible that the fusible link went bad?

Also, please advise how to check to make sure the grounds are ok. I think we need to make sure that everything is grounded. Thoughts?
Was this
answer
helpful?
Yes
No
Wednesday, July 27th, 2022 AT 7:20 AM
Tiny
KEN L
  • MASTER CERTIFIED MECHANIC
  • 55,509 POSTS
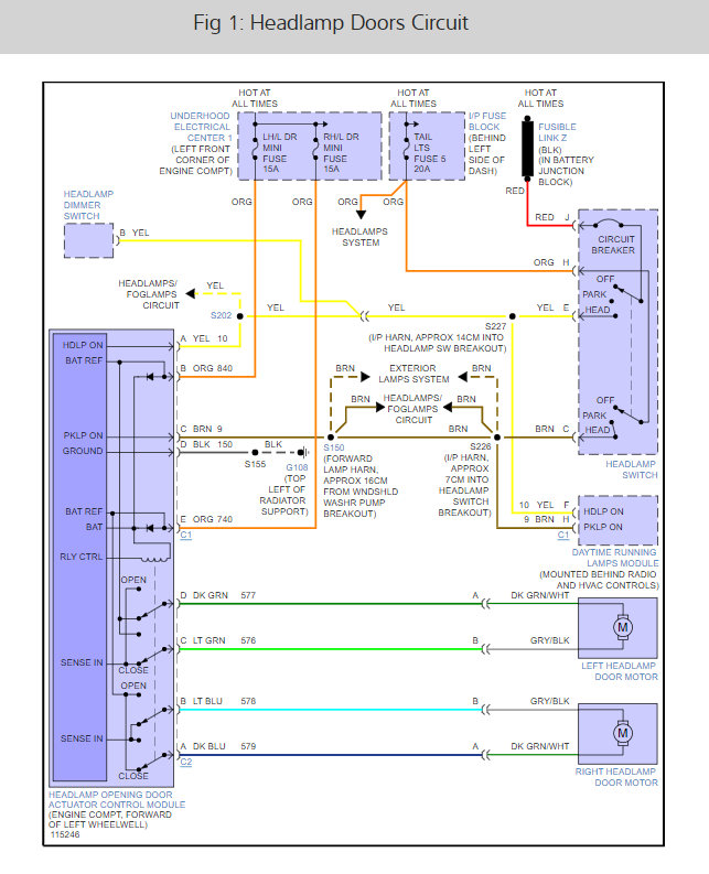
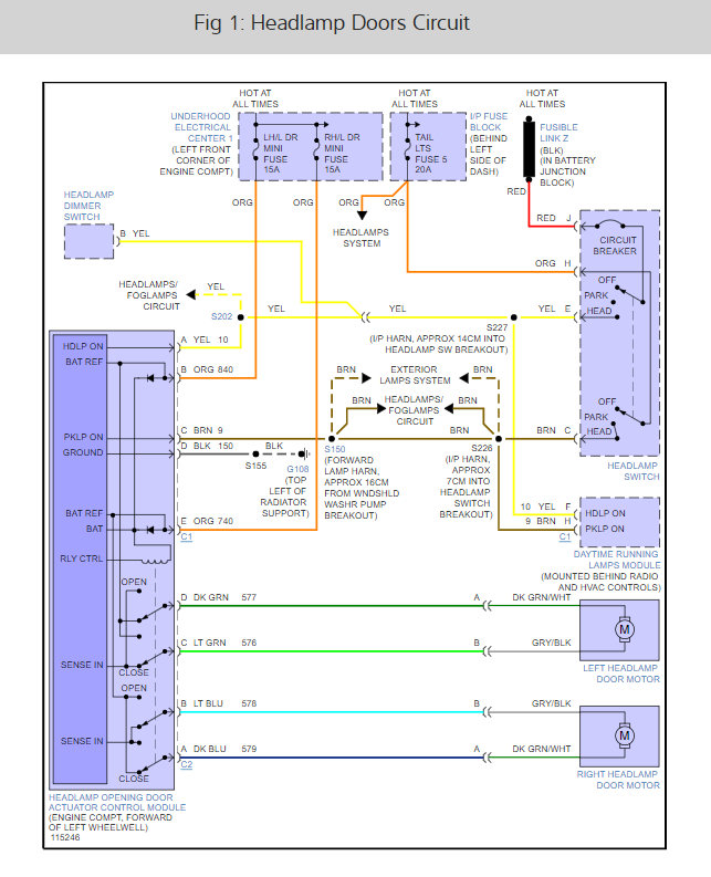
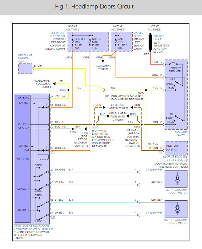
It is the fusible link Z in the power distribution center. Here is a wiring diagram so you can see how the system works and this guide can help you test for power and ground:

https://www.2carpros.com/articles/how-to-use-a-test-light-circuit-tester

Check out the diagrams (below). Please let us know what happens.

Was this
answer
helpful?
Yes
No
Wednesday, July 27th, 2022 AT 12:55 PM
Tiny
JALFANO24
  • MEMBER
  • 55 POSTS
Okay, so, if the headlight lamps will not turn on, is it possible that is why the doors do not swing open? Because the entire time the headlamps have not gone one while unplugging the two connectors on the headlight control module, with the headlight switch on, triggers the headlamp doors to go up. Thoughts?
Was this
answer
helpful?
Yes
No
Monday, September 19th, 2022 AT 5:58 AM
Tiny
KEN L
  • MASTER CERTIFIED MECHANIC
  • 55,509 POSTS
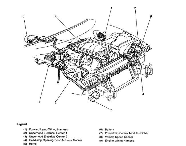
Yep, this sounds like the headlamp activation control module is not working. Here is the location so you can check it out. Check out the images (below). Please let us know what happens.
Was this
answer
helpful?
Yes
No
Monday, September 19th, 2022 AT 5:35 PM

Please login or register to post a reply.