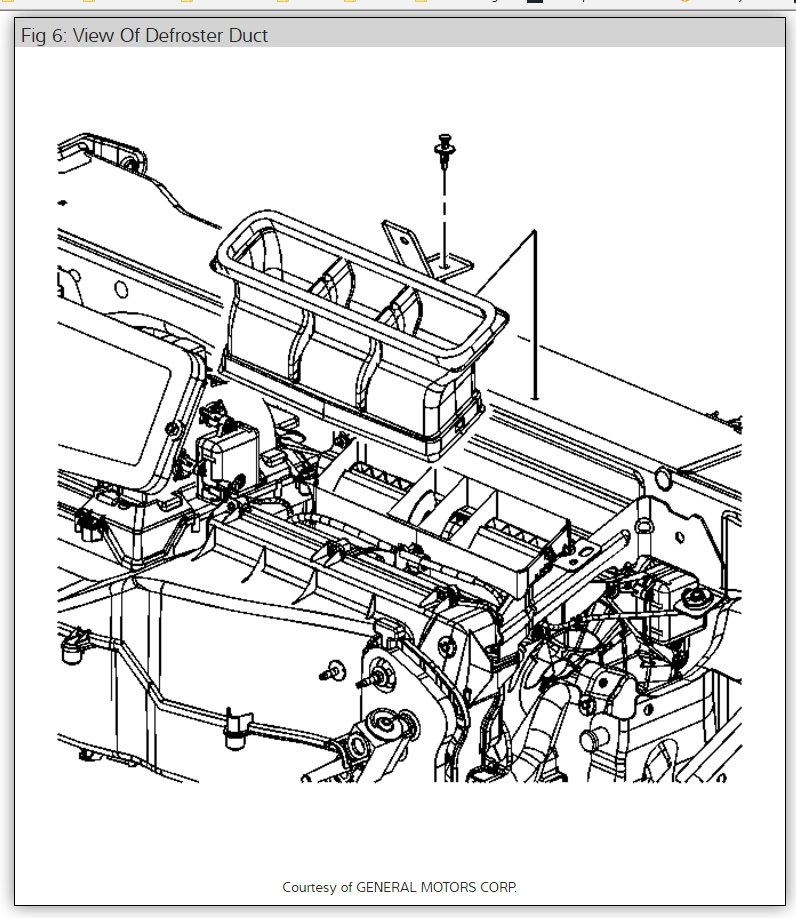
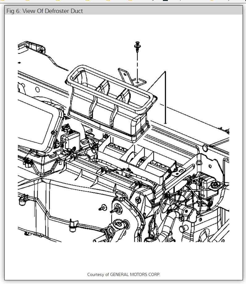
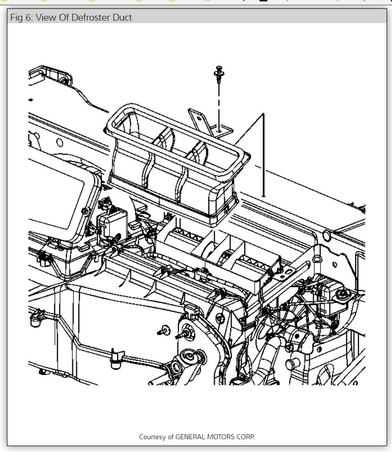
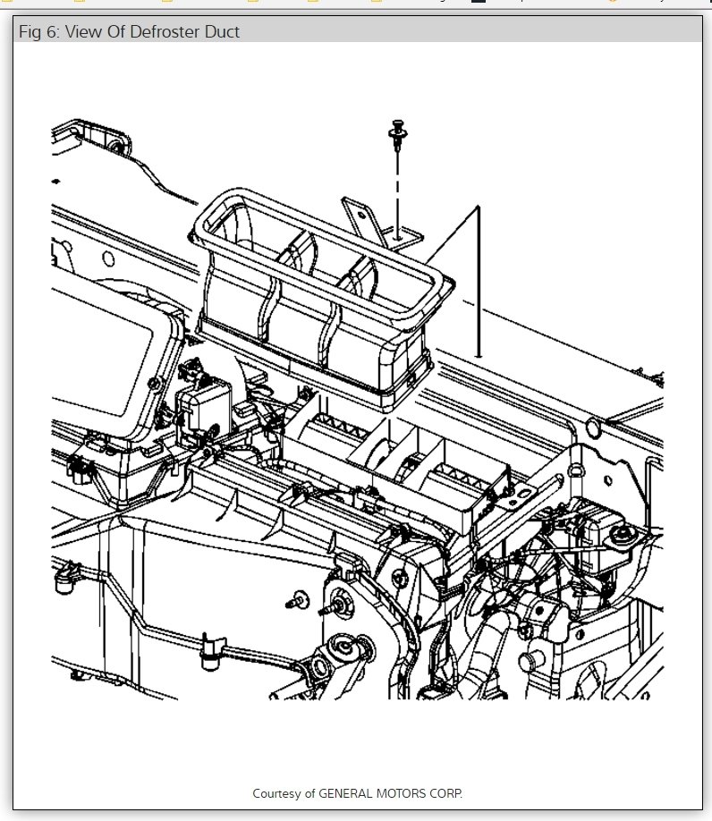
The heater has not been working. Now that it is starting to get cold. I took it in to see what was wrong with it and the mechanic said the heater core needs to be replaced. It only blows out cold air. My dad changed the thermostat but it did not fix anything. My dad has replaced heater cores before but on my vehicle he cannot find it.
Friday, November 5th, 2010 AT 1:52 PM










