Fuel Pump

Tiny
3GULAS3FORDS
  • MEMBER
  • 2004 PONTIAC MONTANA
Does the 2004 Pontiac Montana van have an access panel to change the fuel pump?
Friday, August 14th, 2009 AT 2:56 PM

21 Replies

Tiny
DOCFIXIT
  • MECHANIC
  • 18,828 POSTS
Hello,

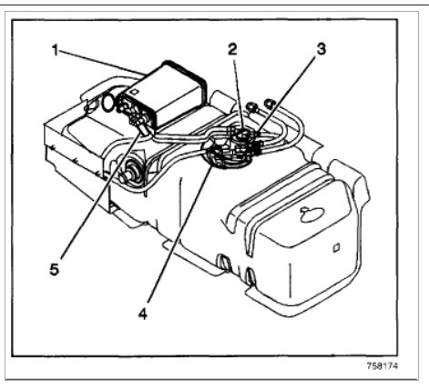
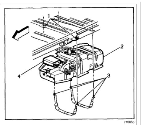
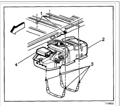
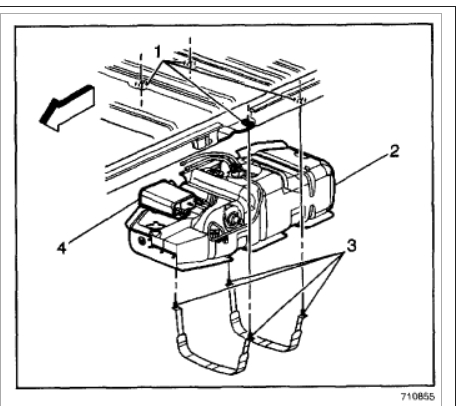
You will need to remove the fuel tank here is a guide to help walk you through the steps and diagrams below to show you how to do the job on your car.

https://www.2carpros.com/articles/how-to-replace-an-electric-fuel-pump

Check out the diagrams (Below). Please let us know if you need anything else to get the problem fixed.
Was this
answer
helpful?
Yes
No
-1
Friday, August 14th, 2009 AT 3:10 PM
Tiny
DRIIS
  • MEMBER
  • 1 POST
  • 2002 PONTIAC MONTANA
Engine Mechanical problem 6 cyl Front Wheel Drive Automatic 128000 miles

how do I replace a fuel pump in my Montana? Do I need any special tools etc? I was told it is in the fuel tank. My gas gauge has not been registering the correct fuel amt for quite some time. I started it the other day and it was running rough then just quit and will not start. I replaced the fuel filter but still will turn over but won't start. I believe it is the fuel pump.
Was this
answer
helpful?
Yes
No
Monday, January 7th, 2019 AT 9:07 PM (Merged)
Tiny
KEN L
  • MASTER CERTIFIED MECHANIC
  • 55,520 POSTS
Hello,

Yes the pump is in the tank it takes no special tools to change. You will need to lift the car to get started and its best if the tank is low on fuel.

https://www.2carpros.com/articles/jack-up-and-lift-your-car-safely

This guide will give you an idea on what you are in from when changing the pump

https://www.2carpros.com/articles/how-to-replace-an-electric-fuel-pump

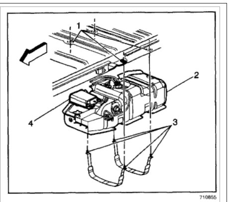
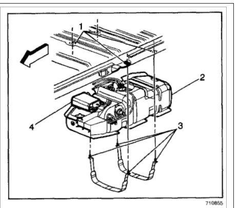
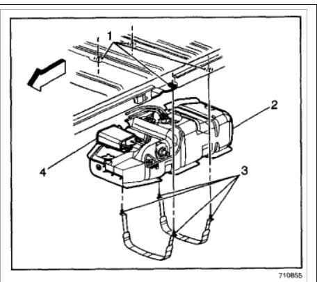
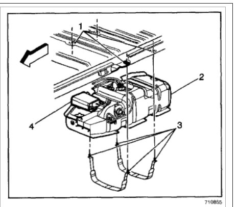
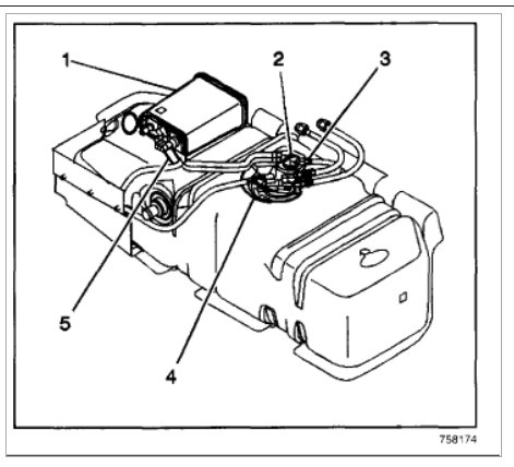
Here are some diagrams for your car (below)

Please let us know if you need anything else to get the problem fixed.

Cheers, Ken

Was this
answer
helpful?
Yes
No
Monday, January 7th, 2019 AT 9:07 PM (Merged)
Tiny
DISISJC
  • MEMBER
  • 18 POSTS
  • 2001 PONTIAC MONTANA
Engine problem
2001 Pontiac Montana Engine Size unknown Front Wheel Drive Automatic 150000 miles

Theres a vacuum part on the right side of the engine that has fuel going through it. I know because it what is causing me my problem. When the fuel pump comes on it is leaking fuel. What is it and how do I change it.
Was this
answer
helpful?
Yes
No
Monday, January 7th, 2019 AT 9:07 PM (Merged)
Tiny
MASTERTECHTIM
  • MECHANIC
  • 4,750 POSTS
It is your fuel pressure regulator and it is simple to replace, all you need is a pair of snap ring pliers. Feedback and votes on me are greatly appreciated.
Was this
answer
helpful?
Yes
No
Monday, January 7th, 2019 AT 9:07 PM (Merged)
Tiny
DISISJC
  • MEMBER
  • 18 POSTS
Tim,

Thanks for your reply
I don't believe my part has a snap ring on it unless it is underneith somewhere. It looks like it has a big nut on the bottom.
Was this
answer
helpful?
Yes
No
Monday, January 7th, 2019 AT 9:07 PM (Merged)
Tiny
DISISJC
  • MEMBER
  • 18 POSTS
I went to Rock and found a picture of the regulator.


https://www.2carpros.com/forum/automotive_pictures/145123_pontaic_montana_1.jpg


Do you thing the end with the o-ring is just pushed into the fuel rail. Its very close around the part. I'm not sure that I will be able to get to the bottom nuts.
Was this
answer
helpful?
Yes
No
Monday, January 7th, 2019 AT 9:07 PM (Merged)
Tiny
MASTERTECHTIM
  • MECHANIC
  • 4,750 POSTS
Yes that is exactly it. Yours is held in with a torx bolt. Just undo the fuel line going to it. Twist and pull out regulator. ***Try to make sure you clean fuel from the fuel rail and put some lube on o ring of new regulator. The gas will swell the new o ring and make it difficult to get in.
Was this
answer
helpful?
Yes
No
Monday, January 7th, 2019 AT 9:07 PM (Merged)
Tiny
DISISJC
  • MEMBER
  • 18 POSTS
Thanks Tim,
I bought the regulator at Auto Zone and installed--no leaks--
Was this
answer
helpful?
Yes
No
+1
Monday, January 7th, 2019 AT 9:07 PM (Merged)
Tiny
MARY78411
  • MEMBER
  • 4 POSTS
  • 1999 PONTIAC MONTANA
I have a 99 Pontiac Montana and it turns off at idle. Just yesterday it lasted about 15min running fine. I have changed the spark plugs, wires, coil pack, TPS, fuel pump, and the fuel filter. At first it would fill like it was miss firing but after putting the fuel pump it felt like new. The following day I turned it on and once I would press the gas it would turn off not sure on what else I can check or do. Plz help
Was this
answer
helpful?
Yes
No
Monday, January 7th, 2019 AT 9:08 PM (Merged)
Tiny
RASMATAZ
  • MECHANIC
  • 75,992 POSTS
Is the check engine light coming On?
Was this
answer
helpful?
Yes
No
Monday, January 7th, 2019 AT 9:08 PM (Merged)
Tiny
MARY78411
  • MEMBER
  • 4 POSTS
No, no lights are on
Was this
answer
helpful?
Yes
No
Monday, January 7th, 2019 AT 9:08 PM (Merged)
Tiny
RASMATAZ
  • MECHANIC
  • 75,992 POSTS
Clean/Test the idle air control valve and EGR valve if okay-check the MAP sensor-
Was this
answer
helpful?
Yes
No
+1
Monday, January 7th, 2019 AT 9:08 PM (Merged)
Tiny
MARY78411
  • MEMBER
  • 4 POSTS
Haven't checked that but I will look into it. Another question how do I know if the EGR valve is good
Was this
answer
helpful?
Yes
No
Monday, January 7th, 2019 AT 9:08 PM (Merged)
Tiny
MARY78411
  • MEMBER
  • 4 POSTS
My husband said that we have put a new idle air control valve also and his father looked at the EGR value said it looked good but wasnt tested. Is there a place I can take it to for checking on the EGR vaule.
Was this
answer
helpful?
Yes
No
Monday, January 7th, 2019 AT 9:08 PM (Merged)
Tiny
GERALDDB
  • MEMBER
  • 2 POSTS
  • 2002 PONTIAC MONTANA
Engine Mechanical problem
2002 Pontiac Montana 6 cyl All Wheel Drive Automatic 189000k

I have a 2002 Montana that is burning through fuel pumps. I changed it 3 weeks ago, and it has burnt out again. We keep the tank above half, and havn't done anything out of the ordinary, driving wise.

This time, it just quit, no warning.

Any ideas on what could be causing the pump to burn out?
Was this
answer
helpful?
Yes
No
Monday, January 7th, 2019 AT 9:08 PM (Merged)
Tiny
JACOBANDNICKOLAS
  • MECHANIC
  • 110,194 POSTS
Have you checked to see how many volts of power are going to it? Are you sure the pump is bad and it isn't a bad relay?
Was this
answer
helpful?
Yes
No
Monday, January 7th, 2019 AT 9:08 PM (Merged)
Tiny
GERALDDB
  • MEMBER
  • 2 POSTS
Thank you for the reply! I did change the relay last fall, but I think I may change it again, just to be sure.
Was this
answer
helpful?
Yes
No
Monday, January 7th, 2019 AT 9:08 PM (Merged)
Tiny
JACOBANDNICKOLAS
  • MECHANIC
  • 110,194 POSTS
Let me know if it works.
Was this
answer
helpful?
Yes
No
Monday, January 7th, 2019 AT 9:08 PM (Merged)
Tiny
ROCKDOGGTJ
  • MEMBER
  • 1 POST
  • PONTIAC MONTANA
I have a 98 Pontiac transport 'Montana' with 98,000 miles. Couple days ago, it was running badly with no power and ended up stalling. It would not start and stay running any longer. I have checked the fuel pump and changed the fuel filter. There are no codes in the OBDII. I have pretty much run into a standstill, I'm thinking it could be electrical or the throttle body needs to be replaced.
Was this
answer
helpful?
Yes
No
Monday, January 7th, 2019 AT 9:08 PM (Merged)

Please login or register to post a reply.