Blend door actuator location?

Tiny
DOBER6972
  • MEMBER
  • 2006 PONTIAC GRAND PRIX
  • 6 CYL
  • FWD
  • AUTOMATIC
  • 115,000 MILES
I need to find the blend doors and the blend door actuator, where are these things at under my dash?

Are they relatively easy to get to? I need to verify that my blend doors are working properly before it gets cold again.

I have dual climate controls
Friday, September 3rd, 2010 AT 9:57 PM

14 Replies

Tiny
FACTORYJACK
  • MECHANIC
  • 4,159 POSTS
The blend doors are going to be in the HVAC case, or HVAC module, whichever you call it. The actuators(right or left) appear to be accessible either behind the glove box(rh), or on the left side with removal of the lower insulator panel. Are you having concerns with operation, and on which side?

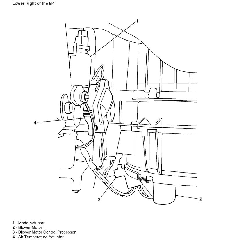
Here is a guide to help walk you through the repair with the locations of the blend door actors in the diagrams below.

https://www.2carpros.com/articles/replace-blend-door-motor

Check out the diagrams (Below). Please let us know if you need anything else to get the problem fixed.
Was this
answer
helpful?
Yes
No
+3
Saturday, September 4th, 2010 AT 1:41 AM
Tiny
JIMMYD
  • MEMBER
  • 4 POSTS
  • 1997 PONTIAC GRAND PRIX
How to repair blend door in heating system of 97 grand prix where is it behind dash?
Was this
answer
helpful?
Yes
No
Tuesday, May 5th, 2020 AT 10:34 AM (Merged)
Tiny
SATURNTECH9
  • MECHANIC
  • 30,869 POSTS
Hello,

All blend door actuators are behind the dash is various places. Here is a guide that will give you an idea of what you are in for when doing the job.

https://www.2carpros.com/articles/replace-blend-door-motor

Check out the diagrams (Below)

Please let us know if you need anything else to get the problem fixed.

Cheers
Was this
answer
helpful?
Yes
No
+1
Tuesday, May 5th, 2020 AT 10:34 AM (Merged)
Tiny
JIMMYD
  • MEMBER
  • 4 POSTS
What do I have to remove to get to it
Was this
answer
helpful?
Yes
No
+3
Tuesday, May 5th, 2020 AT 10:34 AM (Merged)
Tiny
SATURNTECH9
  • MECHANIC
  • 30,869 POSTS
Most likely the whole dash carrier I would have to look it up but more likely then not. Before you start riping things apart what is the problem your having that you think its a blend door issue?
Was this
answer
helpful?
Yes
No
+3
Tuesday, May 5th, 2020 AT 10:34 AM (Merged)
Tiny
JIMMYD
  • MEMBER
  • 4 POSTS
Heat comes out the passenger side but not the drivers side
Will not switch, Just stays on passenger side
Was this
answer
helpful?
Yes
No
+1
Tuesday, May 5th, 2020 AT 10:34 AM (Merged)
Tiny
SATURNTECH9
  • MECHANIC
  • 30,869 POSTS
You have dual temp auto climate control correct where it reads out each sides temp settings? For the dual climate control you have two blend doors with two different vacuum actuators controlling it with two different temp sensors for each side so its more then start tearing stuff apart.I also posted how to retrieve codes that are starting point let me know if you have any codes.
Was this
answer
helpful?
Yes
No
-1
Tuesday, May 5th, 2020 AT 10:34 AM (Merged)
Tiny
JIMMYD
  • MEMBER
  • 4 POSTS
Thank You, I changed the actuator and now everything works little tough to get to. Thanks for hanging int here will me.
Was this
answer
helpful?
Yes
No
Tuesday, May 5th, 2020 AT 10:34 AM (Merged)
Tiny
SATURNTECH9
  • MECHANIC
  • 30,869 POSTS
Glad you could get it fixed, that kind of problem can be tough. Please use 2CarPros anytime we are here to help

Cheers.
Was this
answer
helpful?
Yes
No
Tuesday, May 5th, 2020 AT 10:34 AM (Merged)
Tiny
RYAN WILSON
  • MEMBER
  • 3 POSTS
Can someone please for this exact thing help me find the location. I’m struggling hard to find it.
Was this
answer
helpful?
Yes
No
+1
Tuesday, May 5th, 2020 AT 10:34 AM (Merged)
Tiny
RYAN WILSON
  • MEMBER
  • 3 POSTS
Or at least which side I don’t have dual climate tho.
Was this
answer
helpful?
Yes
No
Tuesday, May 5th, 2020 AT 10:34 AM (Merged)
Tiny
KEN L
  • MASTER CERTIFIED MECHANIC
  • 55,499 POSTS
I found this location of the blend door actor diagrams for you. Check out the diagrams (below). Please let us know if you need anything else to get the problem fixed.
Was this
answer
helpful?
Yes
No
+1
Tuesday, May 5th, 2020 AT 10:34 AM (Merged)
Tiny
RYAN WILSON
  • MEMBER
  • 3 POSTS
Thanks, I found it and got it done.
Was this
answer
helpful?
Yes
No
Tuesday, May 5th, 2020 AT 10:35 AM (Merged)
Tiny
KEN L
  • MASTER CERTIFIED MECHANIC
  • 55,499 POSTS
Good to hear, please use 2CarPros anytime we are here to help.
Was this
answer
helpful?
Yes
No
Tuesday, May 5th, 2020 AT 10:35 AM (Merged)

Please login or register to post a reply.