1993 Pontiac Grand Am 4 cyl Two Wheel Drive 99 miles
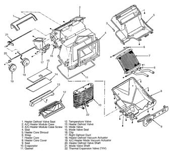
WHERE IS THE HEATER CORE AND HOW DO YOU GET IT OUT, i'VE CHANGE ALOT IN MY DAY BUT I NEVER SEEN ONE UNDER THE FIRE WALL WHAT AHECK A PLACE TO PUT IT
i NEED A DIRAGRAIM DRAWING TO HELP WITH THIS
THANK YOU
jAMES a. WOODRUFF
Tuesday, May 11th, 2010 AT 6:38 PM



