Tuesday, January 6th, 2009 AT 4:57 PM
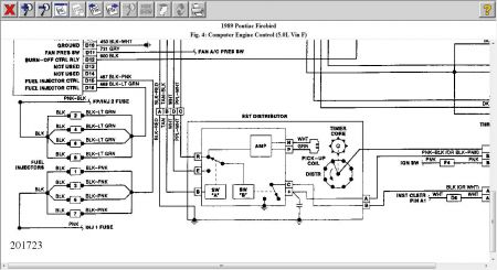
I have a 305 engine in this car that will only run on four cyc. I have checked all that I know to check the injector wiring harness has 12 volts on one side of the wires going to the injectors the other side should be a ground to fire the injector but thely wont do nothing the car will only run on the left side. Drive side will not do nothing all spark plugs fire ok when the engine is runing but the right side injectors will not inject no gas this is a turn port injectors with a e.S.C spark control has a rebuild computer with a new prom also has a new rebuild distributor. The car will still only run on four cyc


