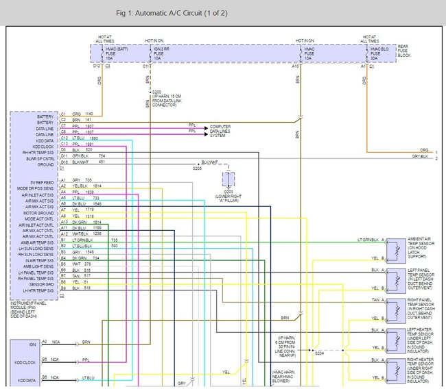
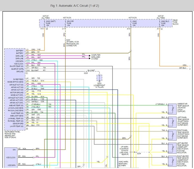
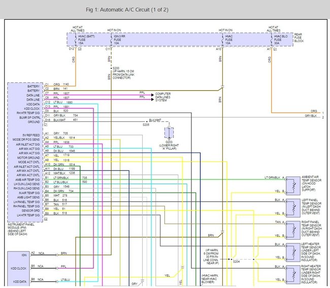
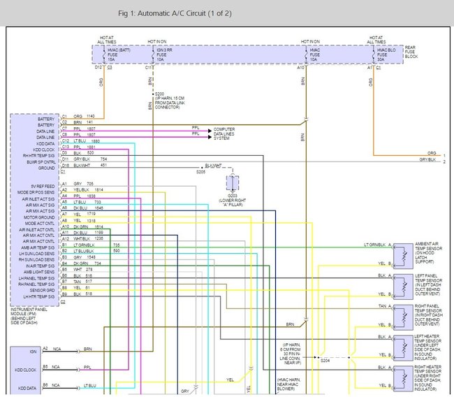
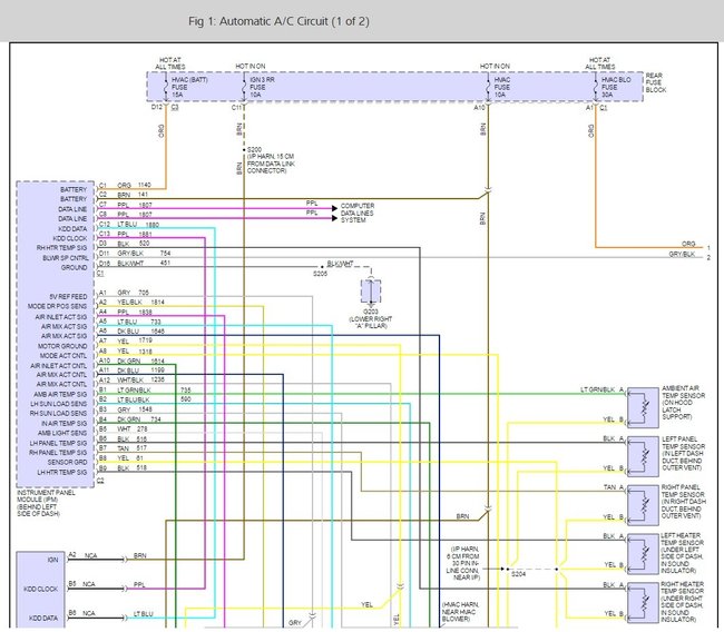
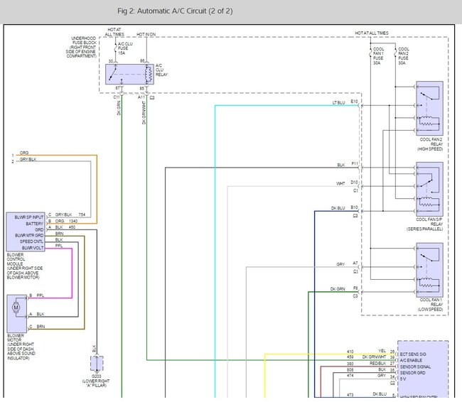
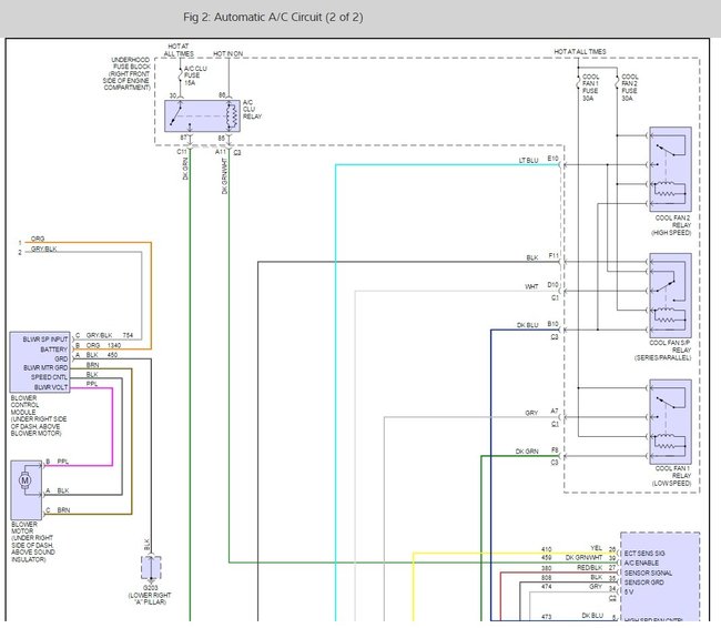
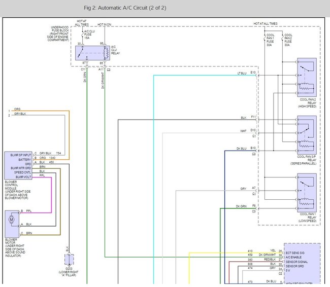
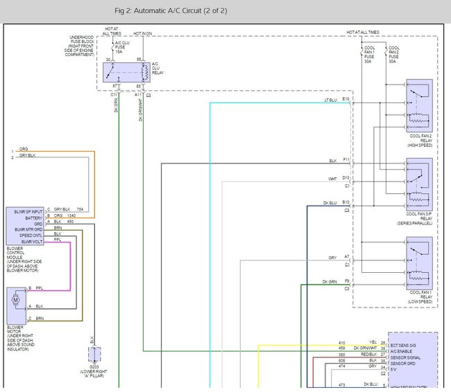
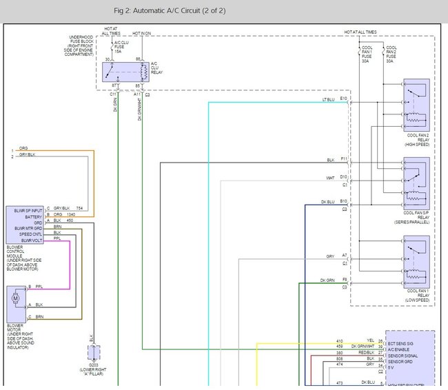
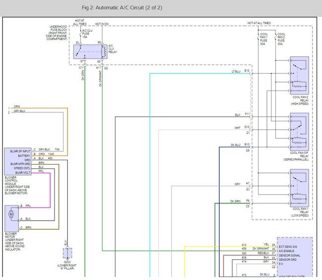
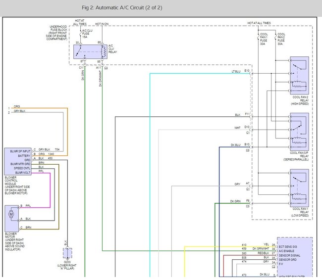
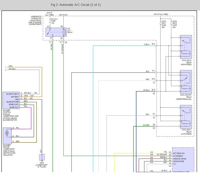
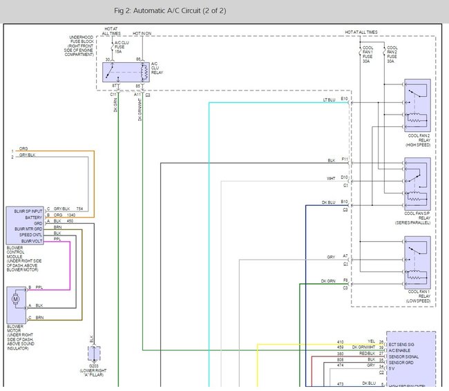
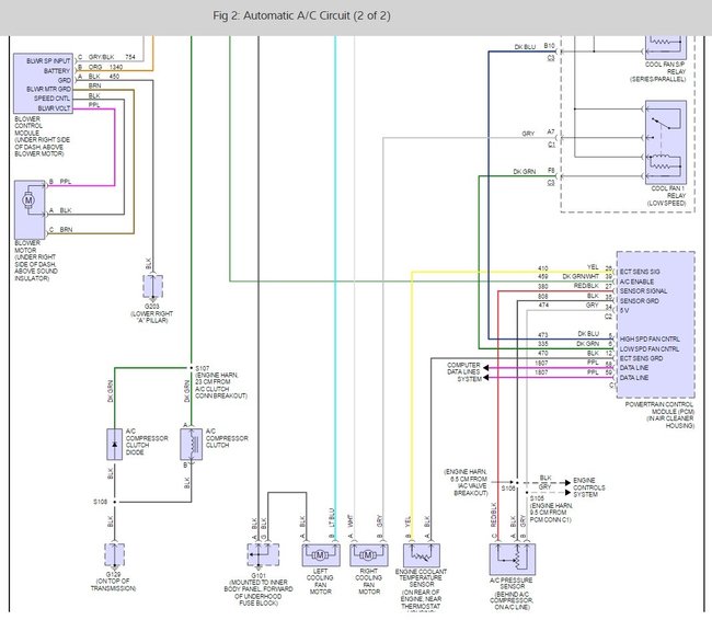
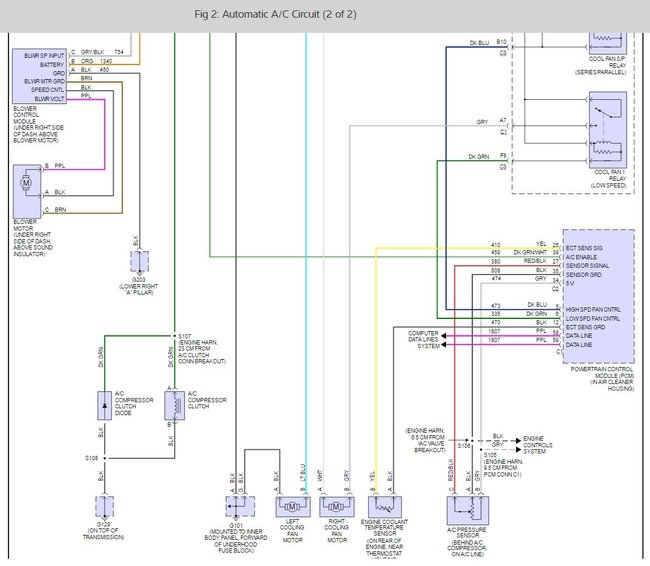
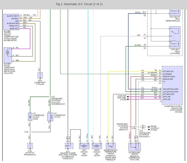
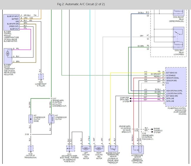
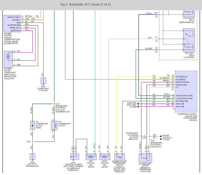
I was having trouble with my power door locks and push button trunk release and interior lights, so I was in the fuse box under the back seat checking things out. Ever since my AC compressor will not turn on. Help. I cannot find a fuse under the back seat marked AC. The problem with my power door locks/ interior lights/push button trunk release mysteriously disappeared after I got out of the 100 degree hellish Texas heat& back in Minnesota.
I checked this fuse and it is good. Swapped it out anyway. AC still not working. There is no power to the 2 prong hookup that connects to the compressor when I have the AC on. I think there should be. Any more suggestions? Thanks. Mike PS I also switched out the AC relay inside the fuse box under the hood. It was good also
Monday, June 21st, 2010 AT 4:39 PM






