I got smoke from near the starter solenoid

Tiny
FREDZEP
  • MEMBER
  • 2005 CHRYSLER PT CRUISER
  • 2.4L
  • 4 CYL
  • 2WD
  • AUTOMATIC
  • 145,000 MILES
The polarity was crossed for about 7 seconds before I got smoke from near the starter solenoid. I could not pin point it. I then connected the battery correctly and got no lights or anything. Checked random fuses and relay's but all seem okay. Tested the battery out of the car at 12.8 Volts. PT is still not working. Should I test the Starter Solenoid next?


Fredzep
Saturday, December 12th, 2020 AT 3:09 PM

17 Replies

Tiny
KASEKENNY
  • MECHANIC
  • 18,907 POSTS
We need to start with finding out if we have power coming into the PDC. Then we need to find out what fuses have power and what do not. Here is a guide that shows how to test a fuse:

https://www.2carpros.com/articles/how-to-check-a-car-fuse

If the fuses test ok then unfortunately I suspect the modules are what has failed. What happens when you send the current through the vehicle in the opposite direction is the circuit board is what turns in the fuse. So when there is too much current it will cause an issue on the circuit board.

So this means we need to find out what does not work. When you say the lights do not work, does that mean the head lights or just nothing on the dash lights up?

Let us know what happens when you try to start it and maybe a video will help us figure this out. Then we will need to test power and ground at those components and go from there.
Was this
answer
helpful?
Yes
No
+1
Thursday, May 13th, 2021 AT 10:42 AM
Tiny
CARADIODOC
  • MECHANIC
  • 34,489 POSTS
Nope. Starter solenoids don't care about polarity. There are going to be multiple blown fuses. There's dozens of computers on your car, and they can't tolerate reverse polarity. To prevent damage to them, they will always have diodes in them between the ground and 12-volt supplies. Diodes are one-way valves for electrical current. They're placed in the circuit backward so it's like they aren't even there, . . . until battery polarity is reversed. That makes the diodes "forward biased", then they act like a piece of wire and become a dead short. That causes the appropriate fuse(s) to blow, thereby protecting the computer. Once polarity and blown fuses are corrected, the diodes go back to doing basically nothing, and the computers should be okay.

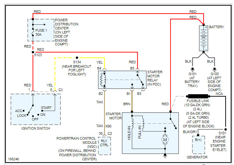
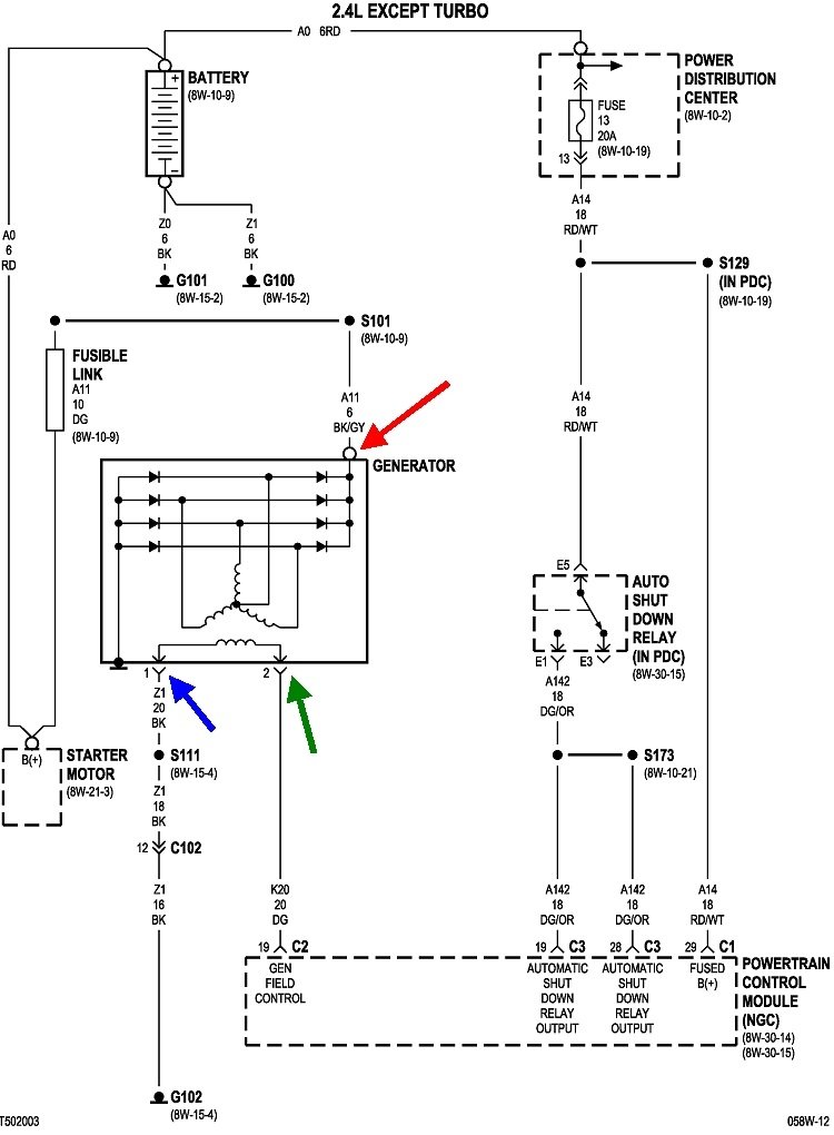
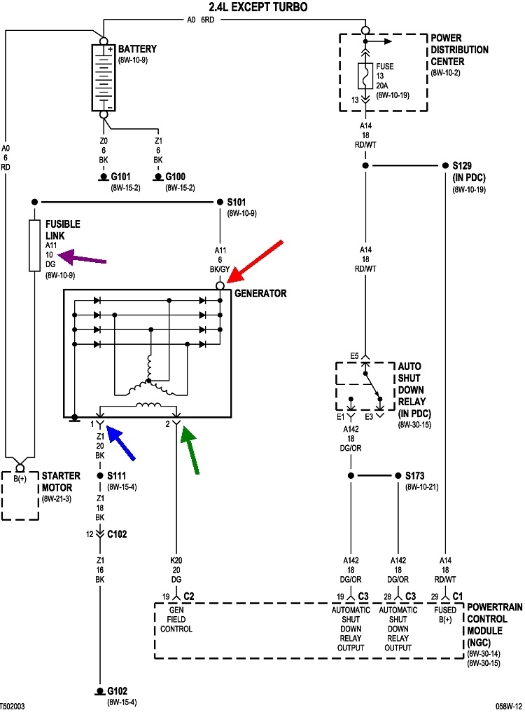
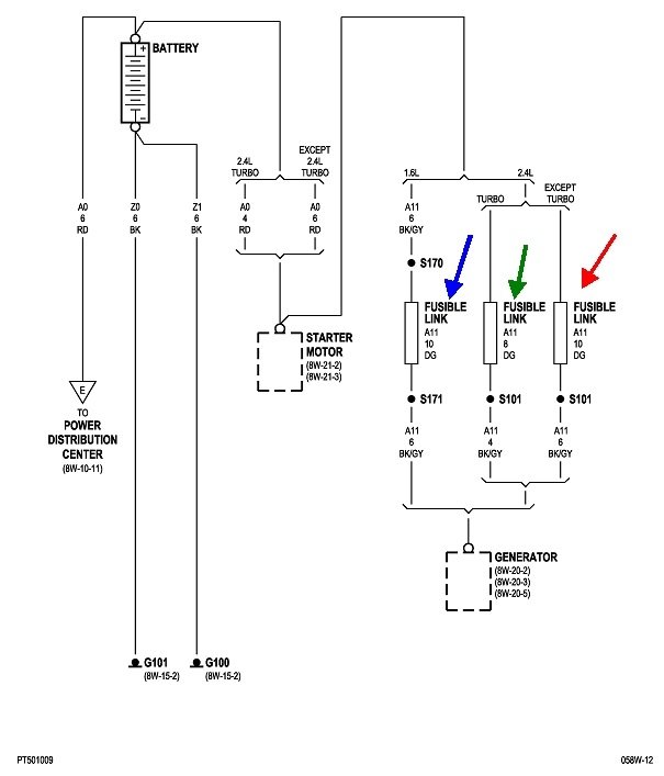
In addition, you made a dandy observation of the smoke near the starter. Fuses do not smoke when they burn open, but fuse link wires can if given enough time. This diagram is one of about a dozen for the various power circuits. My three arrows are pointing the fuse link wires that come off the starter's battery terminal. These have nothing to do with the starter circuit. They simply originate there because it's more convenient and shorter than running them all the way back to the battery where they could be susceptible to damage from leaking battery acid.

You'll need to go down to the starter and find the wires attached to the fat terminal. To test a fuse link wire, just tug on it gently. If it's good, it will act like a piece of wire. If it's burned open, it will act like a rubber band. You can buy new ones at any auto parts store. It looks like there will be just one. The gauge will depend on whether you have a turbo or not. They come roughly 12" long. The length of what you put in is not important. You can cut a new one to make two or three repairs. It's the smaller diameter, or gauge, that's important. It will be smaller than the wire it protects, making it the "weak link in the chain". For example, if you have a non-turbo engine, you'd have the fuse link with the red arrow. The designation means it's circuit "A", meaning direct battery 12 volts, circuit "11", 10-gauge, dark green. If you look just below that, and below splice "S101", the regular wire is circuit A11 6-gauge, black with a gray tracer, or stripe. The larger 6-gauge wire is protected with the smaller 10-gauge fuse link wire.

Don't use regular wire for the repair. Fuse link wire's insulation is designed to not burn or melt. You should be handed a new piece of the same color, dark green. As with fuses, the color denotes its current rating. Here's a video about wiring repair that may be of help:

https://youtu.be/4TjSYfLTHfg

Be sure to seal the soldered splices with moisture-proof heat-shrink tubing. You can find it at any auto parts store and most hardware stores. Never use electrical tape as it will unravel into a gooey mess on a hot day.
Was this
answer
helpful?
Yes
No
+1
Thursday, May 13th, 2021 AT 10:42 AM
Tiny
FREDZEP
  • MEMBER
  • 8 POSTS
Thank you both for the replies. My vehicle is a non turbo. I will skip the Starter Solenoid and look for the Fusible Link and replace if needed. Once I get power to the car I can check the fuses. As it sits now there is zero power when I hook up the 12.8 volt tested battery.
Was this
answer
helpful?
Yes
No
Thursday, May 13th, 2021 AT 10:42 AM
Tiny
KASEKENNY
  • MECHANIC
  • 18,907 POSTS
Okay. I think you will find the fusible link is the issue. With that info, I would be surprised if it didn't at least get us some positive results.

Let us know and either one of us will get back with you. Thanks
Was this
answer
helpful?
Yes
No
Thursday, May 13th, 2021 AT 10:42 AM
Tiny
FREDZEP
  • MEMBER
  • 8 POSTS
I finally got the green wire which was 1 of 2 going to the starter solenoid. I cut it off about 2 inches into the black engine harness tubing. I then tested the wire with a meter and tested okay. The green wire is 6 gauge and has 3 inch section with heavy plastic covering the wire. I suspect this housed the wire for the fusible link. See picture.
I constructed a replacement wire which included a 12 gauge fusible link, and a 14 gauge 30 amp inline fuse as backup. Connected it all up and the pt started. I also put in a new battery. I then took the green wire to my local Dodge dealership and they think it may be a ground wire and gave me 2 potential mopar part number's which are both no longer available.

Despite not knowing for sure what the green wire is, my pt is back on the road!

Thank you all for your help!
Was this
answer
helpful?
Yes
No
Thursday, May 13th, 2021 AT 10:42 AM
Tiny
CARADIODOC
  • MECHANIC
  • 34,489 POSTS
There's a couple of things to be aware of. First, it is never accurate to test a fuse link wire with a volt / ohm meter. In fact, this has caused a lot of misdiagnosis among experienced mechanics. When a fuse link wire burns open, it leaves a carbon track behind on the inside of the insulation where it arced. Think of severe blockage inside a compressed air line, with just a tiny pinhole through that blockage. That pinhole is all that's needed for a pressure gauge further down the line to show normal pressure, but try to run an air tool and you'll never get any volume. In fact, the pressure after that blockage will drop to almost nothing when you try to get some flow.

Same with the fuse link. Voltmeters don't need much current to get their readings, so they will show 12 volts, but you'll never get enough current through that carbon to run anything. This is where a test light is more accurate. It does require current to show if voltage is present. You won't get nearly enough current through the carbon to run a test light, so it will correctly show 0 volts.

The best way to test a fuse link wire is to tug on it. If it's burned open, it will stretch like a rubber band.

I wouldn't put any stock in what the people at the dealer's parts department tell you about that wire. They aren't going to know its purpose by just looking at it. The only way to get wire from the dealer is to order a complete wiring harness per the application and model. In fact, Chrysler wiring harnesses always have a paper tag on them with the part number. There's way too many variables to get the right one going by just the application and model year. It is much more cost-effective to repair a broken wire in a harness than it is to replace it. The only time we would replace the entire harness is when the vehicle is under warranty. Chrysler's policy states that when any part is replaced under warranty, it must be restored to the same condition it was in when it was new. No new car comes with splice repairs, only intact wires, so any repair has to involve replacing the entire harness. Once all of a model is old enough to no longer be in warranty, there is no need to make a part available, especially since no one is going to repair a car that way. The same is true for fuses and fuse link wires. Both of those are readily available from any auto parts store at a much better price than the dealer can do for you. When doing electrical repairs at the dealership, even my parts department people would order things like that locally. Also be aware every wiring harness has to be made by hand, so replacements are very expensive. Some can cost over $1000.00 to $1500.00. No one wants to sell one of those to a customer when a simple repair will do the job. Again, the only time you'd order one of those is when the car is under warranty. Even Chrysler wouldn't let us do a wiring repair under warranty. They don't have quality control over those repairs.

I'm not sure what you meant by, "12 gauge Fusible link, and a 14 gauge 30 Amp inline fuse as backup", but a 12-gauge fuse link wire is too small. Most use a 10-gauge wire which is fatter, and the turbo models use an 8-gauge, which is still fatter. 12-gauge wire is only good for 20 amps. When the electrical system needs 40, 60, or more amps, that wire won't handle that much current, so it will burn open again even though there's no other defect. A 14-gauge wire is only good for 15 amps.

You also mentioned an inline fuse. If that is in the same circuit, that is also going to blow. Fuse link wires are very inconvenient to replace, but they are used because failures are uncommon and because they act as a slow-blow fuse. Your alternator is capable of developing either 100 or 120 amps. They always only develop as much as the electrical system needs, and no more, until someone performs a standard full-load charging test. At that time the alternator's maximum current will flow through the fuse link wire, but that test is only performed for a few seconds; just long enough to read the value on the tester. A fuse link wire will survive that test, but a regular fuse will blow instantly. Also, with everything being electrical and / or computer-controlled, it is real easy to need well over 50 amps during normal driving. That again will blow a 30-amp fuse. The only proper repair is to have only a 10-gauge fuse link wire, and nothing else. (8-gauge for turbo models). If the finished repair will be long enough, it is also acceptable to splice the burned fuse link. You must end up with a section of wire that is of the intended diameter so it remains the weak-link-in-the-chain. The length of that section is not important. The other consideration is any splice must be sealed with heat-shrink tubing, and since it's under the hood, that should be tubing with hot-melt glue inside to seal out moisture. The insulation on fuse link wires is designed to not burn or melt. Heat-shrink tubing will melt, but it is placed over the splice. Since a splice is two wires overlapping each other and soldered together, that is not where it's going to burn open next time. A different section will burn open, and that will still be inside the original burn-proof insulation.

I should mention too that all alternators have at least six "diodes" inside them. Those are one-way valves for electrical current flow. They're placed in the circuit to allow current to flow from the alternator to the battery to recharge it, and to the rest of the electrical system. When the engine is not running, they block current from flowing from the battery through the alternator. Those are really tough diodes, but when the battery cables are reversed, and most of the time if jumper cables are reversed, those diodes are now "forward-biased" and will allow current to flow through them. That places a dead short across the battery. That's why your fuse link wire burned open. It is not common for that excessive current to destroy a diode because the battery cables themselves have some resistance that limits that current. Other than reverse-polarity protection, there is always the possibility of diodes shorting on their own. There's two sets of three diodes. If one of them in each set were to short at the same time, that would also put a dead short across the battery. That's the second reason for having the fuse link wire in there.

A lot of newer models use a standard fuse instead of a fuse link wire for the alternator, but those have to be large enough to handle the alternator's full maximum output, which will only occur during system testing. Also, because of that really high current, those fuses will always be bolted into the fuse box. Plug-in terminals would overheat in short order. Just ask anyone who has a Ford generator where the engineers used plug-in terminals for the output circuit.

If I'm misunderstanding the repair you did, please set me straight.
Was this
answer
helpful?
Yes
No
Thursday, May 13th, 2021 AT 10:42 AM
Tiny
FREDZEP
  • MEMBER
  • 8 POSTS
I know this is my old thread, but I finally had a nice day and got back out to the PT after letting it sit for nearly a year! 05 Base. I noticed the 30 Amp fuse I had in the 12 gauge wire I used to replace the green wire, had blown. I replaced the 30 Amp fuse but nothing- no power at all. I then charged the battery overnight. When I reconnected the charged battery the 30 Amp fuse blew. I then tried to put another fuse and while tugging on the 12-gauge wire, it came off the harness wire I had spiced into from where the original green wire was. So, the 12-gauge wire was only connected to the started solenoid. Essentially a dead wire. I started the PT and it started perfectly. I let it run for 30 minutes with the lights on, heater on, and radio on. Nothing appeared to dim. No Battery or any SES lights. I drove a few spaces down the street and no issues. My question now is, can I run the car without that original green wire connected? If so, what is the downside?

Thank you again all your help!
Was this
answer
helpful?
Yes
No
Sunday, March 20th, 2022 AT 10:08 PM
Tiny
KASEKENNY
  • MECHANIC
  • 18,907 POSTS
If it is truly a wire with no voltage on it, then it is fine to sit there. The only thing we need to do is check and make sure there is no voltage on that wire and then if not, you are fine it leaving it sitting there if the vehicle is operating properly.
Was this
answer
helpful?
Yes
No
+1
Monday, March 21st, 2022 AT 12:40 PM
Tiny
CARADIODOC
  • MECHANIC
  • 34,489 POSTS
The only wire I see appears to be the alternator's output wire. A 30-amp fuse won't handle the 100 or so amps, but only after the engine is running.

The bigger problem is you can't use a standard fuse to replace a fuse link wire. Fuses blow instantly when current goes too high. Fuse link wires are used for their slow-blow characteristics, especially where motors are involved. They are tolerant of momentary / normal overloads.

The fuse link to the alternator can be expected to burn open when the battery cables were reversed. Alternators use diodes which are one-way valves for current flow. Besides their main function, they also block the battery from draining through the alternator when the engine is off. When the battery is connected backward, those diodes are "forward-biased", meaning they act like a piece of wire, (dead short). The fuse link wire burns open to protect the circuit.

Happy to hear you appear to have this solved.
Was this
answer
helpful?
Yes
No
+1
Monday, March 21st, 2022 AT 1:15 PM
Tiny
FREDZEP
  • MEMBER
  • 8 POSTS
I was able to start it up with no issue or lights again. However, letting it sit for 2 weeks when I went to start it, it ran very rough for 30 seconds then turned off. No clicks or lights when I went to restart. Nothing. So, I charged the battery again and it started right up.
Given this could it be the Alternator that is bad? Not charging when running? Perhaps it went bad after the reversed battery?

Thank you all for your continued help!
Was this
answer
helpful?
Yes
No
Wednesday, March 30th, 2022 AT 5:38 PM
Tiny
CARADIODOC
  • MECHANIC
  • 34,489 POSTS
Measure the battery voltage before you start the engine, then again when the engine is running. With the engine off, a good, fully-charged battery will measure 12.6 volts. If you find something higher than that, it is due to recently being on the charger. That leaves a residual charge of electrons that haven't made it into the lead plates yet to be stored. Turn the head lights on for a few seconds to remove that residual charge, then measure the voltage again.

A good battery that's badly discharged will measure closer to 12.2 volts. If you find it's around 10 volts or less, it has a shorted cell and the battery must be replaced.

Once the engine is running, the battery voltage must be between 13.75 to 14.75 volts. If it is still close to 12.6, the charging system is not working. This article covers the same tests:

https://www.2carpros.com/articles/how-to-check-a-car-alternator

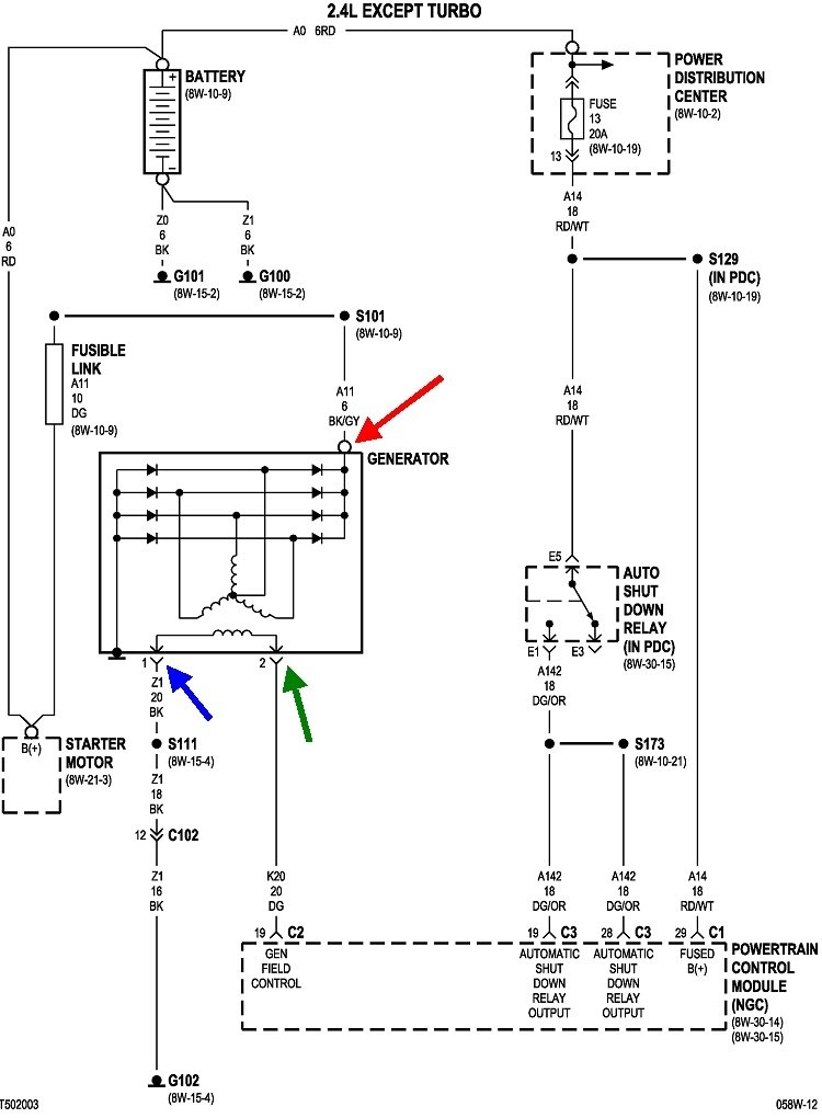
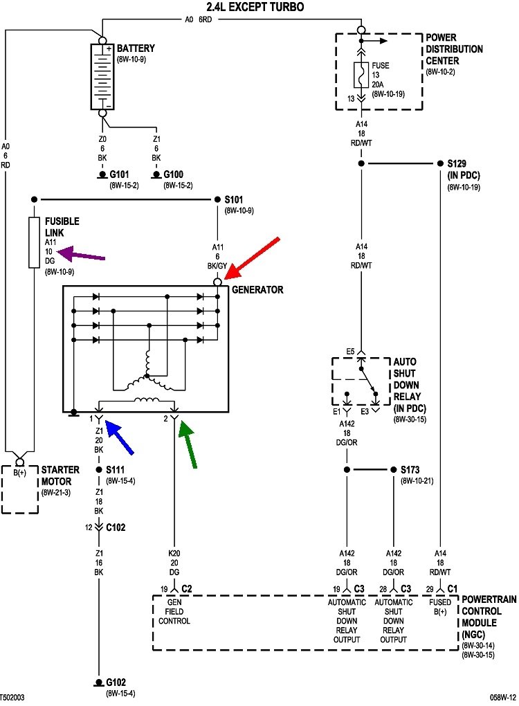
If the charging system is dead, given the recent history, the best suspect is the fuse link is burned open. You can verify that by measuring the voltage on the large output wire bolted to the back of the alternator. You should find full battery voltage there with the engine not running. That's the red arrow in this diagram.

Let us know what you find.
Was this
answer
helpful?
Yes
No
Thursday, March 31st, 2022 AT 12:38 PM
Tiny
FREDZEP
  • MEMBER
  • 8 POSTS
I recharged my new fairly battery and put it in the car. Started at 12.04 volts. I added lights 11.86. Then lights with heater on full 11.84. Next the battery light came on in the car. I turned the car off then re-started at 11.84. 11.73 with lights and 11.57 with lights and heater. Next I turned the car off and it would not start. Measured battery at 12.4, took pos + off and moved around. Car started. Then it would not restart. No power to car at all except static pounding in left back speaker. Maybe I need to take to auto electric place.
Was this
answer
helpful?
Yes
No
Saturday, April 2nd, 2022 AT 3:28 PM
Tiny
CARADIODOC
  • MECHANIC
  • 34,489 POSTS
12.04 volts indicates the battery did not take a charge. When that happens to me it is almost always due to one of the cable clamps didn't make a good connection.

When the battery is this discharged, watch the meter on your portable charger. It typically takes a good 15 minutes before the battery starts to take a charge. It takes that long for the acid to fill with electrons and become conductive. When that happens, you'll see the amp meter stay near "0" at first, then, after ten to 15 minutes, the current will go up. We'd like it to not go higher than ten amps. A little more for newer batteries is okay, but home chargers put out a "rectified sine wave" which will vibrate the battery's plates. The higher the charging current, the harder the plates vibrate. As all batteries age, the lead flakes off the plates and collects in the bottom of the case. Charging at higher rates hastens how fast that flaking occurs. That usually won't destroy a battery, but it will decrease the amount of time before the flaked-off lead builds up high enough to short one of the cells. Alternators put out three-phase current. That is more efficient and very much smoother, so vibrating battery plates isn't a concern.

Also check if your battery is of the newer "absorbed glass mat", (AGM) design. I've gotten conflicting information as to the advantages, disadvantages, and proper care for these batteries. My 2014 Ram came with one. The truck sat unused over a winter, so I assumed the battery was drained and froze. When I bought a new one from my trusted battery store, they refused to take the old one for the core until I tried charging it at a slow rate for three days. To my surprise, it did recover and is working fine in another vehicle, but it did take a long time to recharge.

I know you don't need this, but for the benefit of others researching this topic, here's a link to an article on charging batteries:

https://www.2carpros.com/articles/how-to-charge-your-car-battery

After rereading your last reply, it occurs to me the voltages you listed might all be with the engine running. If that's the case, forget what I just posted about the battery not being charged. Its voltage is going to be drawn down when supplying the current to run the engine and other circuits. This is where we have to look at the charging system.

I started to mention this in my first reply, but I didn't go far enough. All "AC generators" have diodes inside to turn their alternating current into direct current that can be stored in a battery. As a point of interest, Chrysler developed the AC generator for their 1960 models, and copyrighted the term, "alternator". This first diagram is of your charging system. The second one is just expanded to make the important area easier to read. My orange arrow is pointing to one of the diodes. All alternators have six. The extra two here were added to squeeze out a little extra output current capacity. Some designs even have 12 diodes; basically two alternators in one package, for twice the output current.

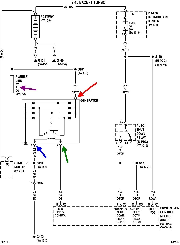
Diodes are one-way valves for electrical current flow. For automotive discussion, current can flow in the direction the arrow-part of the symbol is pointing, in this case from left to right. When the engine is running, current flows through the diodes, out the output terminal, (red arrow), through the black / gray wire, splice S101, then through the dark green fuse link wire, "A11 10 DG". "A" circuits originate at the battery positive post. This is number 11 of those circuits. The "10" means it's a 10-gauge fuse wire, and the "DG" is for "dark green" The color denotes the current rating, just like it does with regular fuses.

When the engine is stopped, the battery would like to discharge through the alternator, but it's the diodes that prevent that from happening. Now they're "reverse-biased", meaning they block current flow. That is, until the battery cables or jumper cables are reversed. Doing that in effect turns the diodes around, so now they act like a dead short. There's nothing to limit current flow, so eventually the fuse link wire burns open.

If I haven't confused you yet, I'd like to add a comment here that has stumped even very experienced electrical specialists. When the charging system is working normally, you will find full battery voltage, (12.6 volts), on the alternator's output stud, when the engine is off.
That 12 volts will be there all the time. It will rise to between 13.75 and 14.75 volts when the engine is running. To identify if the fuse link is burned open, that one simple voltage test should be all that's needed. Now you'll find 0 volts with the engine off. A test light is accurate enough for this, (and in this case, more accurate), but a lot of professionals use digital voltmeters. This is a perfect example of where the expensive meter gives false readings.

When fuse link wires burn open, they deposit a carbon track on the inside of the insulation where the arcing occurred. That's the same carbon track that used to occur inside distributor caps and short out the high voltage to some spark plugs. Digital voltmeters work by measuring electrical pressure, (voltage), but they don't require much current flow through the circuit to do that. Enough of a tiny tickle can get through the carbon track for the meter to falsely detect the 12 volts. This is where a lot of experts incorrectly think that circuit must be okay. Instead, if you use an old-fashioned, inexpensive test light, it will not light up. They require current to flow through them to give their indications. That much current can't get through the carbon track, so the test light accurately shows there's no 12 volts on the alternator's output stud.

The point of this sad story is use a test light to check for voltage on the alternator's output stud. If you really do have 12 volts there, check it again with the engine running. If it doesn't jump up to at least 13.5 volts, we'll need to continue with the next steps. That will be to measure the two voltages on the two smaller terminals on the back of the alternator, (blue and green arrows). Those must be taken with the engine running.

If you do find 0 volts on the output stud, as I suspect, it's the fuse link wire that must be checked. Previous discussion, as I recall, indicated you may have three fuse links that tap off the starter. That's just a convenient tie point so they didn't have to run multiple wires all the way back to the battery. Tug gently on those wires. If one acts like a rubber band, that one is burned open.

You can make a temporary repair to a fuse link wire by cutting it by the break, stripping some insulation from each end, then twisting the ends together. The circuit is still protected as long as part of that wire is still there. The wire itself is just a regular wire, but it's a smaller diameter than the wires it protects. That makes it the weak link in the chain.

The proper repair is to buy a new fuse link from an auto parts store. They are usually about 12" long which is enough to cut and make two or three repairs. They'll have a dull color denoting the current rating, and that insulation will not melt or burn. Don't use regular wire for this purpose as its insulation can burn and start a fire.

Twist the ends of the new piece to the ends left behind when you cut the old piece out. Before you twist the last ends together, slide on two pieces of moisture-proof heat-shrink tubing. That tubing is going to sit over the wires that are twisted together. That makes them a much larger diameter, and therefore, not part of the weak link in the chain. The wire won't burn open along those splices, so there's no worry about the heat-shrink tubing catching on fire. Even if that was a concern, the event is over too quickly to get the heat-shrink tubing warm.

I could go into even more detail, but I'll wait to hear what you find up to this point.
Was this
answer
helpful?
Yes
No
Saturday, April 2nd, 2022 AT 5:36 PM
Tiny
FREDZEP
  • MEMBER
  • 8 POSTS
Thank you for your detailed reply! For the fusible link, I have removed that wire. It connected to the Solenoid on the starter to a wiring harness. It is all below the intake and extremely hard to get to, even from underneath. I would have to take the Intake off to properly soldier the connections. However, since it was connecting to the solenoid on the starter, I was unsure how needed this was in my charging of the battery issue.

I ran a voltmeter on the 90-day old battery after charging (Deep 2A), at 13.8 volts. Then I turned on the car and it dropped to 13.2 then after a few minutes to 12.8. I ran the lights, and AC and it continued down to 12.4 ultimately. From this info it appears the Alternator is not working. So my next step is to put in a new Alternator from Rock auto. I will then have a newer battery and new (Reman) Alternator. If I still have an issue I will probe further.

Thank you again for all your help and advice!
Was this
answer
helpful?
Yes
No
Monday, April 11th, 2022 AT 4:23 PM
Tiny
CARADIODOC
  • MECHANIC
  • 34,489 POSTS
I don't really suspect the alternator yet. 13.8 and even 12.8 volts is too high to be coming from just the battery. Any surface charge is long gone, so the 13.2 and 13.8 volts suggests the alternator is doing something, just not enough. We need to know the voltage on the alternator's large output stud. If you find 12+ volts there with the engine not running, that fuse link wire is okay and we can move on. If you find 0 volts there, replacing the alternator won't help. The fuse link wire is still going to have to be replaced.

If there's 0 volts on that stud, consider running a temporary wire between it and the battery's positive cable. My preference is to connect it to the battery cable first, and the output stud second. That's because if there are at least two shorted diodes inside the alternator, there's going to be a big, surprising spark when the second connection is made, and we'd like that spark to not be near the battery where explosive hydrogen gas is produced. (That's also why the last of the four jumper cable connections is recommended to be made to the engine block, away from the battery).

If nothing in the alternator is shorted, there won't be any spark with the engine not running, and only a small one with the engine running. More importantly, if the engine is running and you turn on the head lights, you should see the lights get brighter when you connect that jumper wire. That's further proof the fuse link must be replaced.

Now, if you do have battery voltage on the output stud with the engine off, we have to look at those two smaller terminals on the back of the alternator. If it's like older models, those terminals will pop out from a black plastic block. The voltages must be taken with the engine running. One of them must have some voltage, but it is likely to be much less than battery voltage. Here again, the test light is the better choice. This is going to be a square wave voltage that switches from 0 volts to full battery voltage roughly 400 times per second. The ratio of on-time to off-time is varied to adjust the charging voltage. Digital meters take a reading, analyze it, then display it while they're taking the next reading. One of those readings might be when the battery voltage is there, and other readings will be when there's 0 volts there. Digital meters don't average the readings. Instead, the display bounces around and is basically unusable. An older analog meter with a pointer will tend to average the readings and give usable results. Also note, those tiny nuts you're taking the readings on almost always develop a coating of light corrosion. You may need to scratch the meter probes a little to get good connections.

The voltage on the one smaller terminal comes from the voltage regulator circuitry inside the Engine Computer. That's the green arrow on the diagram on a previous reply. That regulator circuitry could have been damaged, but there are safeguards built into all computer modules to prevent damage from reversed battery or jumper cables. The Engine Computer will be on the bottom of the list of suspects until we've exhausted all other possibilities.

Assuming you do find some voltage on one of the smaller terminals, remember that one, then we have to check continuity to ground on both of them with the engine off. Here's a link to an article about using an ohm meter:

https://www.2carpros.com/articles/how-to-use-a-voltmeter

The ohm meter section starts about halfway down. If you still need help, I can handle that. Best if you can post a photo of your meter.

Measure the continuity to ground on the other terminal, (blue arrow). Ideally it should be 0 ohms, but typically you'll find up to maybe 10 ohms. That's due to some normal resistance in that wire and the normal resistance in your meter's leads.

As long as we're here, also test the first terminal, (green arrow where you found some voltage), for continuity. You should find about 4 ohms more than you found in the previous test. You're including the brushes and resistance of the electromagnetic coil in this test. Be aware it is extremely common and normal for those brushes to make poor contact when the alternator's pulley is not spinning, so don't be fooled if this test shows "open circuit" / infinite resistance. Your meter would show the same display as when the probes aren't touching anything. When this happens, it's due to tiny chips of carbon that are stuck under one of the brushes. "Irritate" the belt and pulley a little and you're likely to see the reading change on the meter. If it goes to some value up to around 10 to 15 ohms, that entire part of the circuit is okay. I suspect it will be because nothing here is susceptible to damage from reversed cables.

Testing the continuity between those two smaller terminals is a story for another day when we suspect worn brushes are causing a no-charge condition. This could start to be a concern at the mileage you listed, but we'll discuss that later if it becomes necessary. Many of my vehicles developed worn brushes after 200,000 miles, and in all of them, they were replaced separately, without removing the alternators from the engines. I've done this on a '78 Le Baron, '88 Grand Caravan, and a '94 Grand Voyager. My '94 alternator is the same Nippendenso design that's used on your car. The brush assembly is shown in the second photo; new one at the bottom, old worn one on top. The extra piece on the right side of the old one has the two studs you're taking readings on.

The last possibility has to do with those diodes inside the alternator. While they were forward-biased when the cables were reversed, they will have tried to pass hundreds of amps of current; way more than they're rated for. They will handle that for a few seconds, but the fuse link wire has to burn open quick enough to prevent that excessive current from shorting those diodes. Disregarding the two extra diodes shown in the diagram earlier, those main six are in two sets of three diodes each. If one diode in each set were to short at the same time, there would be a dead short, the fuse link wire will be burned open, and once that fuse is repaired, you'll get a huge spark when you reconnect the battery cables. The new fuse should hold up long enough to pull the cables off, then you'll need to replace the alternator.

The more common diode problem involves just one of them shorting. Often that is followed shortly by its connection burning off. That leaves the threat of the second shorted diode no longer a concern. Regardless if that connection burns off, a single shorted diode is not that uncommon in any brand of alternator, and this brings me to your 13.2 volts, which is too low. Alternators all put out three-phase output current. Depending on the orientation of the rotating electromagnetic field, each diode is used in multiple phases at different times. This results in a single defective diode causing a loss of exactly two thirds of the alternator's output capacity. The largest alternator used in your model is a 120-amp unit. With one failed diode, the most you will be able to get is 40 amps. That's right on the border of not being enough to run the engine, fuel pump, lights, dash, and radio, and still have a little left over to keep the battery charged. The common symptom is to see the battery voltage drop slowly like you described. The battery has to make up the difference of what's not being supplied by the alternator. It can take days or weeks for that to slowly run the battery down.

In normal operation, alternators are physically incapable of developing more current than they're rated for. Also, when everything is working right, they will always only develop as much current as the electrical system needs, and no more. The only time a 120-amp alternator will develop close to that is during the brief full-load output current test, and that requires a professional load tester. You need to visit a repair shop for that. Most of those testers also measure "ripple current". As I mentioned, three-phase output is very smooth and steady. This first drawing is from a "Notes Page" I used in my classroom. The top drawing shows the three-phases. The ripple voltage is shown in red. It only varies from 14.0 to 14.5 volts here. Batteries and computers are very tolerant of that.

The lower diagram shows what happens with one failed diode. Here the ripple voltage is 5.2 volts. Ripple voltage is measured by most professional testers, but not all list it as a voltage. Those that can make printouts usually do. Other testers just show the amount of ripple voltage on a digital relative bar chart. The mechanic has to write the level of ripple voltage as "low", or "high" on the repair order. There's rarely any "in between".

If you suspect your alternator has a defective diode, you'll need to drive the car to a repair shop. The professional test takes longer to connect the three cables than it does to run the tests, but that will tell us everything.

Diodes can be replaced, usually in groups of three, but it really isn't a practical repair. It can be somewhat difficult, so we just replace the entire alternator.

Let me know if you make some progress.
Was this
answer
helpful?
Yes
No
Monday, April 11th, 2022 AT 11:26 PM
Tiny
FREDZEP
  • MEMBER
  • 8 POSTS
Finally got the PT electrical fixed. New Battery and Dealer stock New Alternator. Re-connected a fusible link. Running for 3 days and no problems. Thank you for everyone's help on this thread! I have learned so much about electrical in the PT.
Was this
answer
helpful?
Yes
No
Wednesday, August 3rd, 2022 AT 3:45 PM
Tiny
CARADIODOC
  • MECHANIC
  • 34,489 POSTS
Wonderful news. Very happy to hear you solved this problem. Please come back to see us again.
Was this
answer
helpful?
Yes
No
+1
Thursday, August 4th, 2022 AT 5:38 PM

Please login or register to post a reply.