1999 Plymouth Voyager 6 cyl Two Wheel Drive Automatic
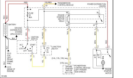
our van won't start and the battery is good. It won't turn over. It just started doing it. The bettery conections are good as well. After the first time abs light came on and the was a draw 3.5 to 4.0 amps
Friday, May 21st, 2010 AT 12:19 AM


