If I wasn't an unemployed carpenter, I would offer a donation. Right now, I just need heat so I can work on the rare day when I can find it.......
UPDATE:
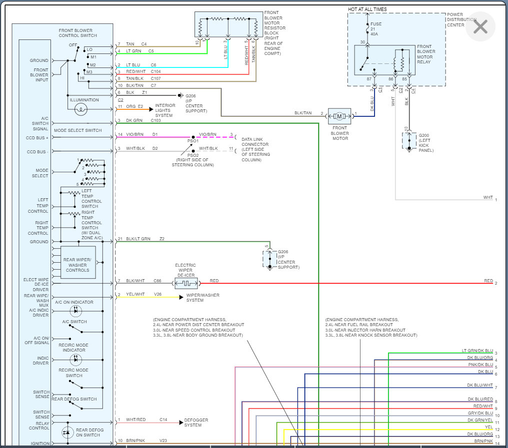
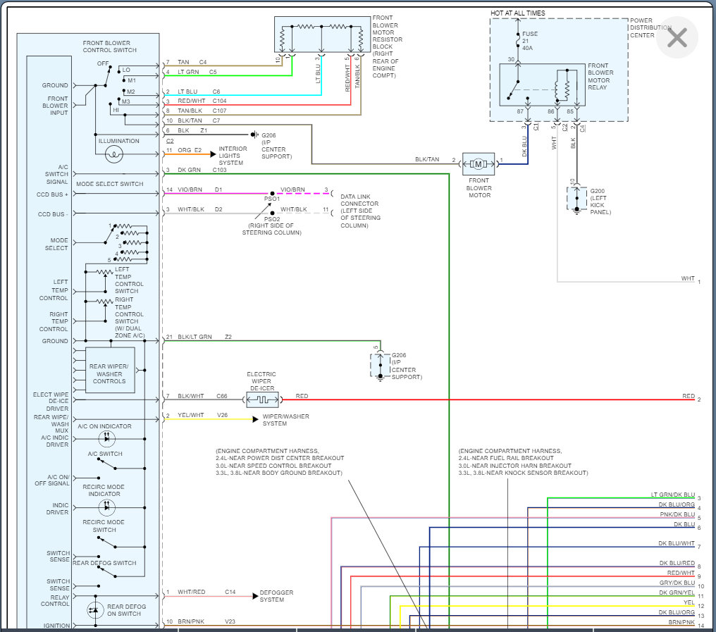
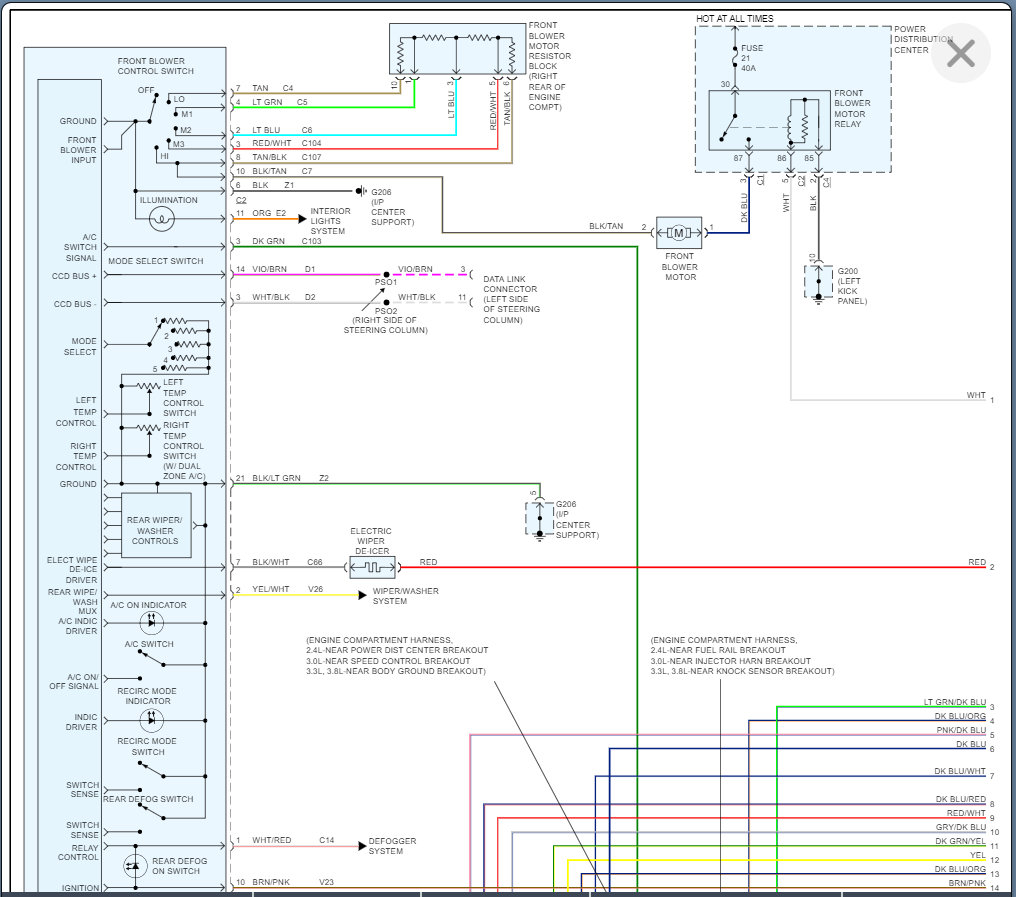
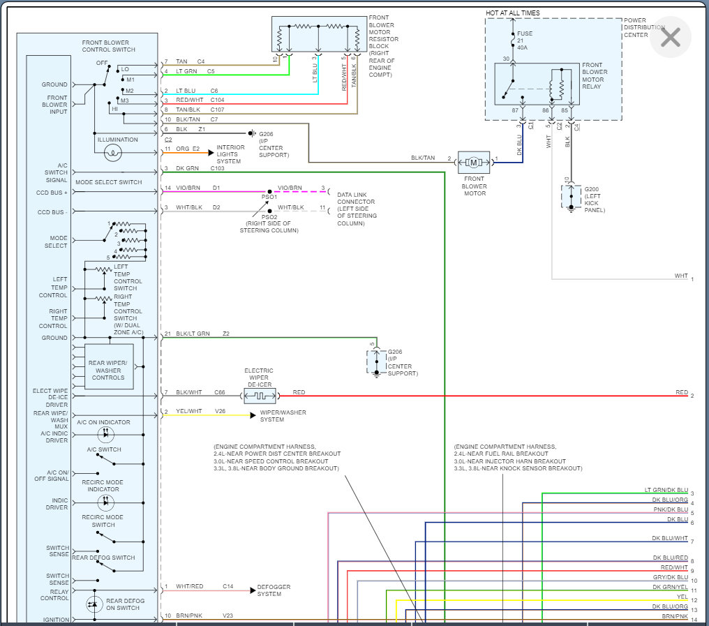
In this forum I found directions to calibrate the compuiter. I did this and the result was this:
air cond and recirculate lights flash alternately, while;
rear intermit flashes 8 times, then
rear wipe flashes once, then
intermit flashes once, then
wipe flashes once, then
intermit flashes 4 times, then
repeat sequence.
Help>?
Thanks, mistrd
Another thing, , if this means that the cluster needs to be replaced, what models are compatible? I could get one from the bone yard and calibrate it?
Sunday, October 11th, 2009 AT 10:22 AM






