Wednesday, August 30th, 2017 AT 9:24 AM
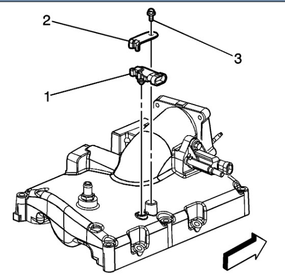
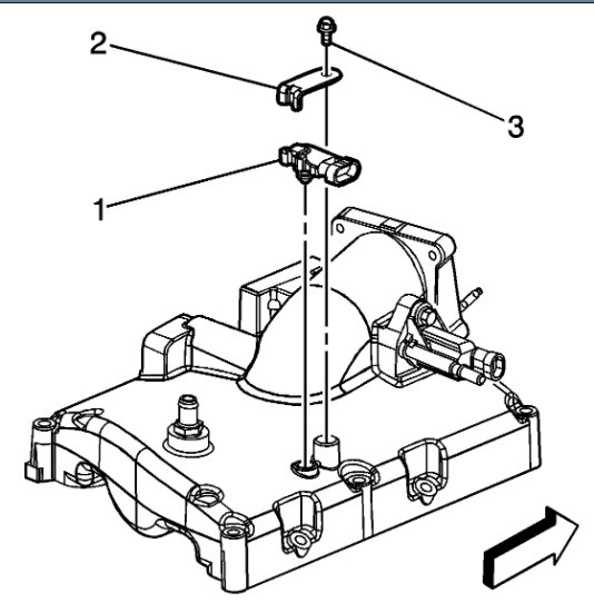
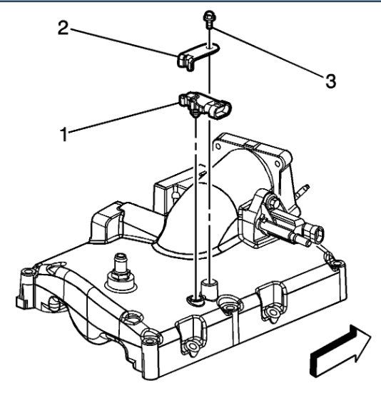
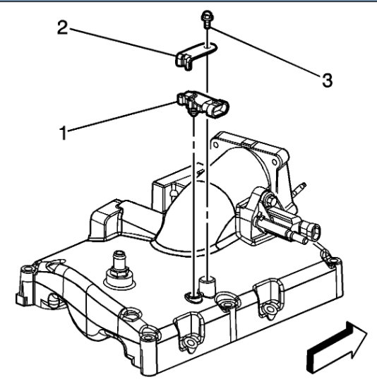
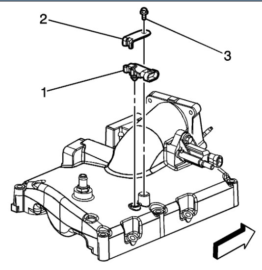
While removing the map sensor to replace it with a new one, the piece with the rubber on it broke and fell inside the hole into the engine. Will this do any damage? I installed the new one anyway, but I was unable to remove the broken piece from the old one, it is still inside the hole. I was able to drive home with no problems and smelled some rubber burning through the A/C vents.




























