Sunday, August 14th, 2022 AT 10:29 AM
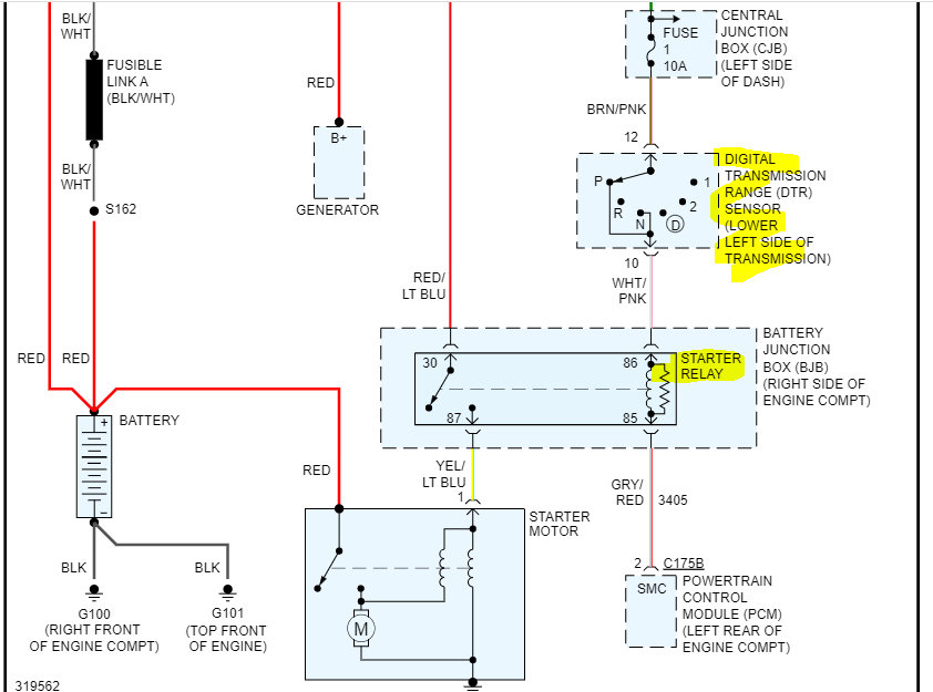
Shortly after purchasing this car in February, the starter was replaced. The car worked fine. One week ago, while at a store, the car wouldn't start. Interior lights, radio and A/C were on, but clicking noise with each attempt to start. Tightened loose terminal, no start. Jumper cables used, no start. A man rocked the car back and forth at the door jam, then it started. I went to Auto Zone, battery is fine, but they reported some unknown issue with starting system. It worked fine rest of the week until two days ago again, but it did not start. Interior lights, radio, A/C all on. This time, no clicking noise with attempts to start. Jumper cables were used, it started. Today I went to Pep Boys for a diagnosis, they said starter, battery and alternator all working fine. What's wrong with my car?









