Transmission, codes P1731 and P1732

Tiny
YACINE
  • MEMBER
  • 2011 PORSCHE PANAMERA
  • 4.8L
  • V8
  • 4WD
  • AUTOMATIC
  • 80,000 MILES
Hello,
I have the car listed above 4S. One morning I got my car not moving and a failure alert of gearbox (PDK) then I took the car to my mechanical and after diagnosing the car using PIWIS we found the default P1731 and P1732. Now after buying another gearbox we got again the same default even after re-setting it and adapting the new gearbox. Please can you help me with any advice?

Thanks
Thursday, March 15th, 2018 AT 12:07 PM

58 Replies

Tiny
STEVE W.
  • MECHANIC
  • 15,668 POSTS
You changed the actual gearbox itself, not the PDK control unit under the dash, correct?
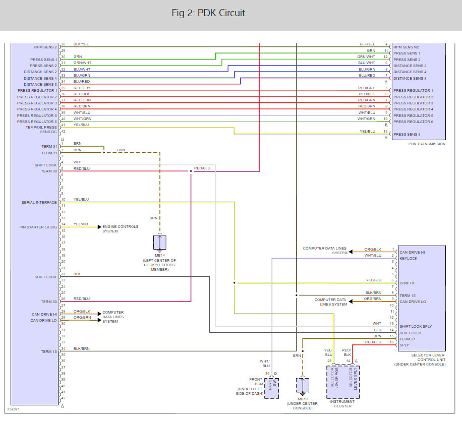
Having two sensor codes at the same time I would check the harness from the control unit out to the gearbox. They use a low voltage and it wouldn't take much corrosion or pin fitment to cause a failure. I would also verify the signal from both displacement (1 & 2 as you have codes for both) sensors outside the gearbox. This should help you locate the correct wires. Also be sure the shop is using the latest version (or at least version 2) of PIWIS, the older versions don't work well on the newer vehicles.
Was this
answer
helpful?
Yes
No
+1
Thursday, March 15th, 2018 AT 3:40 PM
Tiny
YACINE
  • MEMBER
  • 10 POSTS
Hello Steve, thank you for your answer.

Actually we changed only the pdk gearbox not its Control Unit.
Because before bying the new gearbox we have checked the Control unit and it was dry and clean. We also checked and cleaned the harness.

We thought that the sensors p1731 and p1732 are inside the gearbox and we couldn't reach them. Where can we find the two sensors?

Do you think that it can be related to the control unit? Should I change it?

Thank you a lot
Was this
answer
helpful?
Yes
No
+2
Thursday, March 15th, 2018 AT 3:55 PM
Tiny
YACINE
  • MEMBER
  • 10 POSTS
Hello,

Kindly send me again the image in good resolution because it’s too small and not clear. Thank you very much
Was this
answer
helpful?
Yes
No
Friday, March 16th, 2018 AT 9:00 AM
Tiny
STEVE W.
  • MECHANIC
  • 15,668 POSTS
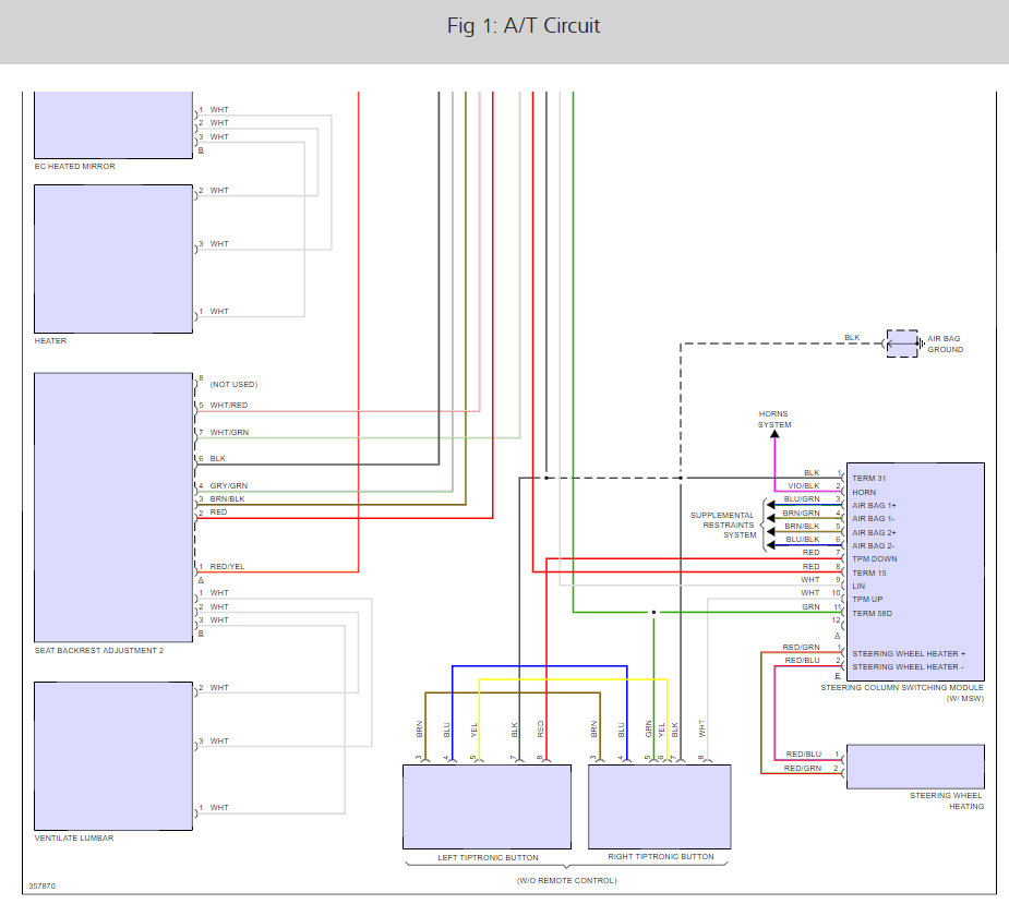
HMM, that should have been a large diagram. Something must have messed up the upload. Try these.
Was this
answer
helpful?
Yes
No
+5
Friday, March 16th, 2018 AT 9:20 AM
Tiny
YACINE
  • MEMBER
  • 10 POSTS
Thank you sir. I ordered the pdk control unit today. I hope it will fix the issue.
Was this
answer
helpful?
Yes
No
Friday, March 16th, 2018 AT 9:28 AM
Tiny
KEN L
  • MASTER CERTIFIED MECHANIC
  • 55,244 POSTS
Hello,

I found these wiring diagrams and wanted to help.

Check out the transmission wiring diagrams (Below)

Please let us know what you find. We are interested to see what it is.

Cheers, Ken
Was this
answer
helpful?
Yes
No
Monday, March 19th, 2018 AT 12:18 PM
Tiny
YACINE
  • MEMBER
  • 10 POSTS
Hello,

Thanks for your help. I will keep you updated about progress.
Was this
answer
helpful?
Yes
No
Monday, March 19th, 2018 AT 4:13 PM
Tiny
YACINE
  • MEMBER
  • 10 POSTS
Hello,
Now after changing the pdk control unit the error p1731 and p1732 have been fixed but we have new errors that we never got : P0846, U0446 and U0456. Guys, help me by any advice please thanks.
Was this
answer
helpful?
Yes
No
+1
Wednesday, April 11th, 2018 AT 3:02 AM
Tiny
STEVE W.
  • MECHANIC
  • 15,668 POSTS
P0846 - Pressure sensor clutch 2, signal implausible - Shorted to bat + That would be the Green/White wire on pin 12 from the transmission to the PDK unit. It is reading above 4 volts. Either the wire is shorted to another power wire or the sensor itself is bad.

The U codes are CAN related
U0446 - Body control module - invalid data
U0456 - Coolant temperature control module - invalid data

I would clear the U codes and see if they return. Both could be caused by having the battery disconnected. Or the coolant temp sensor is disconnected.
Was this
answer
helpful?
Yes
No
+1
Wednesday, April 11th, 2018 AT 8:30 AM
Tiny
YACINE
  • MEMBER
  • 10 POSTS
Thank you so much for your help!
Was this
answer
helpful?
Yes
No
Wednesday, April 11th, 2018 AT 10:07 AM
Tiny
KEN L
  • MASTER CERTIFIED MECHANIC
  • 55,244 POSTS
Please let us know what happens.

Cheers, Ken
Was this
answer
helpful?
Yes
No
+1
Wednesday, April 11th, 2018 AT 6:27 PM
Tiny
YACINE
  • MEMBER
  • 10 POSTS
Hello,

Steve, is the sensor changeable?
Was this
answer
helpful?
Yes
No
+1
Thursday, April 12th, 2018 AT 9:51 AM
Tiny
STEVE W.
  • MECHANIC
  • 15,668 POSTS
Both information sources say they can be, BUT you will want to test the wiring first. The internal harness in the trans connecting the pressure sensors to the plug may be the problem. Says you pull the pan and the pressure sensors are inside screwed into the trans. You still have the old unit right? Maybe pull it open and check.
Was this
answer
helpful?
Yes
No
+1
Thursday, April 12th, 2018 AT 10:44 AM
Tiny
YACINE
  • MEMBER
  • 10 POSTS
Thanks a lot Steve. I will keep you updated
Was this
answer
helpful?
Yes
No
-1
Thursday, April 12th, 2018 AT 12:44 PM
Tiny
PORSCHEEXPERT8
  • MEMBER
  • 3 POSTS
I found solution for this case,

Porsche Panamera Uses ZF Transmission, for P1731, P1732, P1733, P1734 fault codes not required to replace gearbox (PDK) or transmission control unit, Just simply replace following part:

- Sensor Pack (Position Sensor with Speed and Temperature Sensors)
- Part#: 97031708500, Estimated Price is 500 USD.

But before any replacement, make sure your battery life is good, because Porsche is one of the most sensitive cars to over/under voltage situations. So much technology is packed into them, that bad or going battery can and does make funny things with totally unrelated systems.
Everything in the car is controlled by microprocessors and when the voltages get low you get weird signals that can be misinterpreted by the other processors.
If not worked, then try to replace with above sensor pack.
Was this
answer
helpful?
Yes
No
+3
Friday, February 8th, 2019 AT 11:08 AM
Tiny
PETILF
  • MEMBER
  • 5 POSTS
I know this is an old posting, but I’m really curious about how did you fix the problem. Ive run into the same exact troubleshoot, and neither I or the dealer seem to be able to solve it. They’ve already replaced the sensor pack from inside the transmission, but the issue is still present. The vehicle had the same codes you described above, and was jumping into limp mode after about 20 min of driving. Usually after about 1 hour cool off, it ran normally for another 15-20min before the issue reappearing. Any help will be helpful!
Thanks in advance guys
Was this
answer
helpful?
Yes
No
+1
Thursday, May 23rd, 2019 AT 9:57 AM
Tiny
YACINE
  • MEMBER
  • 10 POSTS
Hello,
I fixed the issue by changing the sensor. Maybe the one that you changed is not good.
Was this
answer
helpful?
Yes
No
+2
Thursday, May 23rd, 2019 AT 11:46 AM
Tiny
KEN L
  • MASTER CERTIFIED MECHANIC
  • 55,244 POSTS
I have seen defective sensors before, is the replacement OEM?
Was this
answer
helpful?
Yes
No
Thursday, May 23rd, 2019 AT 11:47 AM
Tiny
STEVE W.
  • MECHANIC
  • 15,668 POSTS
15-20 minutes sounds like a heat issue in the controller itself. The transmission isn't going to be very hot in that time period but if there is a bad component in the controller it could get hot enough to shut down. Easy test would be to run it around until the system trips. Pull into a car wash and use the wand to spray the transmission and cooler down. If the issue is transmission heat the cooling should make it return to normal in a couple minutes rather than an hour.
Was this
answer
helpful?
Yes
No
Thursday, May 23rd, 2019 AT 12:18 PM
Tiny
PETILF
  • MEMBER
  • 5 POSTS
Hello guys, thank you for the prompt and descriptive advise.

Yacine,
I actually had the vehicle taken to the Porsche dealership, and after long and persuasive negotiations they decided to replace “Sensor Pack (Position Sensor with Speed and Temperature Sensors)
- Part#: 97031708500”.
Actually it seemed they never done this job before, so they even asked for the part number, and offered no guarantees...
In their opinion solution was the infamous replacement of the PDK gearbox for $35K, ... YES! Thirty Five Thousand US Dollars. * Of course, I’ve started laughing, because I could not do anything else to calm my anger....
Finally they supposed replaced the sensor pack, but the issue is still present.
I even provided them with Service Bulletins from the NHTSA web site

https://rennlist.com/forums/attachments/997-forum/1233417d1501772137-porsche-technical-bulletin-for-2009-2011-pdk-cars-sb-10052517-4176.pdf

But $2165 later my vehicle is still not running properly.
Was this
answer
helpful?
Yes
No
Thursday, May 23rd, 2019 AT 2:49 PM

Please login or register to post a reply.