PCM to sensors schematic

Tiny
CARLOSRUIZ
  • MEMBER
  • 2001 MAZDA TRIBUTE
  • 2.0L
  • 4 CYL
  • 2WD
  • MANUAL
  • 150,000 MILES
Just swapped engine and it will not start. I am suspecting harness damage during swap but no visible damage. I am looking to get wiring schematic to test continuity from sensors and related engine wiring.

Thanks for your help.

Good Day
Thursday, November 16th, 2017 AT 1:20 PM

6 Replies

Tiny
KEN L
  • MASTER CERTIFIED MECHANIC
  • 55,281 POSTS
Hello,

Here is a guide on how to check the engine wiring diagrams in a guide and the engine wiring diagrams (below):

https://www.2carpros.com/articles/how-to-check-wiring

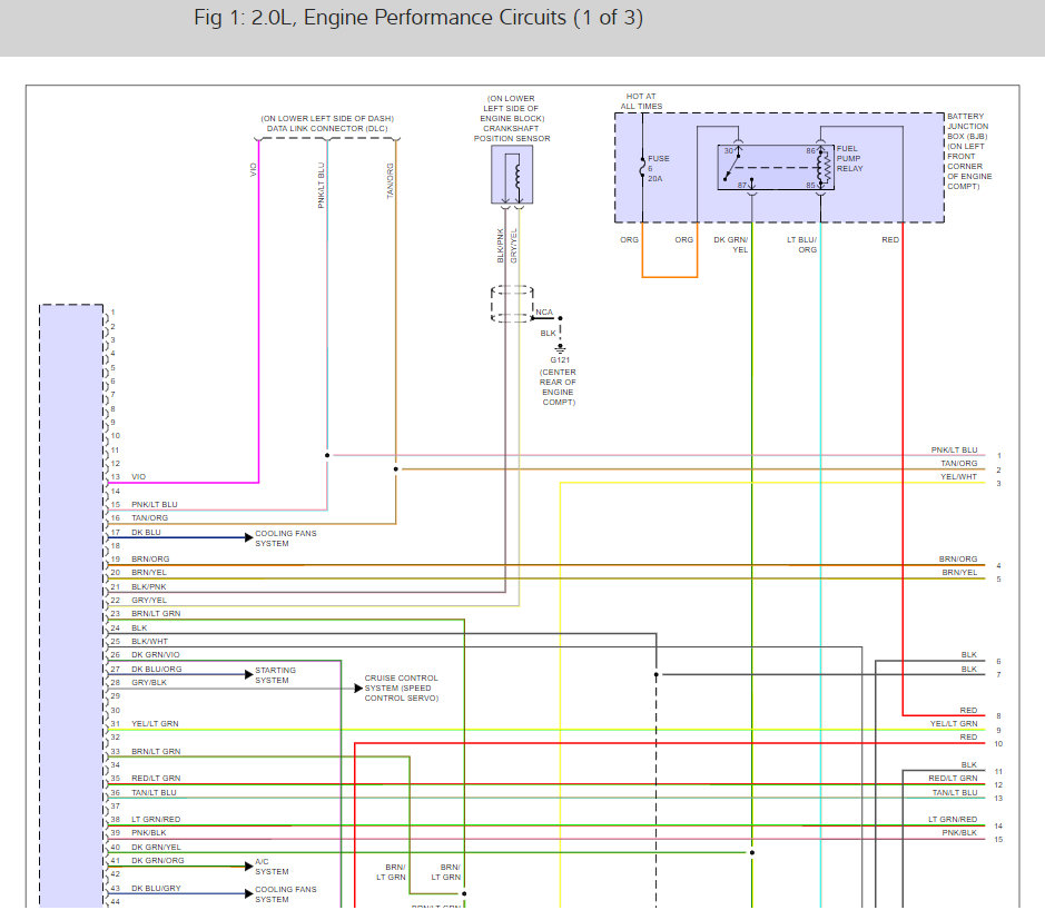
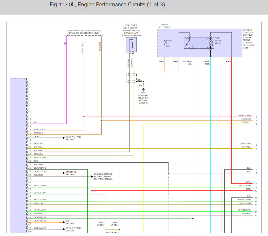
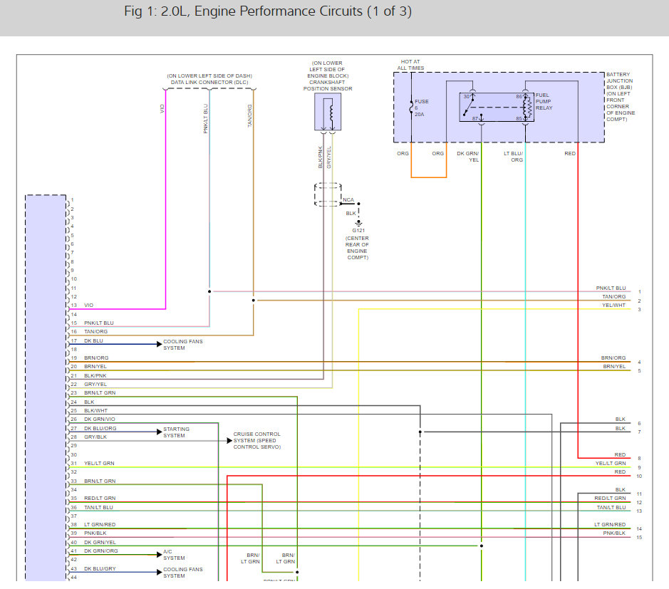
These diagrams include the PCM and all related sensors to run the engine including the fuel pump and for both the four and six cylinders in case anyone needs them.

Let us know what happens and please upload pictures or videos of the problem.

Cheers, Ken
Was this
answer
helpful?
Yes
No
Friday, November 17th, 2017 AT 1:28 PM
Tiny
F4I_GUY
  • MECHANIC
  • 3,302 POSTS
First thing you must do is scan for fault codes. I would not recommend just randomly performing resistance checks on circuits, that would be an extremely inefficient way of diagnosing.
Sometimes during swaps connectors are plugged into the wrong location, ground wires are left loose, etc. To help isolate which circuit is faulty you must scan the vehicle.

Does the vehicle crank?
Was this
answer
helpful?
Yes
No
Friday, November 17th, 2017 AT 1:30 PM
Tiny
CARLOSRUIZ
  • MEMBER
  • 2 POSTS
It does crank, I will check for trouble codes first.
Was this
answer
helpful?
Yes
No
Saturday, November 18th, 2017 AT 2:48 PM
Tiny
KEN L
  • MASTER CERTIFIED MECHANIC
  • 55,281 POSTS
Here is a guide to help you get the job done:

https://www.2carpros.com/articles/checking-a-service-engine-soon-or-check-engine-light-on-or-flashing

Please let us know what happens.

Cheers, Ken
Was this
answer
helpful?
Yes
No
Saturday, November 18th, 2017 AT 2:55 PM
Tiny
JAKALOPE
  • MEMBER
  • 4 POSTS
Ken,

Can you provide a source for the PCM diagrams provided in your earlier post? I am trying to troubleshoot cooling fan issues on my Mazda Tribute and the ones you have posted are fantastic. I have not been able to find anything like them online.

Thanks, Jared.
Was this
answer
helpful?
Yes
No
Friday, September 7th, 2018 AT 9:10 AM
Tiny
KEN L
  • MASTER CERTIFIED MECHANIC
  • 55,281 POSTS
Hi Jared,

Yes, I can help but you need to start a new question then PM me that you have and I will get you the diagrams. :)

Please post your new question here, you must be logged in:

https://www.2carpros.com/questions/new

Cheers, Ken
Was this
answer
helpful?
Yes
No
Friday, September 7th, 2018 AT 10:24 AM

Please login or register to post a reply.