Wednesday, December 25th, 2024 AT 6:24 PM
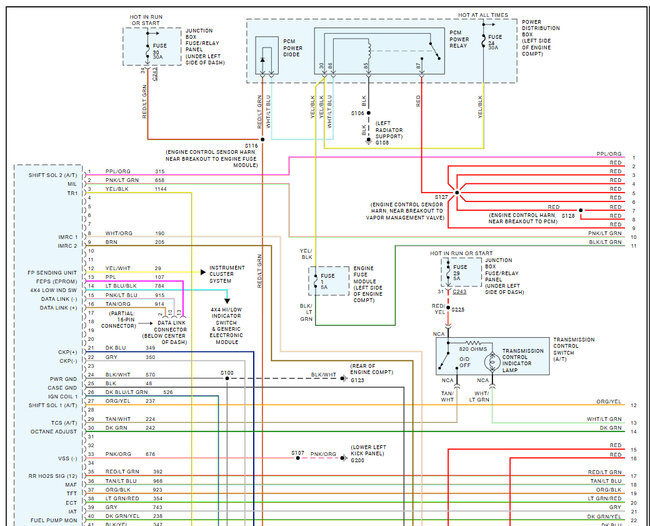
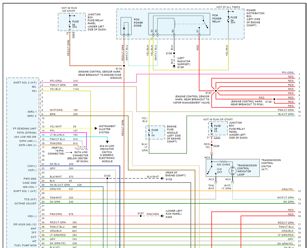
PCM is not powering up when I turn on the ignition switch. I replaced it with a new one but it still not working. At first, I thought it was the coil pack, so I replaced it still wouldn't start. Then replaced the crankshaft sensor and the cam sensor. Tracked it down to the no power to the PCM. Need help tracking down the problem.












