Pass-lock bypass

Tiny
CLAY FONTENOT2
  • MEMBER
  • 18 POSTS
Also I was just looking around the truck and found a burnt plug under the passenger side like under the glove box.
Was this
answer
helpful?
Yes
No
Sunday, August 23rd, 2020 AT 9:10 AM
Tiny
STEVE W.
  • MECHANIC
  • 15,672 POSTS
Well, that isn't a good thing, but it's connections like that that I mean. For instance there are at least 5 connections before the signal from the switch gets to the starting relay to make it click. One of those goes into the instrument panel harness, the next is under the dash on the passenger side going to the body control module. If another feed was on a wire next to it and got hot it could cause a problem.
Was this
answer
helpful?
Yes
No
Sunday, August 23rd, 2020 AT 1:52 PM
Tiny
CLAY FONTENOT2
  • MEMBER
  • 18 POSTS
Man this is getting frustrating! What would be the best thing for me to do?
Was this
answer
helpful?
Yes
No
Sunday, August 23rd, 2020 AT 6:39 PM
Tiny
STEVE W.
  • MECHANIC
  • 15,672 POSTS
Yeah, it can get that way quick. About the only way to find it would be to either trace the wire harness and look for damage or bad connectors. You might try a jumper wire from the start pin on the switch over to the correct pin on the body control module, that would bypass the connections. If it works every time you would know where the problem is. If not there then From the BCM out to the relay. Or if you could get a good scan tool on it you might be able to watch the switch modes to see if the BCM shows the start signal every time. Another possibility would be to see if a locksmith in your area could use their tools to do the relearn and at least eliminate that part of the problem, that would leave just the hunt for the starting issue.
Was this
answer
helpful?
Yes
No
Sunday, August 23rd, 2020 AT 7:22 PM
Tiny
CLAY FONTENOT2
  • MEMBER
  • 18 POSTS
Oh, that's what I will do. I will be in touch.
Was this
answer
helpful?
Yes
No
Sunday, August 23rd, 2020 AT 7:35 PM
Tiny
STEVE W.
  • MECHANIC
  • 15,672 POSTS
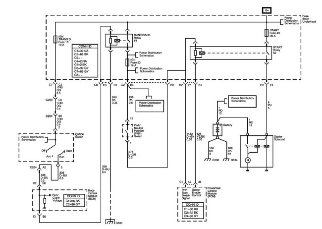
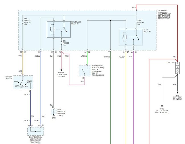
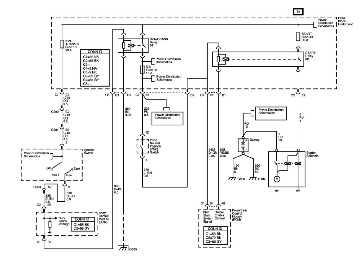
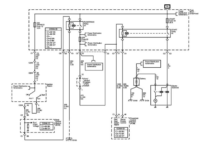
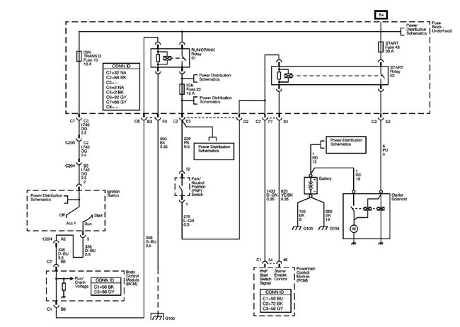
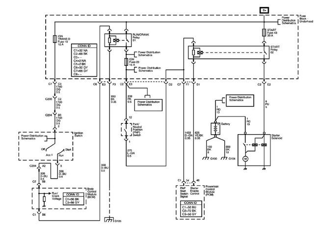
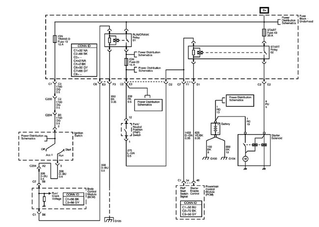
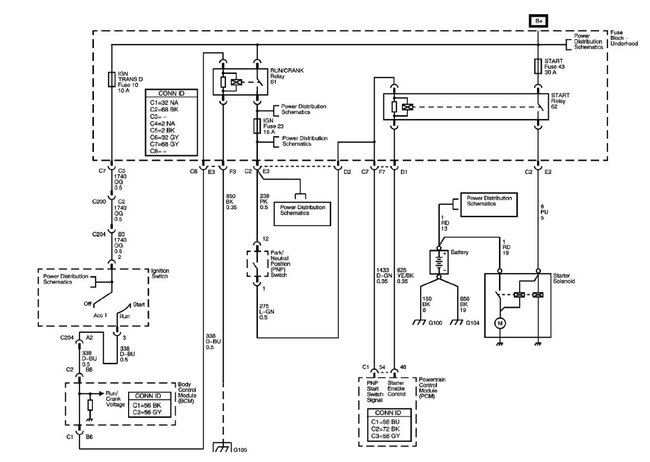
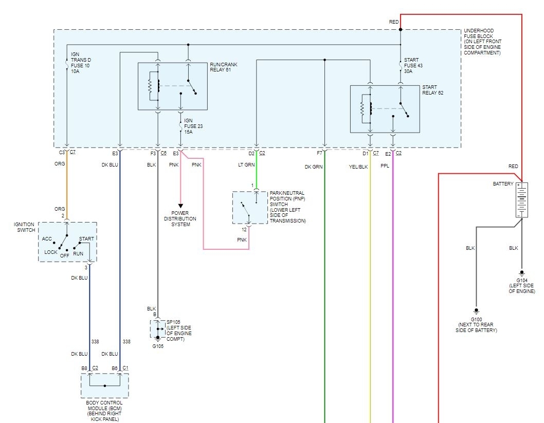
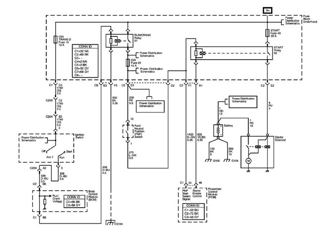
No problem. It can get to be a real pain trying to find issues in modern wiring. Things that should be simple get run through computers and modules and make it much harder. The attached are the wiring diagrams for the starting circuit.
Was this
answer
helpful?
Yes
No
Sunday, August 23rd, 2020 AT 8:18 PM
Tiny
CLAY FONTENOT2
  • MEMBER
  • 18 POSTS
Hey man how's going? Okay, so now that I got the hurricane out the way I think I did some good; I have got it to where when I turn the key to the on position the pass-lock light is on but when turn the key still nothing happens, but the light goes off.
Was this
answer
helpful?
Yes
No
Friday, August 28th, 2020 AT 10:41 AM
Tiny
STEVE W.
  • MECHANIC
  • 15,672 POSTS
Okay, that means it at least is seeing the key as valid. Now we need to figure out why the switch start signal isn't getting to the relay. For that, verify that the start pin 3 on the switch is sending battery voltage when you turn it to start. If it does then go to the Body Control module and verify that the same signal is there on pin B8 in connector2 If it is then great, if not then that wire is open someplace. If it's good then check pin B6 in connector number 1 for the same signal. If its there good, if not then the BCM has an internal problem as they should be linked. From there it goes out to the start relay. If no signal at the relay the wire has an issue.
Was this
answer
helpful?
Yes
No
Friday, August 28th, 2020 AT 1:49 PM

Please login or register to post a reply.