Pass-lock bypass

Tiny
CLAY FONTENOT2
  • MEMBER
  • 2005 CHEVROLET COLORADO
  • 3.5L
  • 5 CYL
  • 2WD
  • AUTOMATIC
  • 283,000 MILES
When I go to start my truck I put the key in the ignition and try to start it nothing happens. It doesn't turn to try and start. All my dash lights come on and a car with a padlock shows up on my dash.
Thursday, August 20th, 2020 AT 10:11 AM

28 Replies

Tiny
KASEKENNY
  • MECHANIC
  • 18,907 POSTS
Unfortunately there is no way to bypass this system. There are companies out there that say they can wipe your modules so this system is not active but I have not had success with this option.

I have found the best option is to figure out what the issue is and just fix it. I would suggest starting with checking for codes and then we can go from there. If there are codes then clearly that will point us in the right direction. If not, then we may need to just turn the key on in the ignition and let it sit for 30 minutes. Sometimes the system just locks you out and it requires this time out procedure.

Let me know what you find. Thanks

https://www.2carpros.com/articles/checking-a-service-engine-soon-or-check-engine-light-on-or-flashing
Was this
answer
helpful?
Yes
No
Thursday, August 20th, 2020 AT 1:05 PM
Tiny
STEVE W.
  • MECHANIC
  • 15,671 POSTS
When you turn the key what does the security light do? Flash or stay on steady. If it flashes with the key in or while trying to start the issue is related to the key, either it is not being recognized or is a bad key. If the light stays on steady while the key is in and you try to start it then there is a failed part in the passlock system itself, not related to the key.
Both will usually set a code in the security system to guide you to the fault.
As said above, the bypass options usually don't work and can do more damage than they help.
Was this
answer
helpful?
Yes
No
+1
Thursday, August 20th, 2020 AT 4:22 PM
Tiny
CLAY FONTENOT2
  • MEMBER
  • 18 POSTS
Okay, that's very helpful the light stays on when I turn the key.
Was this
answer
helpful?
Yes
No
+2
Thursday, August 20th, 2020 AT 6:51 PM
Tiny
KASEKENNY
  • MECHANIC
  • 18,907 POSTS
Good point Steve. If the light stays on when your turn the key then as Steve said, you have a hard fault in the system and there should be codes to go with it.

Best thing is to get it scanned and we can go from there.
Was this
answer
helpful?
Yes
No
Thursday, August 20th, 2020 AT 7:57 PM
Tiny
STEVE W.
  • MECHANIC
  • 15,671 POSTS
Okay, in that case and that it doesn't turn over when you turn the key I'm thinking it's the ignition switch or the housing itself that are the issue. If it was only the pass-lock system the light would stay on but the engine would turn over, pass-lock turns off the fuel pump only, it doesn't disable the starter. Inside the switch housing are a few plastic pieces that move as the key moves the internals, they tend to break and create problems. They are a common failure item. I prefer to use the OEM parts but there are some available after market. The biggest issue is that replacement key switches are only available as a complete housing switch, this is due to the internal parts being an issue.
There are a couple other issues to replacing it though, one is that once it is changed you need to reprogram that new part into the system using the 30 minute method. The other is that most of the upper part of the column has to come apart and the steering wheel removed to get into the housing if it is the failure item. This is a video on the process if you wish to do see what the job is like:
https://www.youtube.com/watch?v=JXkXuz1yuf8

The first part of the video covers testing if you wish to do that as well.
Was this
answer
helpful?
Yes
No
Thursday, August 20th, 2020 AT 9:32 PM
Tiny
CLAY FONTENOT2
  • MEMBER
  • 18 POSTS
Okay, so I replaced the pass-lock the black plastic piece, now the symbol is blinking when I turn the key.
Was this
answer
helpful?
Yes
No
Friday, August 21st, 2020 AT 12:06 PM
Tiny
STEVE W.
  • MECHANIC
  • 15,671 POSTS
Try the 30 minute relearn process in the video. It's in the image below. This is because that piece is now wrong in the eyes of the system and need the relearn performed.
Was this
answer
helpful?
Yes
No
Friday, August 21st, 2020 AT 4:02 PM
Tiny
CLAY FONTENOT2
  • MEMBER
  • 18 POSTS
I tried that and still nothing. I also changed the whole ignition switch and then did the 30 minute thing and still nothing.
Was this
answer
helpful?
Yes
No
Friday, August 21st, 2020 AT 5:18 PM
Tiny
STEVE W.
  • MECHANIC
  • 15,671 POSTS
The light is flashing correct not on solid? Does it now turn over? If so you will need a scan tool to program in the new reader, the 30 minute usually works but I've had a few that were temperamental about that method.
Was this
answer
helpful?
Yes
No
Friday, August 21st, 2020 AT 6:17 PM
Tiny
CLAY FONTENOT2
  • MEMBER
  • 18 POSTS
Okay, what exactly do I need to get and what exactly do I need to do with what I have to get? Lol and thanks for helping me with the issue by the way.
Was this
answer
helpful?
Yes
No
Friday, August 21st, 2020 AT 7:32 PM
Tiny
CLAY FONTENOT2
  • MEMBER
  • 18 POSTS
And it's still not turning over with the key. I can turn it over under the hood.
Was this
answer
helpful?
Yes
No
Saturday, August 22nd, 2020 AT 7:20 AM
Tiny
STEVE W.
  • MECHANIC
  • 15,671 POSTS
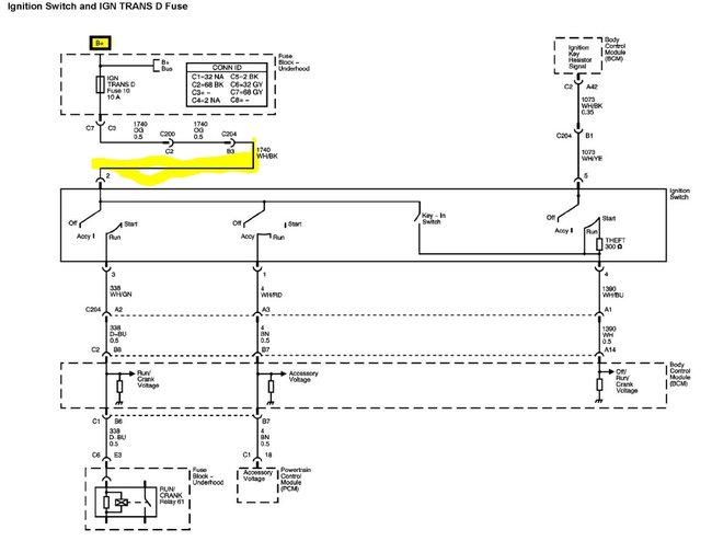
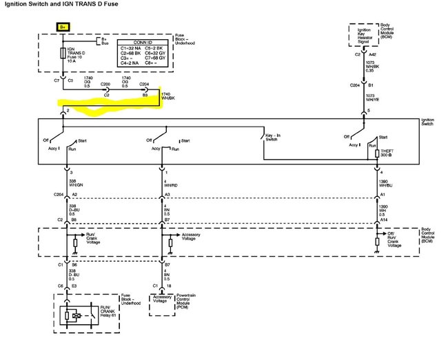
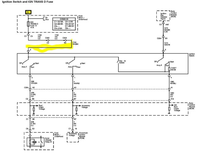
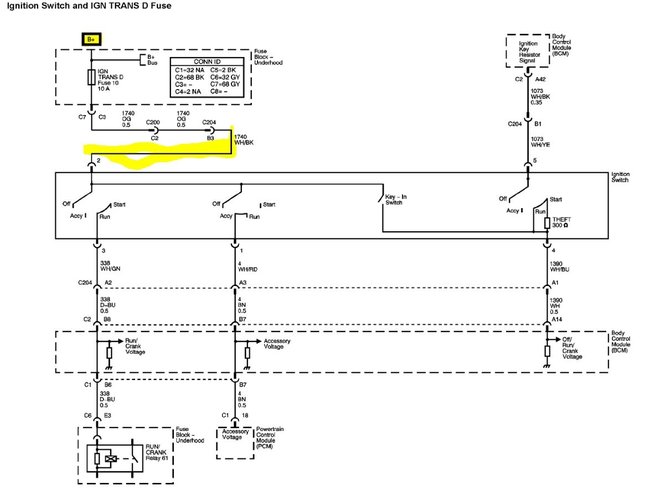
If the light is flashing but it isn't turning over with the key then you have two problems. One is the key isn't recognized which the relearn procedure or a scan tool can correct. The other is that there is still an issue with the ignition switch power, which is likely also why the relearn isn't working, it sounds like the body control module isn't getting the signal from the switch telling it to start.
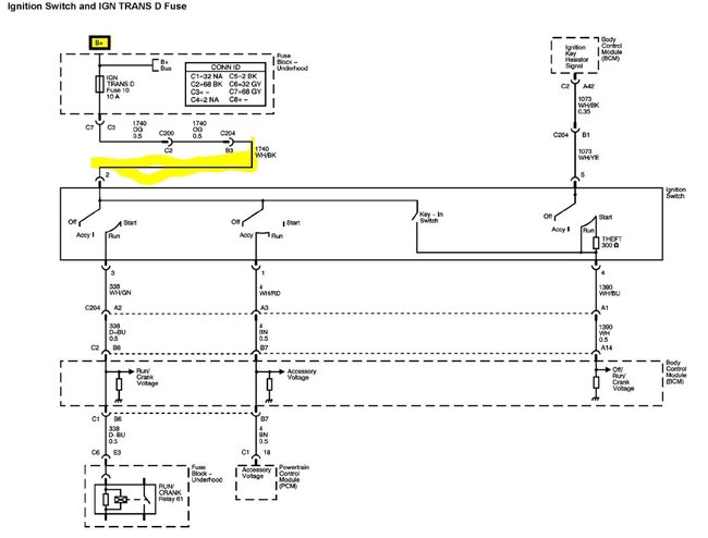
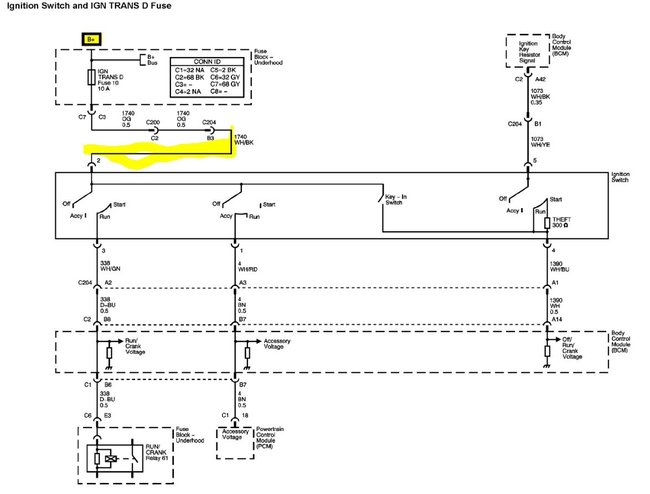
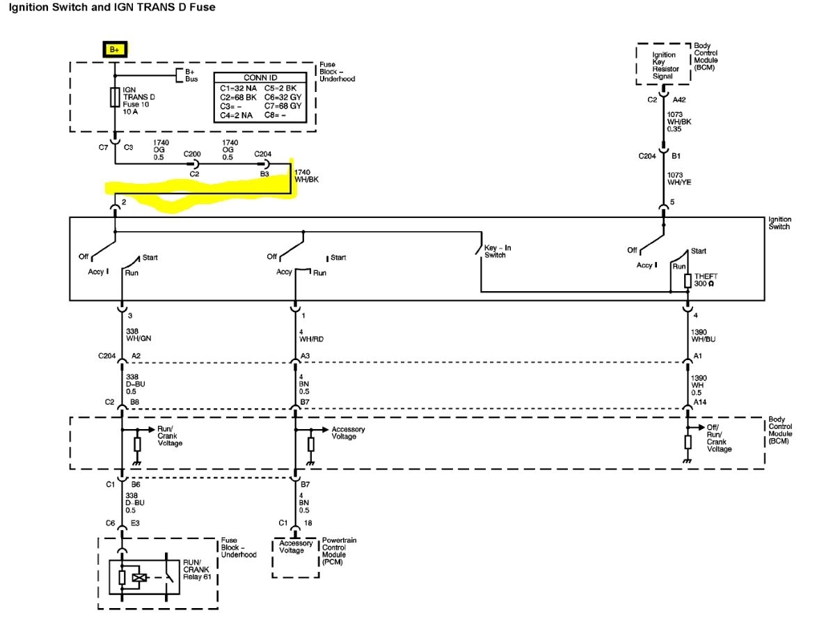
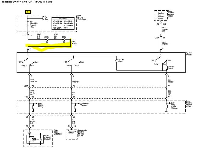
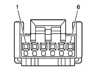
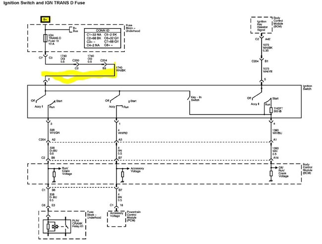
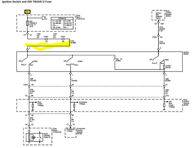
You say you can get it to crank under the hood, Are you doing that by jumping the relay? If so and you leave the key on, does it run a couple seconds and shut off? If it only cranks without trying to start the problem is more likely the run circuit from the switch not sending power. That circuit also tells the fuel pump to turn on and prime. To see if it may be the issue you can go to the run relay in the same box under the hood. See if you can jumper it and try to start it. Also check the IBN Trans D fuse (10am) in the same box for power.
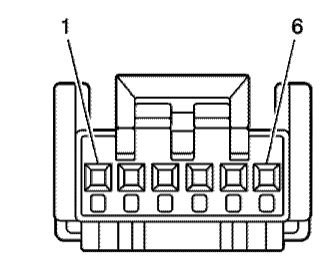
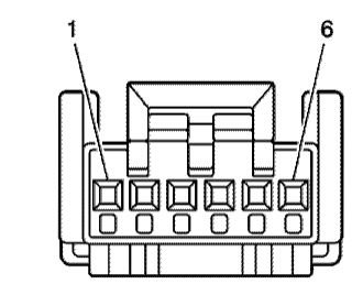
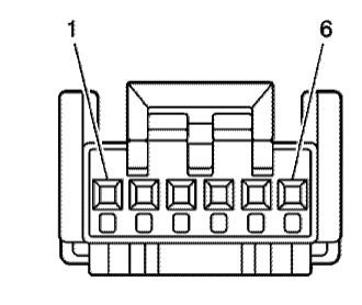
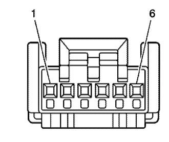
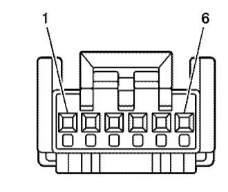
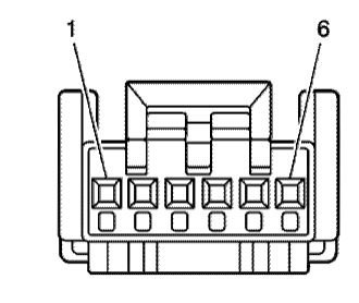
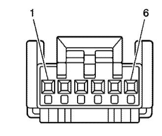
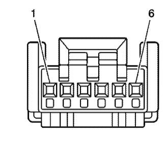
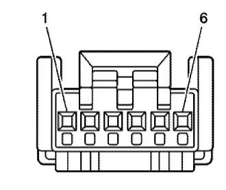
I attached the switch wiring functions below.
Pin 1- Battery voltage in accessory and run positions
Pin 2- Battery voltage constant
Pin 3- Battery voltage in run or start positions

Pin 4- Battery voltage with only key in, 5 volts with key in run position. Less than 5 volts volts in the start position. This is the signal for the key reader having the correct key.
Pin 5- Bias voltage from BCM - 5 volts

To test these you leave the connector in place but use a pin to probe the connections in place for the correct voltages.
In the above video that testing is in the first 6 minutes. If you have the correct voltages in each position then the issue is not in the switch now and is in the relays or wiring.
Was this
answer
helpful?
Yes
No
Saturday, August 22nd, 2020 AT 11:45 AM
Tiny
CLAY FONTENOT2
  • MEMBER
  • 18 POSTS
Okay, I will check all that and yes I get it to turn over from the relay but it does not crank just spins over. Also I went out and bought a scanner tool. I will try these things and get back with you.
Was this
answer
helpful?
Yes
No
Saturday, August 22nd, 2020 AT 11:57 AM
Tiny
CLAY FONTENOT2
  • MEMBER
  • 18 POSTS
I'm getting 11 volts on all, but the last I am getting 3 volts at the plug.
Was this
answer
helpful?
Yes
No
Saturday, August 22nd, 2020 AT 12:41 PM
Tiny
CLAY FONTENOT2
  • MEMBER
  • 18 POSTS
I'm sorry, the last two i'm getting 3 volts and 1 in all the others.
Was this
answer
helpful?
Yes
No
Saturday, August 22nd, 2020 AT 12:44 PM
Tiny
CLAY FONTENOT2
  • MEMBER
  • 18 POSTS
Okay, so I got it to start by jumping the relay but then it shuts off right away.
Was this
answer
helpful?
Yes
No
Saturday, August 22nd, 2020 AT 2:39 PM
Tiny
STEVE W.
  • MECHANIC
  • 15,671 POSTS
Check the battery voltage, the first three should be the same voltage as the battery as they are fed directly from it. If not then check the battery connections and grounds. GM grounds to the back of the engine and they can break or corrode. That would drop the voltage down and make the system temperamental. Toss a charger on it and see if you get the same voltage at the switch as at the battery.
The shutting down fast is due to the unrecognized switch it means that once the no crank is repaired it should start, and it will also complete the relearn.
Was this
answer
helpful?
Yes
No
Saturday, August 22nd, 2020 AT 4:04 PM
Tiny
CLAY FONTENOT2
  • MEMBER
  • 18 POSTS
Okay, I will check that. I got it starting well turning over with the key should I say, but it will turn over with the key like 3 or 4 times then it wont do it anymore.
Was this
answer
helpful?
Yes
No
Saturday, August 22nd, 2020 AT 4:18 PM
Tiny
STEVE W.
  • MECHANIC
  • 15,671 POSTS
You mean the key will work but only a few times then it stops working? When it stops working what happens when you turn it, clicking? Nothing? If you have someone turn the key after it stops can you feel the relay clicking? That sounds like a bad or corroded connection in any case. They will act that way.
Was this
answer
helpful?
Yes
No
Sunday, August 23rd, 2020 AT 3:27 AM
Tiny
CLAY FONTENOT2
  • MEMBER
  • 18 POSTS
Yes, when turn the key it clicks from the fuse box one time. What connection do you mean?
Was this
answer
helpful?
Yes
No
Sunday, August 23rd, 2020 AT 9:09 AM

Please login or register to post a reply.