Passenger side window not working

2008 FORD F-150
175,000 MILES • V8 • 2WD
Avatar
NASER NASER
  • MEMBER
  • 836 POSTS
Window doesn't roll up or down whether using the passenger or driver side switches. All others work. Do they have a separate fuse?
Apr 18, 2020 at 11:59 AM
Repair Safety Notice: This information is for general instructional purposes only. Vehicle repair can be dangerous. Verify all information, follow manufacturer service procedures, use proper tools and safety equipment, and consult a qualified repair shop when needed.
Advertisement
Avatar
KASEKENNY
  • AUTOMOTIVE REPAIR CONTRIBUTOR
  • 18,907 POSTS
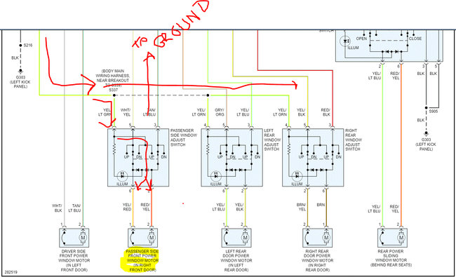
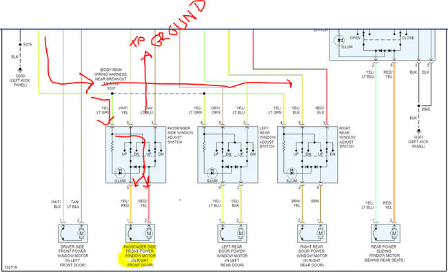
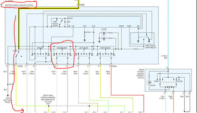
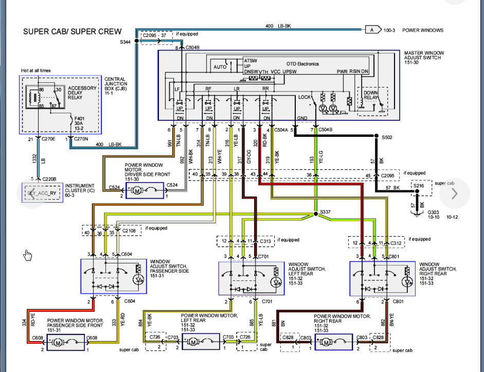
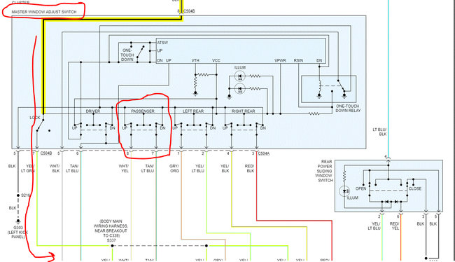
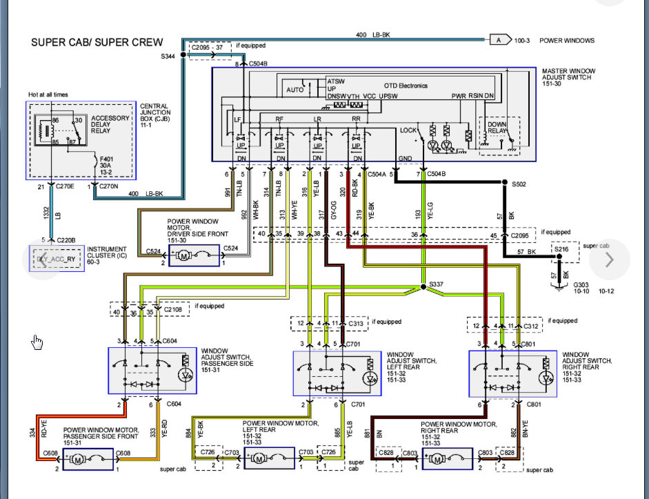
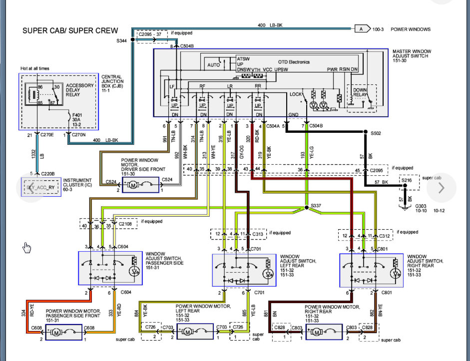
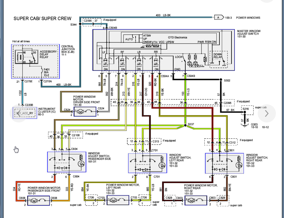
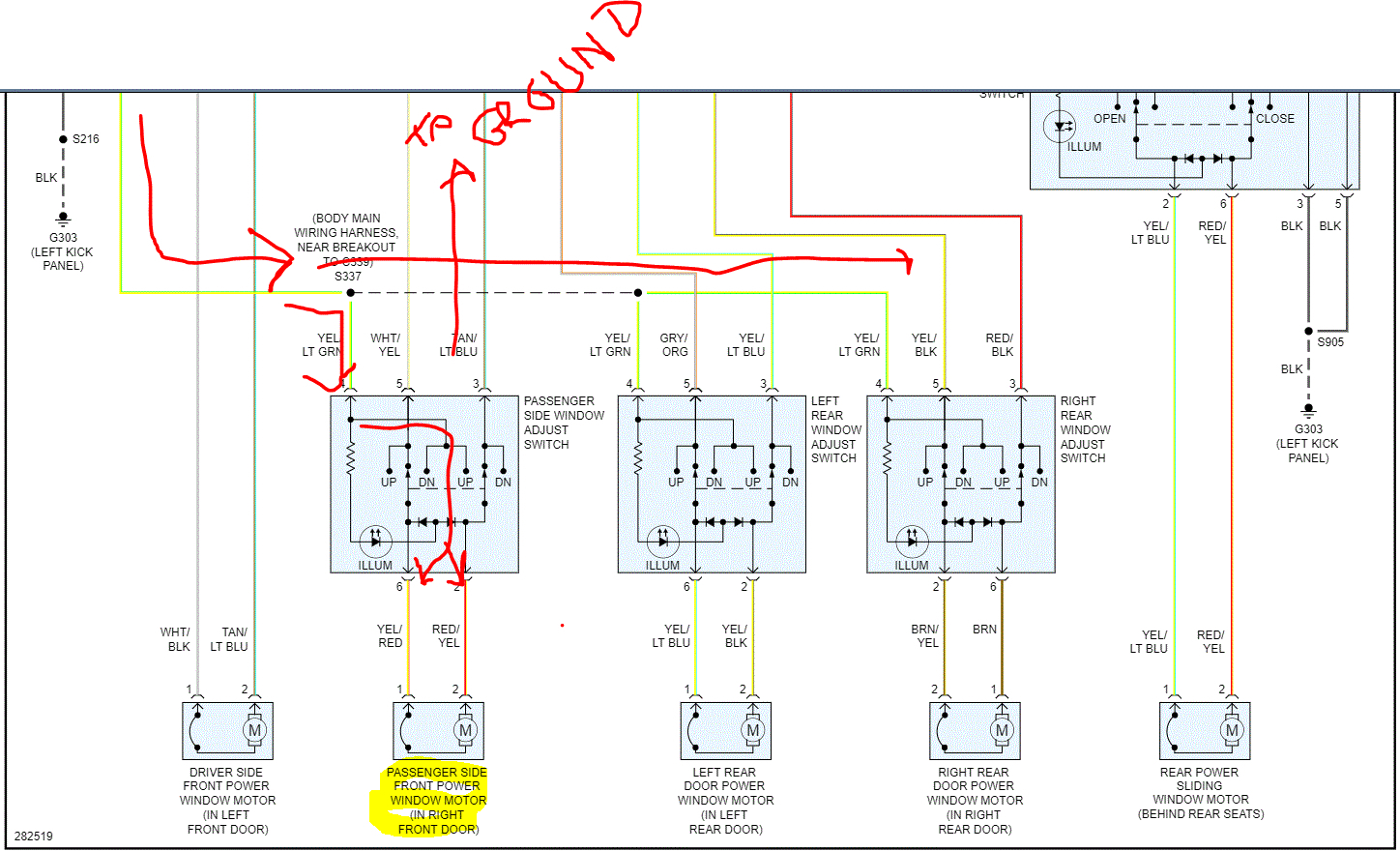
Here is the wiring diagram. They do not have a separate fuse but all the windows run through the master switch. Take a look at the testing I attached as well. The first page of it give a good description of normal operation which will help figure out what the issue is.

However, to get the window up now, jump the yellow/light green wire to the red/yellow wire. That will get the window up if you need it until you can get to it and figure out the issue.

Let me know if you have questions running through the testing. However, if the motor doesn't work when you jump it then most likely the motor is the issue.
Apr 18, 2020 at 6:43 PM
Advertisement
Avatar
JACOBANDNICKOLAS
  • AUTOMOTIVE REPAIR CONTRIBUTOR
  • 110,190 POSTS
Hi,

I will try my best to explain how the system works. First, if you have power to all windows but one, the fuse is good and there are no other fuses.

Now, here is where people get confused. There is power to all window switches all the time when the key is on. How they work is this. When you select up or down, the switch provides a ground allowing the motor to run.

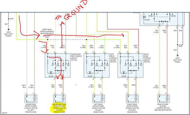
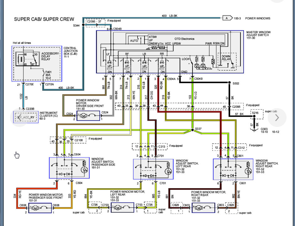
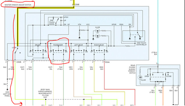
I have attached three pics below. They are from the wiring schematic of the system. I have placed an arrow showing the direction of power flow. You will see it all starts at a circuit breaker, then to the main switch (driver's side), then through the window lock switch. If the switch is in the lock position, no power goes to the other switches. Once you unlock that switch, it sends power to the others.

Next, once power is in the switch, it is distributed to the motor. Here is where it's tricky. There are only two wires at each motor. If the switch is in the up position, power goes through one of those two wires and ground is provided through the other. If down is selected, power is provided through the opposite wire ( changing polarity ) and ground then goes through the opposite one. By changing the directions of power flow, you change the polarity in the motor causing it to run different directions.

The last pic is (and I'm sorry for the sloppy writing) shows how power is then sent to ground via the switch.

Now based on your problem, either you have a bad motor or a bad switch at that door. The only other thing I can see that could be wrong would be if the splice for power to the passenger side switch came loose. However, I suspect that would cause failure to the rear windows because power is supplied through the same wire. If it was a bad ground or wiring issue, the other windows (rear) wouldn't work either. What I will need you to do is this. Simply see if there is power to the motor when the switch is in the up or down position. If there is, replace the motor. If there isn't, replace the switch.

Here are a few links you may find helpful:

https://www.2carpros.com/articles/how-to-use-a-test-light-circuit-tester

https://www.2carpros.com/articles/how-to-use-a-voltmeter

https://www.2carpros.com/articles/how-to-check-wiring

____________________________________

Let me know if what I said makes sense or if you have questions. Also, if you have the chance, let me know what you find.

Take care,
Joe

Apr 18, 2020 at 6:57 PM
Avatar
NASER NASER
  • MEMBER
  • 836 POSTS
Makes a lot of sense. Thanks to you both.
Apr 18, 2020 at 7:40 PM
Avatar
NASER NASER
  • MEMBER
  • 836 POSTS
Forgot to add that the power unlock/lock doesn't work when using the switch on the master switch.
Apr 18, 2020 at 9:28 PM
Avatar
JACOBANDNICKOLAS
  • AUTOMOTIVE REPAIR CONTRIBUTOR
  • 110,190 POSTS
I'm glad you were able to understand my rambling. Ugh!!! I get started and then sometimes feel like I confuse people.

As far as the door lock, I don't think they are related. However, and I hate to ask, could you please start a new thread with that question. We would be happy to help. We are just trying to keep the links specific to one topic so it is more helpful to others. I hope you understand.

Take care,
Joe
Apr 18, 2020 at 10:19 PM