Running lights on my front passenger side do not come on?

Tiny
EDASHLEY
  • MEMBER
  • 2014 CHEVROLET SILVERADO
  • 5.3L
  • V8
  • 4WD
  • AUTOMATIC
  • 127,000 MILES
My (yellow) running lights on my front passenger side do not come on. They will flash when I lock or unlock the truck. They will work when using the turning signal but will not stay on at night or daytime. The driver's side works as they should.
Wednesday, February 8th, 2023 AT 6:31 PM

3 Replies

Tiny
KEN L
  • MASTER CERTIFIED MECHANIC
  • 55,065 POSTS
There is a PRK LMP RT fuse that needs to be checked in the fuse panel under the hood, here is a guide to help and the fuse location as well. Also, the BCM runs the system and has many fuses check please check all fuses in the under-hood and the left fuse panel under the dash with the key on, engine off.

https://www.2carpros.com/articles/how-to-check-a-car-fuse

If the fuse are good, it looks like the BCM went out which you can get a rebuilt -preprogrammed unit by searching google or eBay. You can confirm the issue by doing a CAN scan.

https://www.2carpros.com/articles/can-scan-controller-area-network-easy

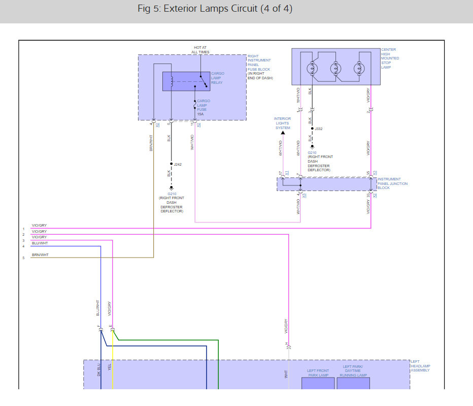
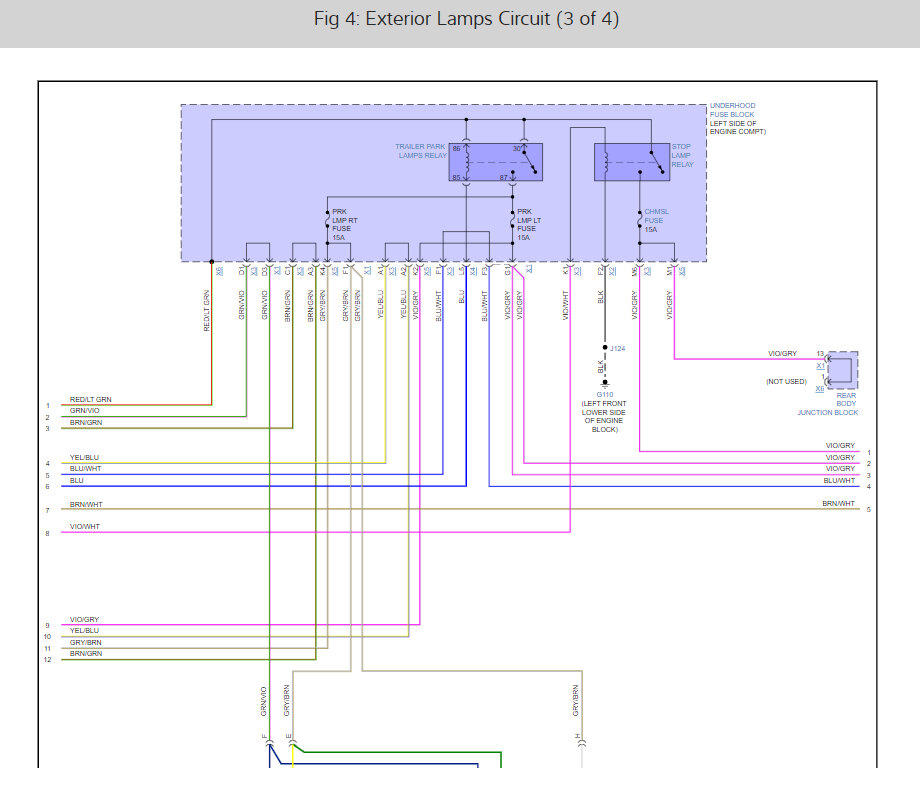
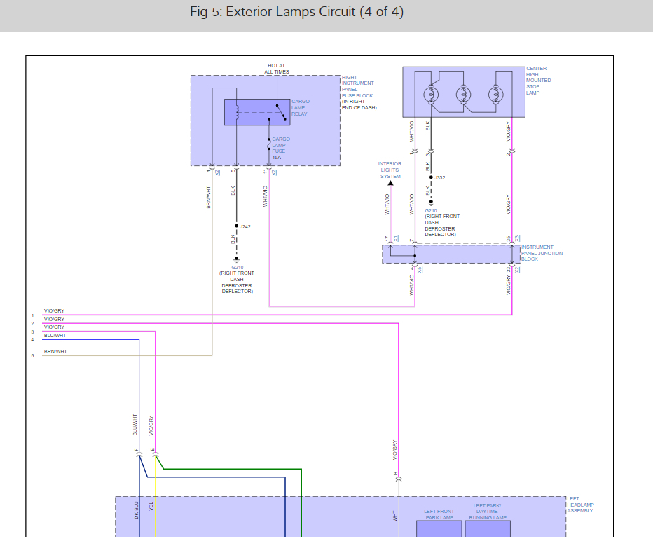
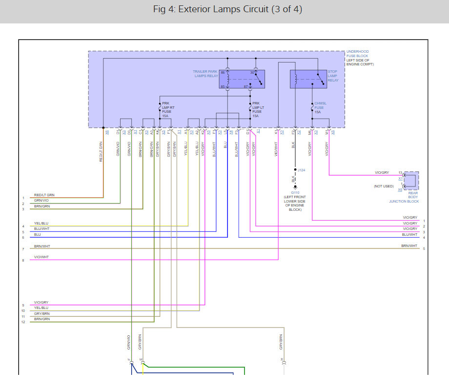
Here is how to change the BCM out and I have included the headlight and running light wiring diagrams so you can see how the system works with the BCM. Check out the images (below). Please let us know what happens.
Was this
answer
helpful?
Yes
No
Thursday, February 9th, 2023 AT 11:45 AM
Tiny
EDASHLEY
  • MEMBER
  • 2 POSTS
What scan tool would be best to check the BCM modules?
Was this
answer
helpful?
Yes
No
Wednesday, March 1st, 2023 AT 4:28 PM
Tiny
KEN L
  • MASTER CERTIFIED MECHANIC
  • 55,065 POSTS
The CAN scanner which is motioned above will scan the BCM.
Was this
answer
helpful?
Yes
No
Thursday, March 2nd, 2023 AT 6:50 PM

Please login or register to post a reply.