Passenger side low beam headlights not working

2013 CHEVROLET SILVERADO
101,652 MILES • V8 • 2WD • AUTOMATIC
Avatar
ROBERTNOONER
  • MEMBER
  • 1 POST
Passenger side low beam went out. I replaced driver and passenger side low beam lights. Passenger side still will not come on.
Jul 31, 2018 at 10:14 AM
Repair Safety Notice: This information is for general instructional purposes only. Vehicle repair can be dangerous. Verify all information, follow manufacturer service procedures, use proper tools and safety equipment, and consult a qualified repair shop when needed.
Advertisement
Avatar
JACOBANDNICKOLAS
  • CAR REPAIR CONTRIBUTOR
  • 110,190 POSTS
Hi and thanks for using 2CarPros.Com.

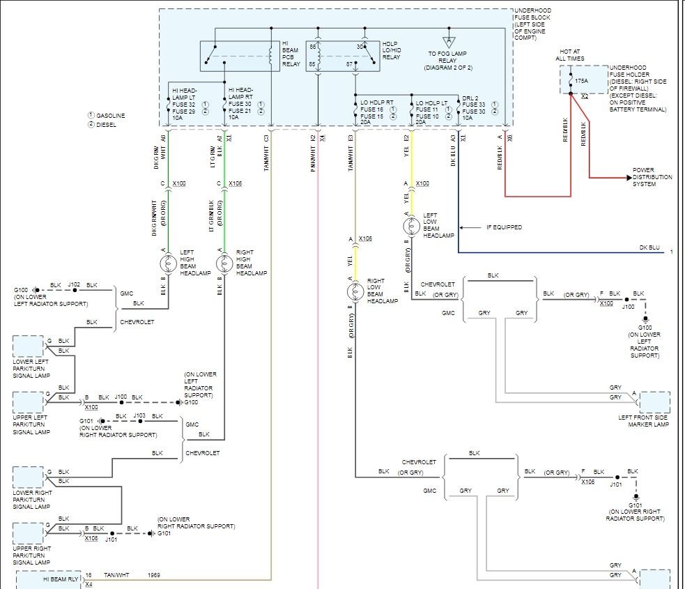
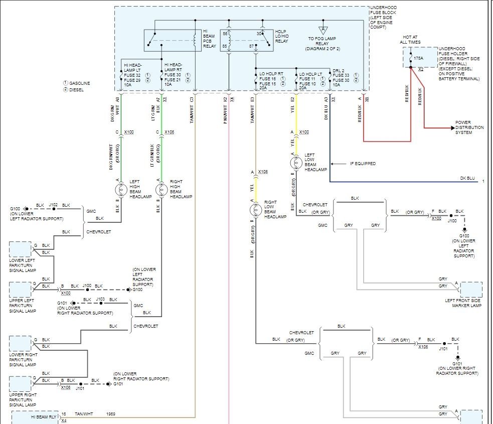
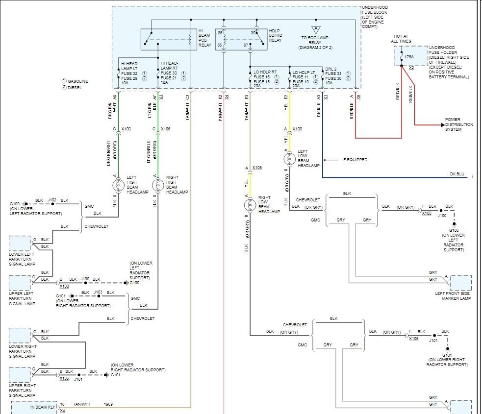
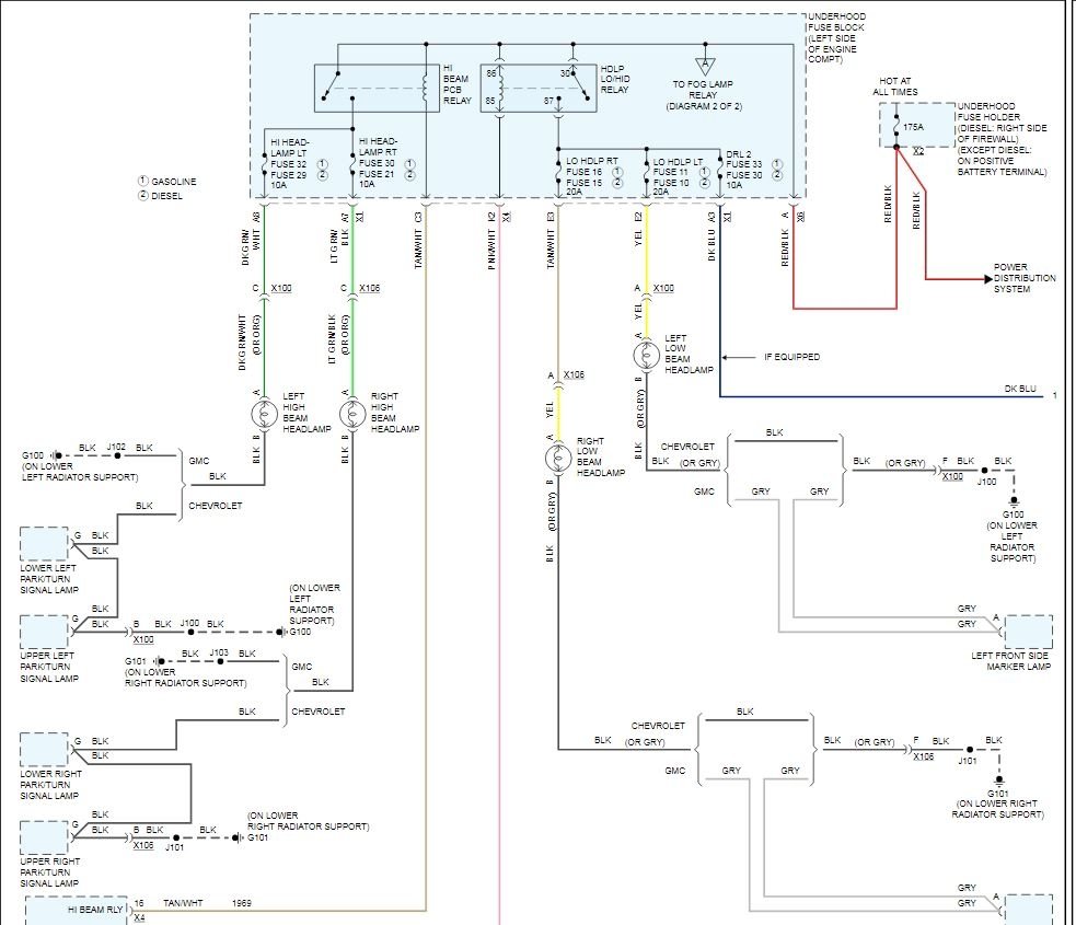
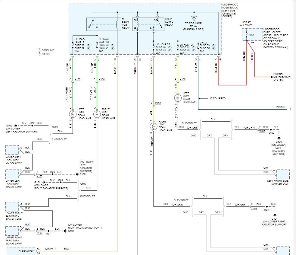
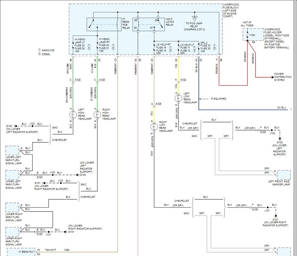
The first thing I recommend checking is the fuse. On these vehicles, high beam, low beam, left, and right, have their own fuses. Since it is the passenger side, that is considered the right? I attached a picture of the fuse box under hood of your vehicle. I need you to check fuse number 16. That is for the passenger side low beam.

Here is a link which discusses fuses, how to check them, and what the different types look like:

https://www.2carpros.com/articles/how-a-car-fuse-works

Here is a link which discusses how to check and replace one:

https://www.2carpros.com/articles/how-to-check-a-car-fuse

Picture 1 is the fuse box under hood specific to your vehicle. Look at the picture, locate number 16 and then locate it in the truck. Once you locate it, then you can check it.

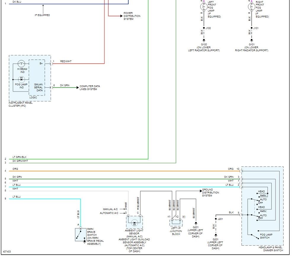
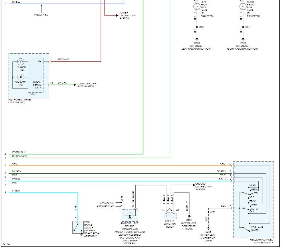
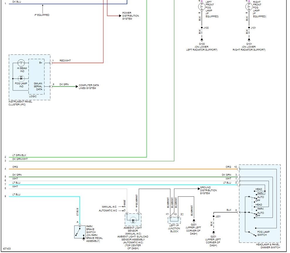
Pictures 2, 3, and 4 are the legend for what each fuse does. You will see that each light and beam choice has its own fuse,

I hope this is helpful. If you find the fuse isn't bad and there is power to it, let me know.

Take care,
Joe

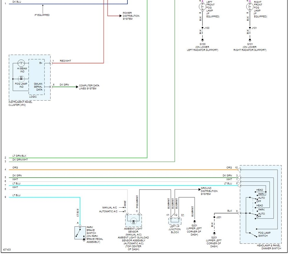
Also attached below are the wiring diagrams for your headlights
Jul 27, 2020 at 5:29 PM
Advertisement