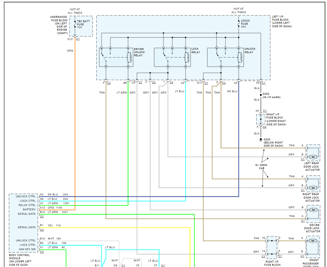
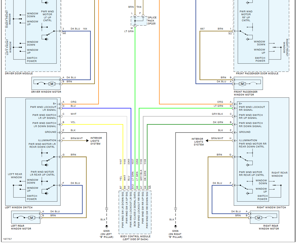
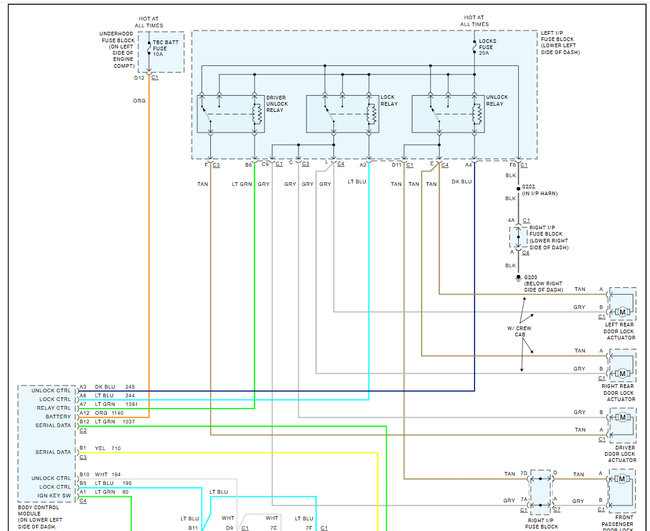
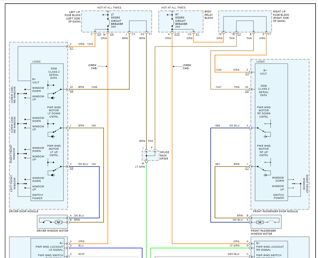
Passenger right side door complete wiring hardness diagram PDM needed?

Tiny
RG69
  • MEMBER
  • 2003 GMC SIERRA
  • 4.8L
  • V8
  • 2WD
  • AUTOMATIC
  • 180,000 MILES
Looking for front passenger side door wiring diagram layout complete pdm.
Saturday, March 22nd, 2025 AT 3:44 PM

3 Replies

Tiny
KEN L
  • MASTER CERTIFIED MECHANIC
  • 55,522 POSTS
Hello,

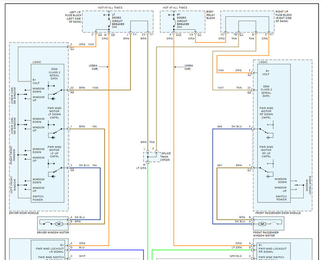
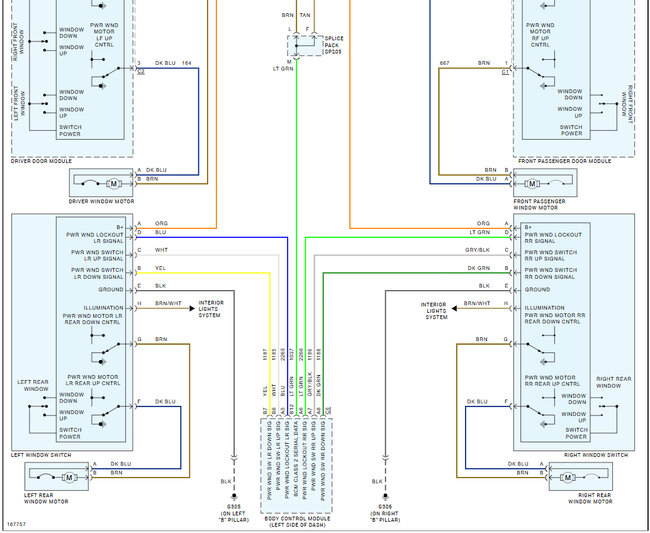
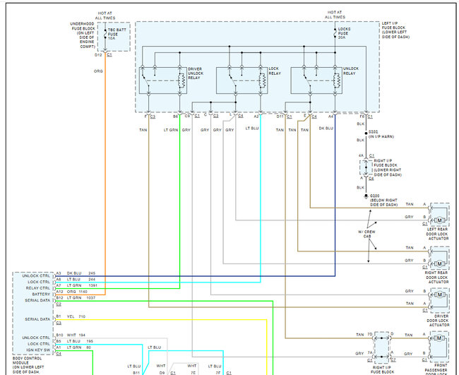
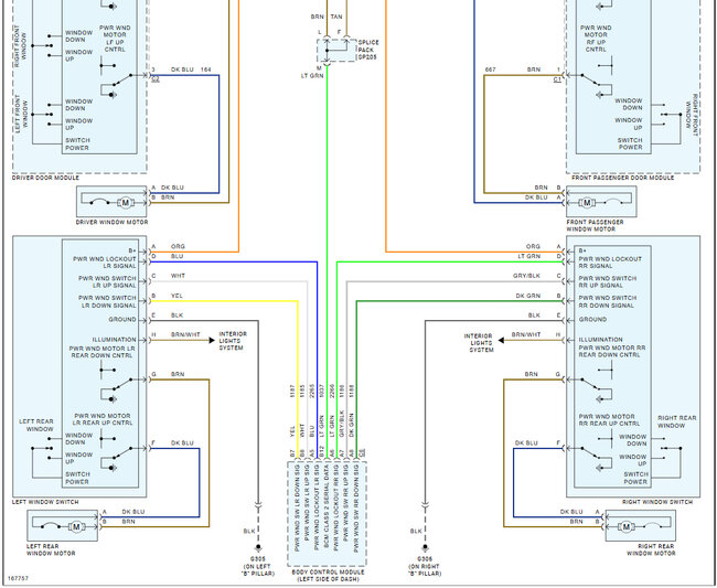
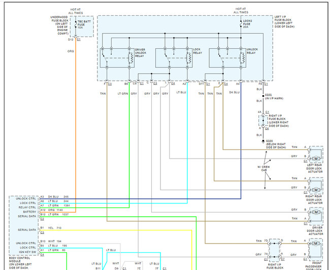
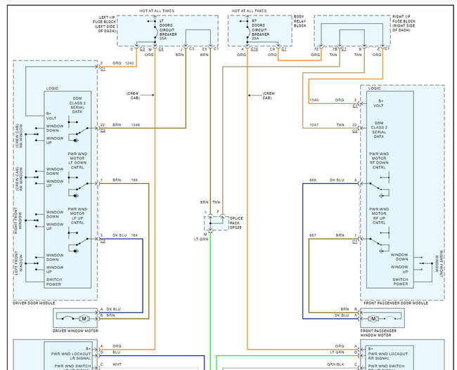
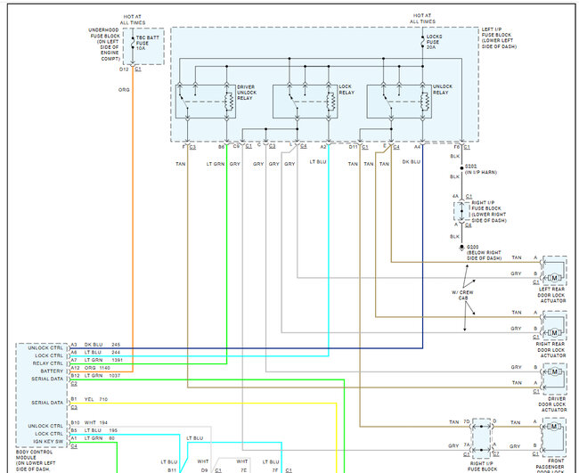
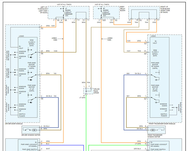
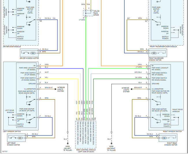
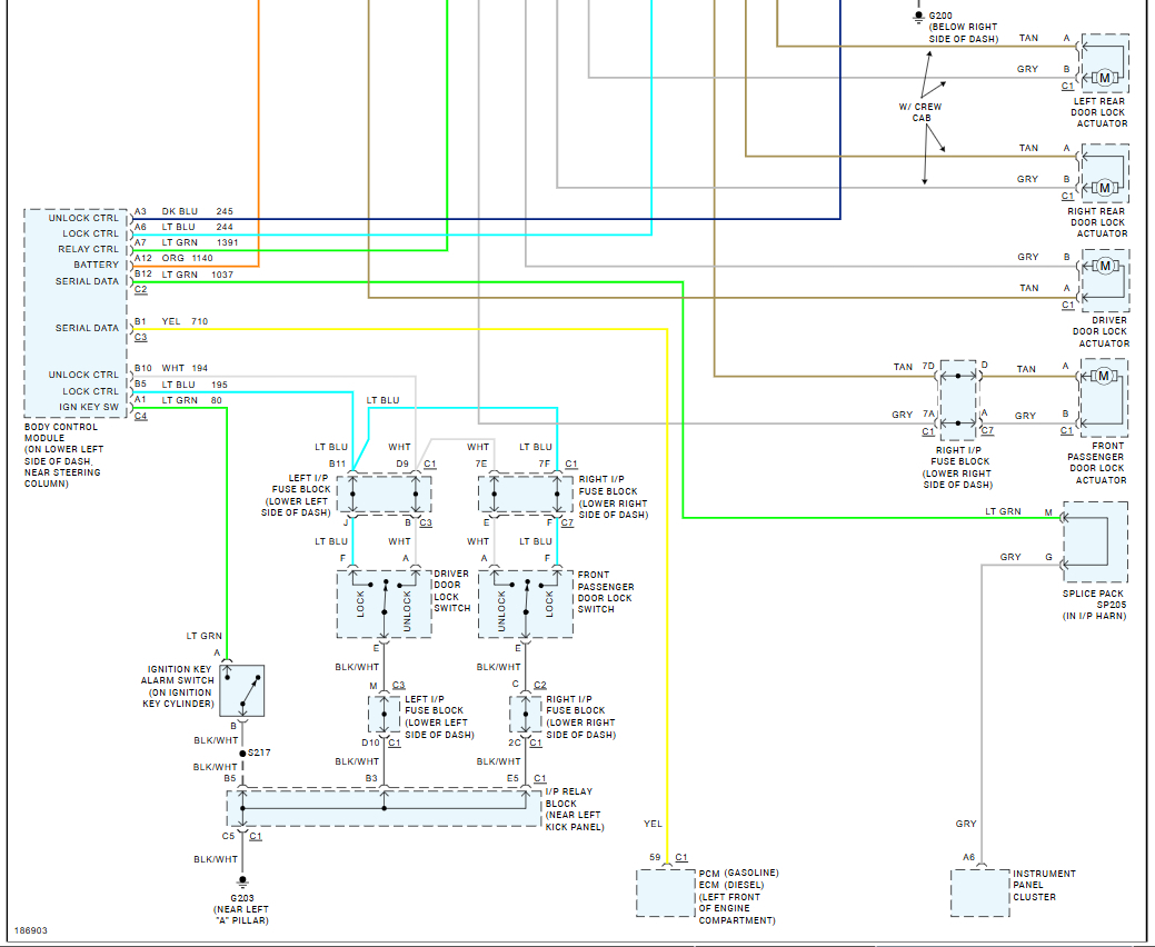
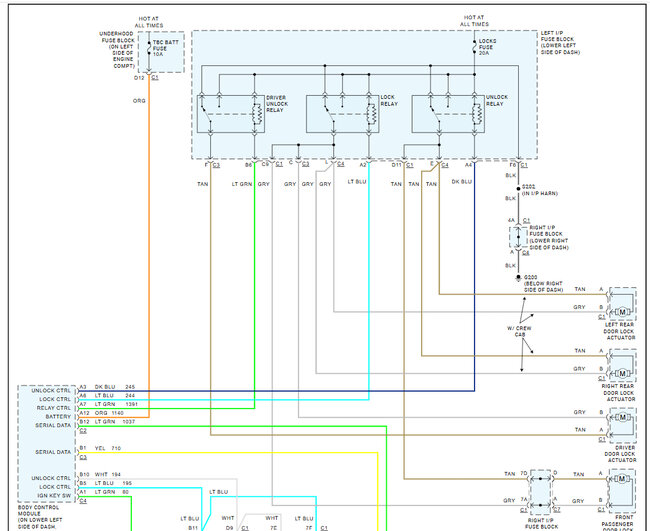
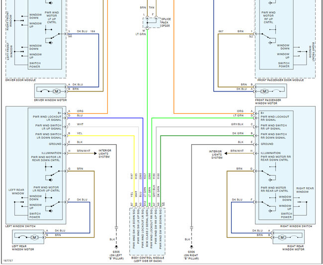
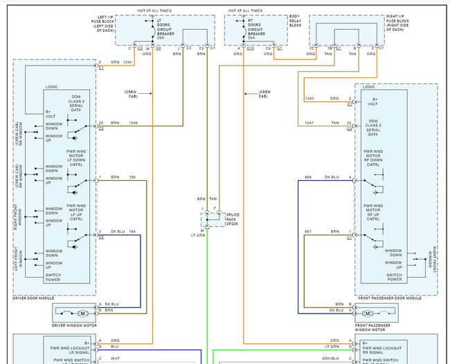
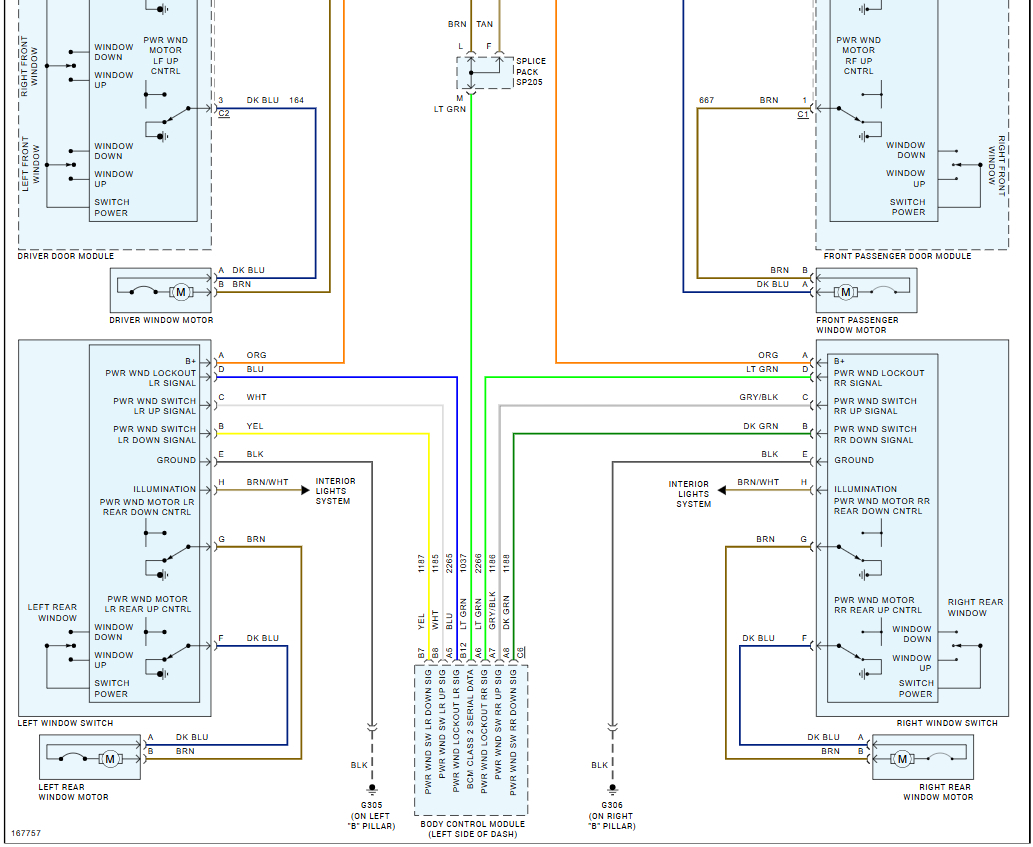
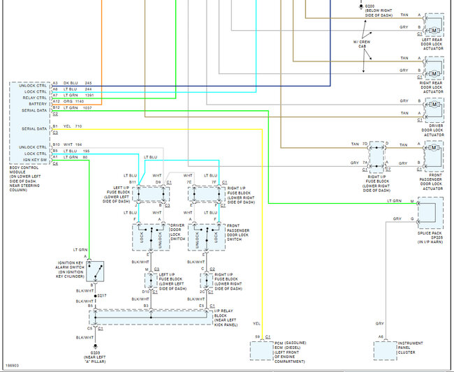
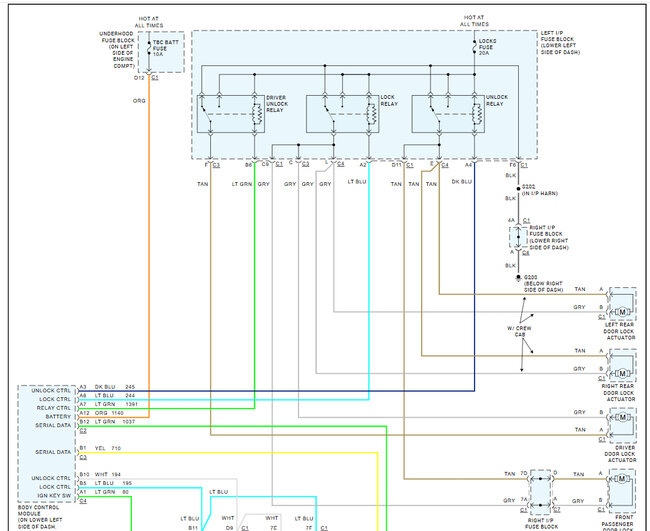
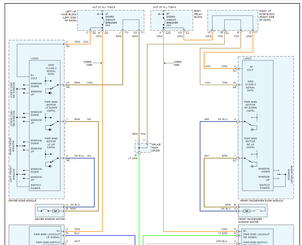
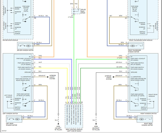
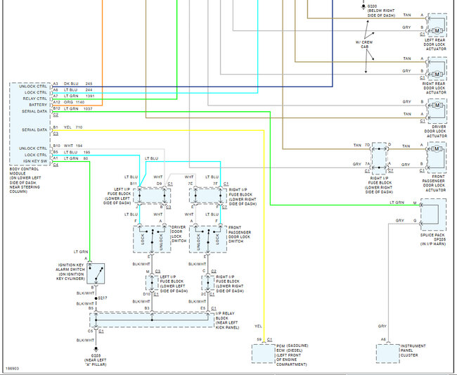
Here are the wiring diagrams for the door locks, window and PDM. Also, I have included a guide to help you with any testing you may need.

https://www.2carpros.com/articles/how-to-check-wiring

Check out the images (below). Let us know if you need anything else.

Was this
answer
helpful?
Yes
No
Sunday, March 23rd, 2025 AT 10:16 AM
Tiny
RG69
  • MEMBER
  • 1 POST
Thanks for your helpful ideas and advice, but I need 'Free' app that I can get free access to diagrams and any other shared information about helping consumers like me without having to pay for or sign up for monthly or yearly subscription contract co-payment plan! I just need help and some questions to ask if anything is "Free" of charge information, we're all trying to save a few bucks!
Was this
answer
helpful?
Yes
No
Wednesday, March 26th, 2025 AT 12:57 PM
Tiny
KEN L
  • MASTER CERTIFIED MECHANIC
  • 55,522 POSTS
I hear ya, I don't know of anything free as far as wiring diagram except this site.
Was this
answer
helpful?
Yes
No
Thursday, March 27th, 2025 AT 8:38 AM

Please login or register to post a reply.