Passenger headlight not working

Tiny
ANNA HARTY
  • MEMBER
  • 2012 CHEVROLET CAMARO
  • 3.6L
  • V6
  • 2WD
  • AUTOMATIC
  • 76,000 MILES
Light went out, changed it but still not working.
Sunday, April 19th, 2020 AT 6:06 PM

3 Replies

Tiny
JACOBANDNICKOLAS
  • MECHANIC
  • 110,192 POSTS
Hi,

Each side and each beam selection has its own fuse. Have you checked fuses? If you look at the two pics I attached, I highlighted all four fuses for the headlamps. In pic 2, I attached a copy of the under hood fuse box and highlighted both fuses related to the right side, passenger side. If you haven't, check those first.

Here are a few links you may find helpful:

https://www.2carpros.com/articles/how-to-check-a-car-fuse

_________________________________

Let me know what you find or if you have other questions.

Take care,
Joe
Was this
answer
helpful?
Yes
No
Sunday, April 19th, 2020 AT 7:09 PM
Tiny
ANNA HARTY
  • MEMBER
  • 4 POSTS
I have checked the fuses and also did a circuit test on it, and still doesn't work. At this point do I need to bring it into a dealership?
Was this
answer
helpful?
Yes
No
Monday, April 20th, 2020 AT 10:03 AM
Tiny
KEN L
  • MASTER CERTIFIED MECHANIC
  • 55,322 POSTS
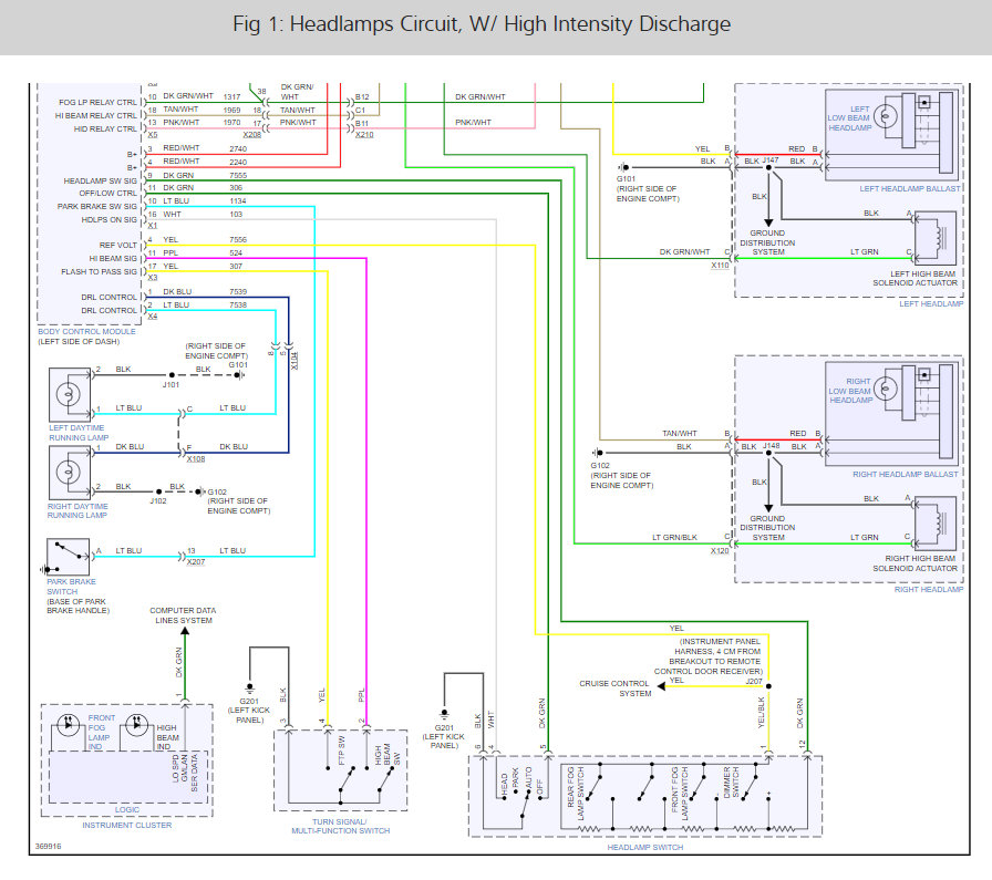
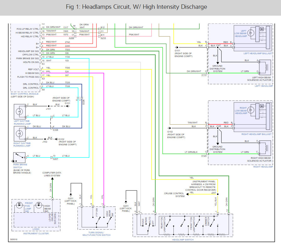
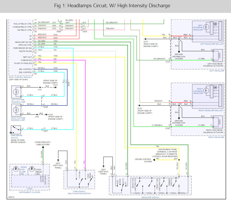
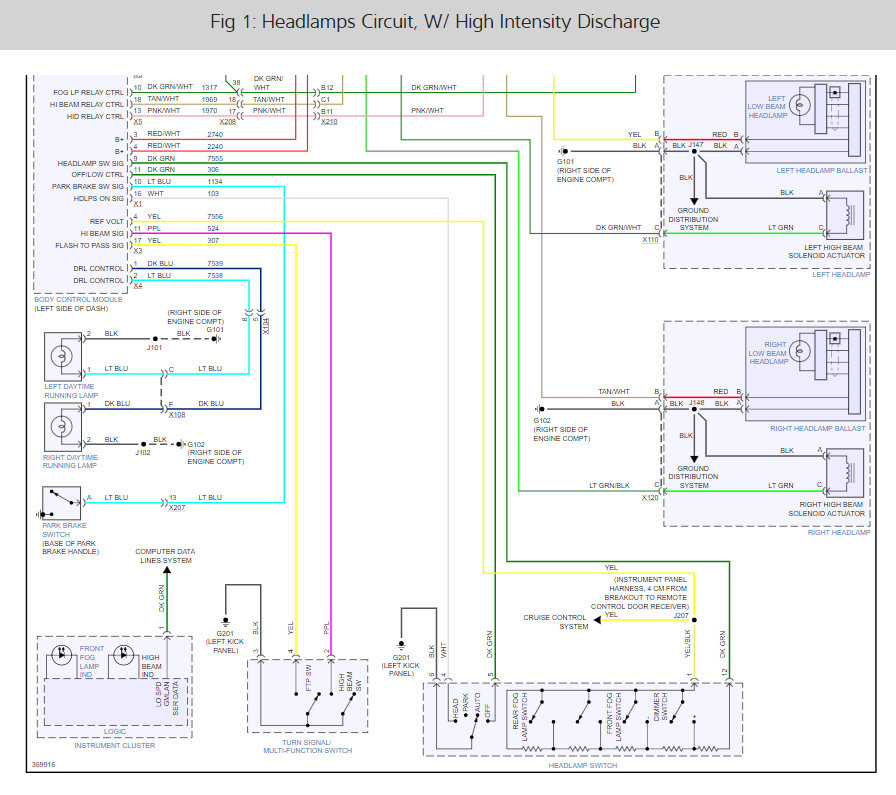
Does this have high intensity headlights? If so it could be the ballast that has gone out. Here is the headlight wiring diagrams so you can see how the system works. If okay the BCM has gone out here is how you can replace it.

Body Control Module Programming and Setup

Special Tools

* EL-49642 - SPS Programming Support Tool

* EL-46079 - Tire Pressure Monitor Diagnostic Tool

For equivalent regional tools, refer to Special Tools See: Computers and Control Systems > Electrical / Mechanical Repair > Special Tools.

Note:

* DO NOT program a control module unless directed to by a service procedure or a service bulletin. If the ECU is not properly configured with the correct calibration software, the ECU will not control all of the vehicle features properly.

* Ensure the programming tool is equipped with the latest software and is securely connected to the data link connector. If there is an interruption during programming, programming failure or ECU damage may occur.

* Stable battery voltage is critical during programming. Any fluctuation, spiking, over voltage or loss of voltage will interrupt programming. Install the EL-49642 - SPS Programming Support Tool to maintain system voltage. If not available, connect a fully charged 12 V jumper or booster pack disconnected from the AC voltage supply. DO NOT connect a battery charger.

* Turn OFF or disable systems that may put a load on the vehicles battery such as; interior lights, exterior lights (including daytime running lights), HVAC, radio, etc.

* During the programming procedure, follow the SPS prompts for the correct ignition switch position.

* Clear DTCs after programming is complete. Clearing power-train DTCs will set the Inspection/Maintenance (I/M) system status indicators to NO.

Replace and Program ECU

To program a replacement body control module (BCM), perform the following procedure:

1. Install EL-49642 - SPS programming support tool.

2. Access the Service Programming System (SPS) and follow the on-screen instructions.

Note:
The BCM Configuration is only required if this option is available on the SPS Supported Controllers screen.

3. On the SPS Supported Controllers screen, select BCM Body Control Module - Configuration and follow the on-screen instructions (if applicable).

4. On the SPS Supported Controllers screen, select BCM Body Control Module - Programming and follow the on-screen instructions.

5. Perform the following for the appropriate ignition type prior to proceeding with the next step:

* Key Ignition System: Key in the ignition and any additional keys must be away from the vehicle at least 3 meters.

* Push Button Start System: Key-less entry transmitter must be in the console programming pocket. Refer to the Help selection button on the SPS Immobilizer Setup screen for the exact pocket location. All additional transmitters must be away from the vehicle at least 3 meters.

Note:
The following programming step may take between 10-12 min. And progress will appear to have stopped during this process. This is a normal security timer response and a restart should not be performed. If the DTC B389A set immediately after programming a replacement BCM, the Immobilizer Learn procedure was not properly completed. The Immobilizer Learn procedure needs to be performed again.

6. On the SPS Supported Controllers screen, select IMMO Immobilizer Learn - Setup. On the next screen, select Body Control Module IMMO Learn with Existing Transponder or Remote Key and follow the on-screen instructions. When Immobilizer Learn is complete, press the Unlock button on the key-less entry transmitter to allow the key-less entry transmitter to exit the Immobilizer Learn mode.

Note:
When performing the Tire Pressure Monitor Sensor Learn during BCM setup, the EL-46079 - tire pressure monitor diagnostic tool must be used to activate each tire pressure sensor.

7. On the SPS Supported Controllers screen, select BCM Body Control Module - Setup and follow the on-screen instructions.

8. Check the driver information center display for additional messages regarding further calibration instructions. If there are no additional driver information center instructions present, programming is complete.

9. At the end of programming, choose the "Clear All DTCs" function on the SPS screen.

10. If ABS, Traction Control and/or Stabilitrak indicators are ON and DTC C0161 is set in the electronic brake control module after performing BCM programming and setup, do the following:

1. Disconnect the scan tool from the data link connector.

2. Ignition OFF, all access doors closed, all vehicle systems OFF, and all keys at least 3 meters away from the vehicle. It may take up to 2 minutes to power down.

3. Ignition ON, verify DTC C0161 is in history. If not, repeat the above step to make sure the vehicle is in sleep mode.

4. Use the scan tool to clear the DTCs.

Reprogram ECU

To program an existing BCM, perform the following procedure:

1. Install EL-49642 - SPS programming support tool.

2. Access the Service Programming System (SPS) and follow the on-screen instructions.

3. On the SPS Supported Controllers screen, select BCM Body Control Module - Programming and follow the on-screen instructions.

Note:
When performing the Tire Pressure Monitor Sensor Learn during BCM setup, the EL-46079 - tire pressure monitor diagnostic tool must be used to activate each tire pressure sensor.

4. On the SPS Supported Controllers screen, select BCM Body Control Module - Setup and follow the on-screen instructions.

5. Check the driver information center display for additional messages regarding further calibration instructions. If there are no additional driver information center instructions present, programming is complete.

6. At the end of programming, choose the "Clear All DTCs" function on the SPS screen.

7. If ABS, Traction Control and/or Stabilitrak indicators are ON and DTC C0161 is set in the electronic brake control module after performing BCM programming and setup, do the following:

1. Disconnect the scan tool from the data link connector.

2. Ignition OFF, all access doors closed, all vehicle systems OFF, and all keys at least 3 meters away from the vehicle. It may take up to 2 minutes to power down.

3. Ignition ON, verify DTC C0161 is in history. If not, repeat the above step to make sure the vehicle is in sleep mode.

4. Use the scan tool to clear the DTCs.

Unsuccessful Programming Recovery

In the event of an interrupted or unsuccessful programming event, perform the following steps:

1. DO NOT turn the ignition OFF. Ensure that all ECU, DLC and programming tool connections are secure and the TIS terminal operating software is up to date.

2. Attempt to reprogram the ECU.

3. If the ECU can still not be programmed, turn the ignition OFF for at least one minute.

4. Turn the ignition "on" and attempt to reprogram the ECU. The ECU should program.

If the ECU still cannot be programmed, replace the ECU.

Check out the diagrams (below). Please let us know what you find. We are interested to see what it is.
Was this
answer
helpful?
Yes
No
Monday, April 20th, 2020 AT 10:16 AM

Please login or register to post a reply.