Passenger front window will not go up

Tiny
KJP4828
  • MEMBER
  • 1999 CADILLAC DEVILLE
  • V8
  • 2WD
  • AUTOMATIC
  • 150,000 MILES
Goes down, but wont go up. Test light shows power to the motor. Motor replaced, but same issue.
Friday, January 18th, 2019 AT 9:36 AM

5 Replies

Tiny
CARADIODOC
  • MECHANIC
  • 34,489 POSTS
When the motor runs either way, it is okay. This problem can be caused by a broken wire between the door hinges, but most often it is caused by a defective switch. The clinker is it can be either the driver's or the passenger's switch that is at fault. Both actually have four sets of contacts. Two sets in each switch are in use when you press either one. Given the age of the car, you should be able to find good used switches at a salvage yard. Plug one at a time in as a test. In the unlikely event that doesn't solve the problem, we can do some voltage tests to find the cause. Let me know how you would like to proceed, and if the car has the "auto-down" feature.
Was this
answer
helpful?
Yes
No
Friday, January 18th, 2019 AT 8:16 PM
Tiny
KJP4828
  • MEMBER
  • 5 POSTS
Trying to get a driver door switch from wreck yard. No luck yet. Yes there is a auto-down feature. I replaced front passenger door switch.
Was this
answer
helpful?
Yes
No
Sunday, January 20th, 2019 AT 1:42 PM
Tiny
CARADIODOC
  • MECHANIC
  • 34,489 POSTS
One thing I forgot to mention is if you can pull up on the glass while activating the switch, and the window goes up slowly, that is a different issue. That is usually caused by excessive bug juice in the rubber glass guides. Spraying them liberally with Silicone Spray Lube will solve that. It goes on like water, evaporates, and leaves a film of "slippery" behind.

Since you're already down there testing for voltage, measure what you find on both motor wires when a switch is pressed. If you find 12 volts on both wires at the same time, there's a break in the ground circuit. Additional voltage measurements will help us narrow down the location.

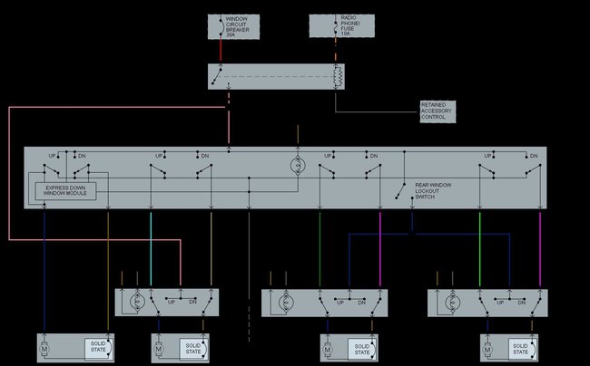
I'm sorry that these diagrams don't copy properly, but I think they'll help. The first one shows the four switches at rest. In the second one, the front passenger's switch is moved to the "Up" position as shown by the pink arrow. 12 volts comes in on the pink wire, and that puts 12 volts on the top motor terminal. The red arrows show the path of current flow. Everything has 12 volts up to this point.

You're supposed to have 0 volts on the right side of the motor. This is the ground side for the "up" operation. The blue arrows continue the current path from here. Note that the first place current goes next is the released second part of the passenger's switch, circled in green. From there it goes through the door hinges, over to the driver's side, through those door hinges, then to the drivers switch assembly. For this operation, it goes through the released "down" contact, also circled in green, then through the black ground wire that didn't show up very well. That wire also goes through the door hinges, then is bolted to the body inside the car. That black wire has to be okay, otherwise none of the window functions would work.

Three sets of switch contacts are involved here when the passenger's "Up" switch is pressed. This is why the driver's switch assembly or the passenger's switch assembly can cause this problem.

If you find 12 volts on both motor wires, check on the tan wire that runs between the two switches. If that 12 volts is found all the way up to the driver's switch, that switch has the bad contact. If you find 12 volts on the tan wire at the passenger's switch but 0 volts at the driver's switch, that tan wire is broken between the door hinges, most commonly on the driver's side. In this case, the passenger's "down" function would not work from the driver's switch.
Was this
answer
helpful?
Yes
No
Sunday, January 20th, 2019 AT 4:58 PM
Tiny
KJP4828
  • MEMBER
  • 5 POSTS
You are a genius. Went to wreck yard, got a driver door switch, and everything now works. Thanks again
Was this
answer
helpful?
Yes
No
Thursday, January 24th, 2019 AT 8:59 AM
Tiny
CARADIODOC
  • MECHANIC
  • 34,489 POSTS
Dandy. I only know three things, and you asked about one of them. Please come back and see us again.
Was this
answer
helpful?
Yes
No
Thursday, January 24th, 2019 AT 4:56 PM

Please login or register to post a reply.