Parking lights do not turn off

Tiny
ALEX ESGATE
  • MEMBER
  • 2003 FORD F-250
  • 5.4L
  • V8
  • 4WD
  • AUTOMATIC
  • 178,625 MILES
The truck listed above is a super duty extra cab. I have pulled the head light switch and all the relays in the fuse box and under the hood. Is there another relay somewhere else I should look for?
Thursday, February 10th, 2022 AT 10:07 PM

57 Replies

Tiny
JACOBANDNICKOLAS
  • MECHANIC
  • 110,194 POSTS
Hi,

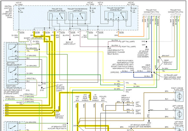
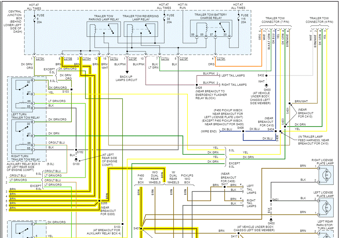
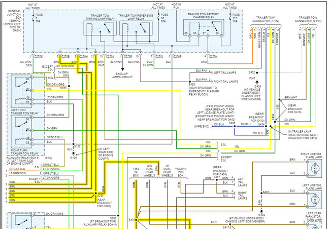
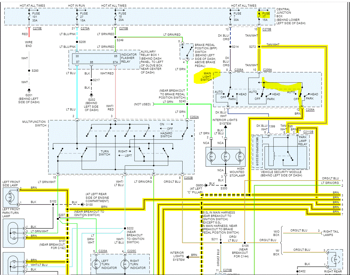
I attached the wiring schematic below for the exterior lighting. It appears that power for the parking lights is provided by fuse 17 in the interior fuse panel (left side under dash). From there power goes to the switch and is distributed to all parking lights via brown wires.

Do the lights stay on when the fuse (17) is removed? Also, fuse 7 in the same panel is for the automatic light control. What happens if that is removed?

Let me know.

Take care,

Joe

See pics below. Note: There were two pics. I had to cut them in half to make them readable for you. I did overlap them so you can follow from one to the next. Pics 1/2 and pics 3/4 are from the same pics. The last pic is the central junction box I mentioned with the fuses highlighted.
Was this
answer
helpful?
Yes
No
+2
Friday, February 11th, 2022 AT 5:12 PM
Tiny
ALEX ESGATE
  • MEMBER
  • 39 POSTS
Yes, fuse 17 is only way I get them to turn off I have not pulled number 7 but believe my day light driving lights have been deleted. I did pull the trailer tow lights plug and didn't change I swapped out the blinker relay and unhooked the VSM all with light switch unhooked I believe there was an issue before I got it at one point. I grounded the power point and popped a fuse they went out and worked as they should for a few weeks, until I plugged phone charger in power point popped fuse again and marker lights came back on.
Was this
answer
helpful?
Yes
No
Friday, February 11th, 2022 AT 6:00 PM
Tiny
ALEX ESGATE
  • MEMBER
  • 39 POSTS
Did I mention it has had a flatbed put on it don't know if that makes a difference? I kind of over owning a Ford about ready to collect the insurance money on it.
Was this
answer
helpful?
Yes
No
Friday, February 11th, 2022 AT 6:03 PM
Tiny
JACOBANDNICKOLAS
  • MECHANIC
  • 110,194 POSTS
If they turn off when that fuse is removed, then there isn't a short to power which I suspected. It sounds like the switch itself is bad. By chance, have you replaced it?

Let me know.

Joe
Was this
answer
helpful?
Yes
No
+1
Friday, February 11th, 2022 AT 10:07 PM
Tiny
ALEX ESGATE
  • MEMBER
  • 39 POSTS
Yes, in the very beginning I changed it out, but when I turn to the lights on and pull out for dogs' lights it turns my high beams on.
Was this
answer
helpful?
Yes
No
Friday, February 11th, 2022 AT 10:34 PM
Tiny
ALEX ESGATE
  • MEMBER
  • 39 POSTS
When I pull fuse 17 or 7.
Was this
answer
helpful?
Yes
No
Friday, February 11th, 2022 AT 10:35 PM
Tiny
JACOBANDNICKOLAS
  • MECHANIC
  • 110,194 POSTS
Hi,

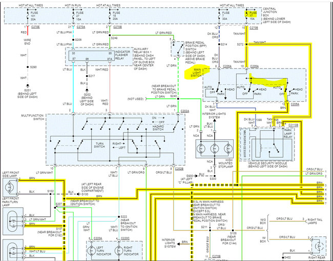
Fuse 17 powers the headlamp switch and 7 powers the multi-function switch. Does one turn off the parking lights? If fuse 7 turns it off, then I suspect there is a short at the multi-function switch. If 17 turns it off, then it has to be at the switch.

Also, does this truck have DRL (daytime running lights)?

Let me know.

Joe

See pic below.
Was this
answer
helpful?
Yes
No
+2
Saturday, February 12th, 2022 AT 8:17 PM
Tiny
ALEX ESGATE
  • MEMBER
  • 39 POSTS
When I pull fuse 17 the lights go out fuse seven does not shut them off when pulled. I'm not sure about DRL's I have been told it should have them but don't come on if it does have them. I have put a different switch in but it was not a new one. I will pick up a new switch tomorrow and let you know how it goes.
Was this
answer
helpful?
Yes
No
Saturday, February 12th, 2022 AT 8:35 PM
Tiny
JACOBANDNICKOLAS
  • MECHANIC
  • 110,194 POSTS
Hi,

I looked up parts and labor to find the part number. You indicated it has fog lights. The headlamp switch w/ fog lights is different between with DRL's or without DRL's. Both appear to have a 9-pin connector.

See pic below for OEM part numbers.

Joe

See pic.
Was this
answer
helpful?
Yes
No
+2
Saturday, February 12th, 2022 AT 9:05 PM
Tiny
ALEX ESGATE
  • MEMBER
  • 39 POSTS
Okay, I should rephrase that the switch in truck has the fog lamp position, but my truck there are no fog lamps, however there are 2 factory plugs close to where the factory fog lamps would be mounted. So, I assume it did have fog lamps or this switch is not the correct one for this truck. If it has fog lamps no DRL's but no fog lamps, then it has DRL's is that what you're saying? Also, how would I find out if the fuse box is the correct matching number that should be in truck? I'm thinking the fuse box may have been switched out before.
Was this
answer
helpful?
Yes
No
Saturday, February 12th, 2022 AT 9:23 PM
Tiny
JACOBANDNICKOLAS
  • MECHANIC
  • 110,194 POSTS
Alex, the only way to determine if the fuse box is correct is to locate the part number on it. It should be scribed in the plastic near the bottom, but not easy to find.

As far as the switch is concerned, it can have fog lights with either with DRL's or without DRL's. Just refer to the part numbers I didn't highlight.

Also, if you can, take a pic of the fuse box so I can see it. I can try to make a few comparisons for you. Also, here is a link where you can put the truck's VIN number in, and it will help decode what the vehicle came with. With GM and Chrysler, they have RPO numbers that are very specific. I don't think Ford is the same. But if it is, there should be a label in the glove box that looks similar to the pic I attached below. I found that example online. You can check under the hood as well for the label.

https://www.ford-trucks.com/forums/vindecoder.php

Take care of yourself and let me know what I can do to help.

Take care,

Joe
Was this
answer
helpful?
Yes
No
+1
Saturday, February 12th, 2022 AT 10:46 PM
Tiny
ALEX ESGATE
  • MEMBER
  • 39 POSTS
Wow, thank you very much. You have been very helpful and pretty prompt with your response. On another site you have to pay to even ask a question and it could take days to get a reply if at all. I will get pics for you tomorrow when it's light. What do you think is the reason the fog light position turns the bright lights on?
Was this
answer
helpful?
Yes
No
Sunday, February 13th, 2022 AT 7:15 PM
Tiny
JACOBANDNICKOLAS
  • MECHANIC
  • 110,194 POSTS
Hi,

I have a feeling the switch is the wrong one for the system. At this point, we don't know exactly what we are dealing with. However, we will figure it out.

Take care and I'll watch for your reply.

Joe
Was this
answer
helpful?
Yes
No
+1
Sunday, February 13th, 2022 AT 9:15 PM
Tiny
ALEX ESGATE
  • MEMBER
  • 39 POSTS
I got a switch with fog light and one without marker lights still won't turn off without pulling fuse 17. Also I have power to my windows at all times don't think it's supposed to be like that, is it?
Was this
answer
helpful?
Yes
No
Monday, February 14th, 2022 AT 8:04 PM
Tiny
JACOBANDNICKOLAS
  • MECHANIC
  • 110,194 POSTS
Hi,

This gets more and more confusing. By chance, did you determine if the fuse box is the original one? Did you try pulling the trailer tow parking lamp relay?

Let's look at this from a different angle. This may sound crazy but remove all the parking bulbs that stay on. With them all removed, check which ones have power and which don't. Maybe by doing that, it will help us narrow things down.

Or go to the headlamp switch and locate the brown wire. Is there power to it at all times? If there is, disconnect the switch and see if the power stops at that wire.

Let me know.

Joe
Was this
answer
helpful?
Yes
No
+2
Tuesday, February 15th, 2022 AT 2:33 PM
Tiny
ALEX ESGATE
  • MEMBER
  • 39 POSTS
Okay, will try finding brown wire first but my alternator went bad yesterday put another one on and smoked it within minutes put a second new one on seems to be working fine but now you left lights on dummy dinging is not dinging but marker lights still on.
Was this
answer
helpful?
Yes
No
Tuesday, February 15th, 2022 AT 5:50 PM
Tiny
ALEX ESGATE
  • MEMBER
  • 39 POSTS
Okay, so there are 3 brown wired with fuse in and switch off all 3 have power with switch on all have power with switch unplugged all have power fuse out none have power. I will try unplugging bulbs next.
Was this
answer
helpful?
Yes
No
Tuesday, February 15th, 2022 AT 6:27 PM
Tiny
JACOBANDNICKOLAS
  • MECHANIC
  • 110,194 POSTS
Hi,

With the switch connected and off, do you have power on both brown wires? You shouldn't. The tan wire with the white tracer is power in from fuse 17. The switch should cut power out to the brown. See pic below.

Also, I noticed there is duct tape on the connector. Are you certain nothing is shorting between wires due to a bad connector?

Let me know. Why they would use the same color in the same connector is beyond my knowledge. Anything to make it more difficult. LOL

Look at the pic below.

Joe
Was this
answer
helpful?
Yes
No
+1
Tuesday, February 15th, 2022 AT 7:06 PM
Tiny
ALEX ESGATE
  • MEMBER
  • 39 POSTS
No duct tape just crappy picture taker, but with switch plugged in and in off position both brown wires are hot switch on both have power. So for fun I tried it with other two switches. I have same both wires stay hot on all the switches with that being said the two other switches 1 with fog lamp 1 without. I did not purchase new I got them at wrecking yard. What are chances are all three switches junk? If I understand correctly one brown wire comes from fuse box to switch and other brown wire would be from switch out to lights so if switch is working when in off position one from fuse box would be hot one from switch to lights would not have power until switch turned on.
Was this
answer
helpful?
Yes
No
Tuesday, February 15th, 2022 AT 8:20 PM
Tiny
JACOBANDNICKOLAS
  • MECHANIC
  • 110,194 POSTS
Hi,

I went back through the schematics. The only power supply to the switch is the tan wire with a white tracer. The brown wires get power with the switch on but shouldn't with it off.

Take a look below. That is what I'm seeing as the connector. If you read through each pin's circuit function, note that pin 10 is the aforementioned wire and it is the power supply.

Take a look through the circuit functions and then check the pins to see if they are accurate. Note: the connector only shows two solid brown wires. One is power out from the switch to exterior lights and the other is for fog lights.

Let me know where the third one goes to in the connector. (Pin number)

Joe

See pic below.
Was this
answer
helpful?
Yes
No
+1
Wednesday, February 16th, 2022 AT 3:38 PM

Please login or register to post a reply.