Battery drains overnight, parasitic draw?

Tiny
DOUGPARKS567
  • MEMBER
  • 2004 JEEP GRAND CHEROKEE
  • 4.7L
  • V8
  • 4WD
  • AUTOMATIC
  • 134,000 MILES
Hello, I'm having an issue with my battery draining overnight. I'm getting current draw from fuse #7 inside driver side compartment fuse block. I was wondering how do I pinpoint the draw when the fuse controls multiple components. One of which is the BCM which controls multiple components. Any idea what could be the culprit?
Sunday, August 7th, 2022 AT 6:02 AM

7 Replies

Tiny
JACOBANDNICKOLAS
  • MECHANIC
  • 110,192 POSTS
Hi,

Since the drawer could be before the BCM, try disconnecting it to see if the draw goes away. If it does, then reconnect the BCM. One component at a time tied into the BCM will need to be disconnected to see when the draw stops.

Here is a link that you may find helpful:

https://www.2carpros.com/articles/car-battery-dead-overnight

Let me know what you find.

Take care,

Joe
Was this
answer
helpful?
Yes
No
Sunday, August 7th, 2022 AT 11:26 PM
Tiny
DOUGPARKS567
  • MEMBER
  • 60 POSTS
Okay, I came back to the truck and put #7 fuse back in to see if there was a draw. Strange thing there isn't a draw now, but my power-locks aren't working. I haven't tried unplugging the BCM. Should I disconnect the battery first before I unplug connectors to BCM and remove?
Was this
answer
helpful?
Yes
No
Tuesday, August 9th, 2022 AT 3:56 AM
Tiny
JACOBANDNICKOLAS
  • MECHANIC
  • 110,192 POSTS
Hi,

Yes, I feel that it is a good idea to disconnect the battery first. However, if there is no draw at this time, the test would be moot. Were the locks working prior? I ask because you may have already identified the draw.

Let me know.

Joe
Was this
answer
helpful?
Yes
No
Tuesday, August 9th, 2022 AT 12:09 PM
Tiny
DOUGPARKS567
  • MEMBER
  • 60 POSTS
No, the locks weren't working prior. I'm thinking maybe issue with door module. It's only the front two doors they won't lock or unlock. I have to lock and unlock them manually. The rear doors and liftgate working fine.
Was this
answer
helpful?
Yes
No
Tuesday, August 9th, 2022 AT 4:29 PM
Tiny
JACOBANDNICKOLAS
  • MECHANIC
  • 110,192 POSTS
Hi,

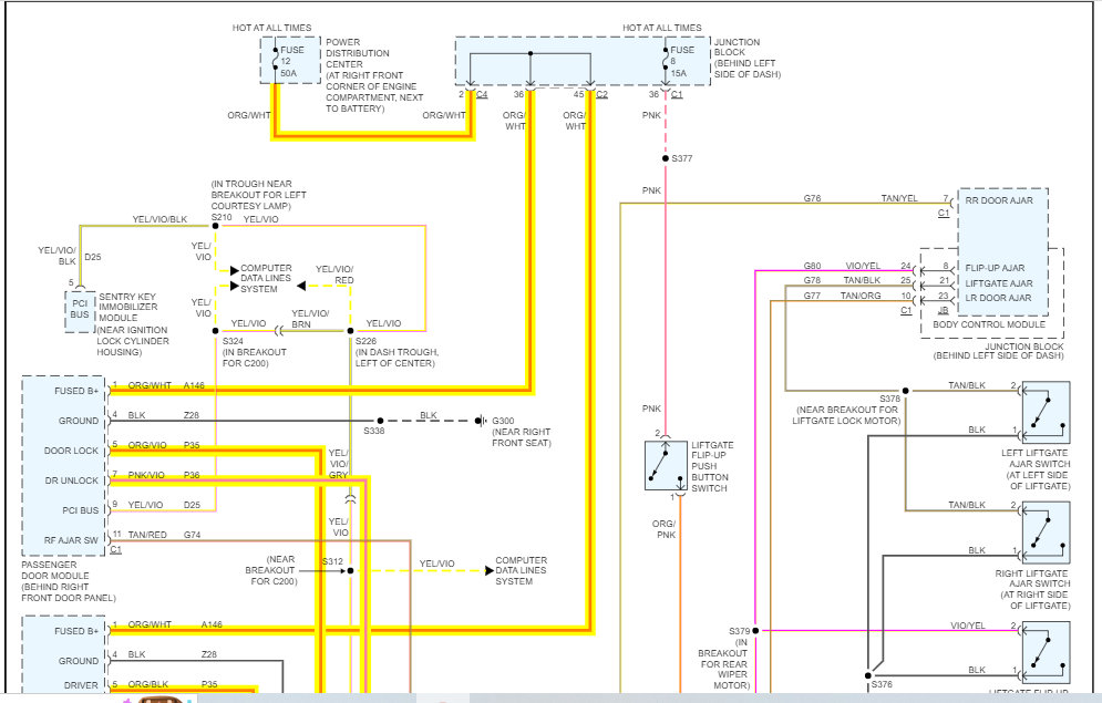
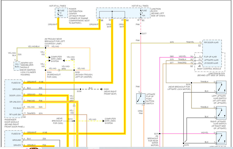
It could be the DDM. I looked through the schematics and there are splices, but power all comes from the same fuse. Also, they share the same ground except for the left rear.

I attached the wiring schematics below so you can reference them. Note there are three wires at each lock actuator. The one I didn't highlight is the door ajar switch. The actuator either locks or unlocks based on polarity. If you send the power in one direction, it locks and the opposite.

Also, you may want to scan the can-bus. CAN stands for controller area network. Basically, the modules are tied together via a few wires. This type of scan will provide codes regardless of the module storing them. Here is a link showing how it's done.

https://www.2carpros.com/articles/can-scan-controller-area-network-easy

Let me know your thoughts.

Take care,

Joe

See pics below. Note: I had to cut the schematic in half to make it readable for you. I did overlap the two so you can follow from one to the next. Also, I highlighted all wiring related to the door locks for you.

Was this
answer
helpful?
Yes
No
Tuesday, August 9th, 2022 AT 8:16 PM
Tiny
DOUGPARKS567
  • MEMBER
  • 60 POSTS
Okay, thanks Joe, will look into this tomorrow after work!
Was this
answer
helpful?
Yes
No
Tuesday, August 9th, 2022 AT 9:10 PM
Tiny
JACOBANDNICKOLAS
  • MECHANIC
  • 110,192 POSTS
Hi,

No problem whatsoever. I hope it helps. Let me know if you have questions or if I can help.

Take care,

Joe
Was this
answer
helpful?
Yes
No
Wednesday, August 10th, 2022 AT 11:06 AM

Please login or register to post a reply.