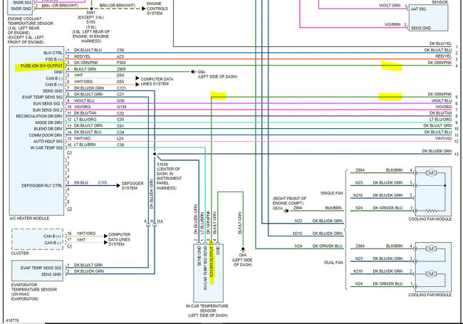
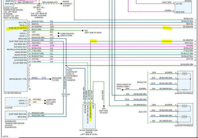
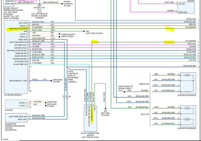
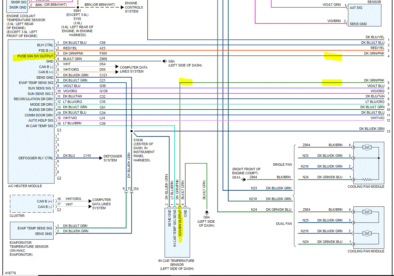
Problem: Battery drains after sitting for days. Battery will recharge. However, it will die again after sitting for a week or so.
To diagnose the issue, I used a multimeter and removed a couple of fuses from the rear fuse box. One that was drawing too much current was linked to the AC Heater/Cluster/Security Module. This is where the diagnoses ends. I am not sure if I should be looking at the A/C relay or something else. I know where the relay is, and I am trying to set up my next course of action. I want to have several ideas in mind, before setting myself up for disappointment. Anything you can suggest? Thank you much.
Edward
Monday, September 6th, 2021 AT 3:14 PM





