Parasitic Drain?

Tiny
B.L SHLEPROCK
  • MEMBER
  • 2003 DODGE CARAVAN
  • 3.3L
  • V6
  • 2WD
  • AUTOMATIC
  • 146,000 MILES
Hi, using a fluke multimeter I think I have chased down the Parasitic drain however, in diagnosing I used a hot lead tester as well. I can't figure out how grounding the lead then touching the Alternator case with prob, the tester lights up. Also, Battery Ground post to Negative Cable (ground to ground) the tester lights up. When doing an Alternator output test at 2,500 RPMs, my friend touched the Alternator housing with his finger and the engine started crapping out. I am at a loss to figure these oddities out. Can you help?
Wednesday, July 5th, 2023 AT 4:17 PM

21 Replies

Tiny
BRENDON S
  • MECHANIC
  • 653 POSTS
Hello B.L SHLEPROCK,

Well, that's interesting. Sounds like one of the diodes in the alternator may have gone or it is shorted internally. This would cause the parasitic draw and could energize the case.

Looks like it is at the bottom of the engine so that could have caused the issue.

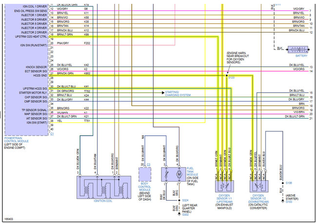
I am adding a wiring diagram for you of the charging circuit.

Is there power anywhere else on the engine?

I would also check the whole wire and see if it rubbed through somewhere. Looks like from the diagram the charge back wire goes to the starter first then back to the battery. So, there might be a damaged wire. There also looks like there is a fusible link between the alternator and the starter.

It sounds like it might be just the alternator itself though.

You can take your meter and put it on ohms. Shut the vehicle off and remove the chargeback wire and any other wires connected from the alternator. Put the red lead on battery post on alternator and then black to the case. Then switch the leads to reverse polarity. Black on post and red on case. If you have continuity both ways, the diodes are bad or the post itself is shorted. Diodes should only work in one direction.

Let me know what you find. Hope this helps.

Thank you,
Brendon
Was this
answer
helpful?
Yes
No
Thursday, July 6th, 2023 AT 11:35 AM
Tiny
B.L SHLEPROCK
  • MEMBER
  • 27 POSTS
Hi Brendon, I 'm considered a reasonably good all-around Mach.
However, I'm not a computer geek nor am I an electrician, LOL.
This thing started out with (airbag light (on)(dash) (engine light (on)the speedometer jumping all over while stopped at a light, I also felt the transmission jolt a few times so I drove it home, I ran the OBD2 Codes, (no hard code for airbag) PO700, PO720, and PO134.I replaced the output sensor per (0720). Next day the battery was dead checked charging system found a>00.89/Fixed dome light problem/Draw now 00.05 and I found the rest earlier explained, the Alt./Diode checks out good. So, I fired it up ran Codes;P0134/eng. Lgt (on) airbag lgt (on), the hard shift/jolting is still present(no Code) NOTE:Obd2 Can't erase error Codes(failed code erase)all it says. Got Any Dynamite?
Was this
answer
helpful?
Yes
No
Friday, July 7th, 2023 AT 8:51 PM
Tiny
BRENDON S
  • MECHANIC
  • 653 POSTS
Hello B.L SHLEPROCK,

That's okay, I like electrical, so I am here to help.

So, the Air bag light is on, but you can't retrieve the current code? Is there a history code?

When you tested the diodes, the alternator was completely isolated right? Meaning everything electrical was disconnected?

I would try this and see what we can get for information.

With alternator all plugged in what is it charging at? What voltage?

If you go from battery negative to the alternator case with your meter with the alternator still hooked up, what are you getting for voltage on the case?

Now, if you remove the charge back wire from the alternator and all other wires, with the same test what are you getting for voltage then?

Since you have codes for multiple systems it seems the PCM, and air bag control module might be throwing codes because of whatever is causing the alternator case to be energized.

Seems like your scan tool is communicating with the PCM so that's good.

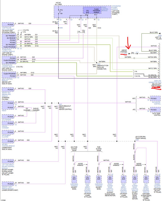
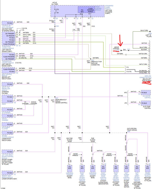
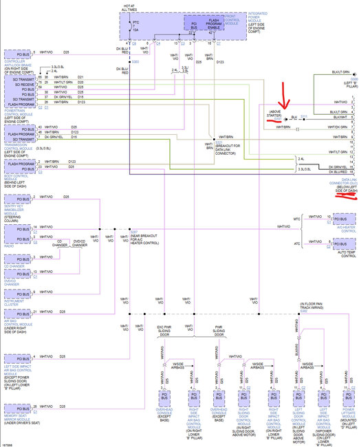
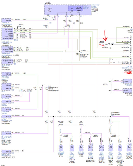
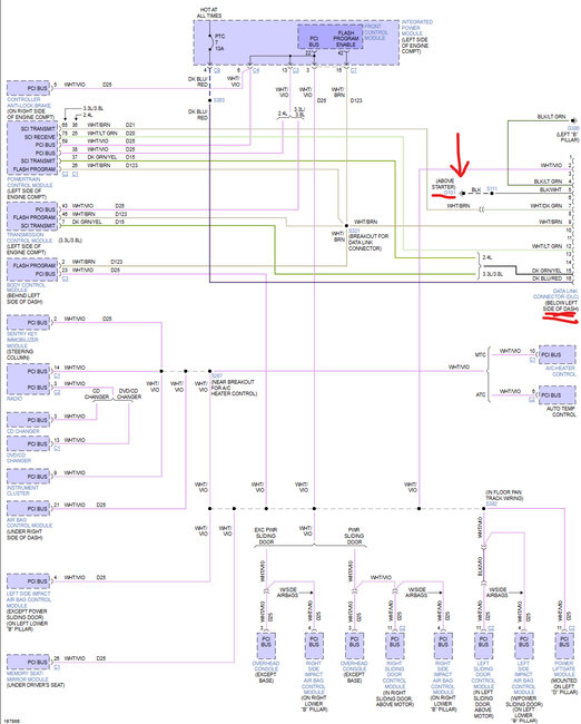
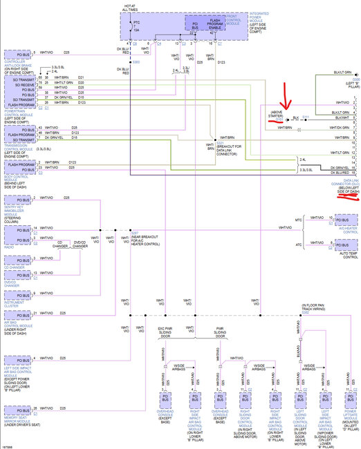
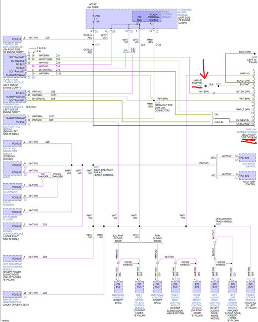
However, it won't let you clear codes. There is an engine ground right above the starter. The Data Link Connector and the Charging circuit both share this ground. Ground G101.

A bad engine ground can cause all kinds of weird issues. Including throwing false codes.

I would put your meter on Ohms, take the black lead from terminal 5 on the DLC and the red lead to the battery ground. Do you have continuity? I would also climb underneath and look at the condition of this ground.

If you could do these few tests and let me know what you find. Then we can go from there and see what information we can gather.

The biggest thing to remember for electrical is isolate and test and start a process of elimination.

I have added a view of the DLC, Computer Data Lines as well as the charging circuit. I have marked in red these grounds.

Thank you,
Brendon
Was this
answer
helpful?
Yes
No
Saturday, July 8th, 2023 AT 9:26 AM
Tiny
B.L SHLEPROCK
  • MEMBER
  • 27 POSTS
Hi Brendon, Did you receive my last reply to your test requests?
Was this
answer
helpful?
Yes
No
Wednesday, July 12th, 2023 AT 5:31 PM
Tiny
BRENDON S
  • MECHANIC
  • 653 POSTS
Good morning, B.L SHLEPROCK,

No. I'm sorry I don't see anything. Are you able to send it to me again?

Thank you,
Brendon
Was this
answer
helpful?
Yes
No
Thursday, July 13th, 2023 AT 1:41 AM
Tiny
B.L SHLEPROCK
  • MEMBER
  • 27 POSTS
Hi Brendon,

Per your instructions
Original Alt. Test(isolated)
Alt./Hooked up>11.83 vlts
Alt./Unhooked > 12.06
Alt./Idol out-pt>13.65
Alt.@2500rpm>14.65-70
Continuity Test.>Per your instruction>OHM'S
(Take the black lead from terminal 5)?

Did you mean blk meter probe to 5th terminal/Red probe to Bat.-Neg. Post? Or the blk probe to the terminal you mrkd Red/Red probe to Bat.-Neg. Post. OR?
Was this
answer
helpful?
Yes
No
Thursday, July 13th, 2023 AT 10:05 AM
Tiny
BRENDON S
  • MECHANIC
  • 653 POSTS
Hello B.L SHLEPROCK,

I apologize I may not have been clear in my last post.

Per your instructions
Original Alt. Test(isolated)
Alt./Hooked up>11.83 volts
Alt./Unhooked > 12.06
Alt./Idol out-pt>13.65
Alt.@2500rpm>14.65-70

It says (isolated) but then says Alt./Hooked up> 11.83 volts and Alt./Unhooked> 12.06. Is this one the case? Or the post on the back of the alternator? Can you give me some more details?

When I meant (isolated) that was to check and see if the was continuity between the case and the charge-back wire post on the alternator. This is because your meter will produce a voltage to do this test and we don't want to fry something.

Bench testing is great, but it doesn't tell me if there is a voltage drop on the charge back wire. I wanted you to test it and read at the battery because according to the wiring diagram the charge-back wire runs from alt to starter then to battery. So, if there is an issue with that wire, like excessive resistance or it has rubbed through somewhere, we need a reading at the battery. We already know the bench test. We need to know what the value is after it has traveled down the wire. This is called a voltage drop test and is very effective in finding bad wires. If charging voltage is significantly reduced at the battery compared to the bench test, then we know there is either excessive resistance on that wire or it is feeding somewhere else causing the alternator case to be energized because it is connected to the engine.

It is possible it is an issue at the starter as well.

So far charging seems to be within spec. But on the lower side. But we will see what we get at the battery with it charging.

Also, you say "Original Alternator" did you get another one?

I then wanted you, with everything still hooked up, take black lead and put on neg terminal on battery and red lead on the alternator case. You said the alternator was energized so let's see if it is 12 volts or 5 volts or 14 volts.

Next, you said scan tool communicates but cannot clear codes. There are 2 separate grounds for the DLC. Looking at the image of the DLC, note it's position. Terminal 5 is marked in red. This is one of the 2 grounds for the DLC. This ground happens to share the same ground with the charging circuit. Which happens to be another area we seem to have an issue.

So, we need to check to see if this ground is still connected or has high resistance.

So put black lead on the DLC on terminal 5 illustrated in red the take the other lead and touch a clean spot on the engine block preferably by the starter. If the ground is good, you should have less than 5 Ohms.

Then we want to see if the engine is grounded properly.

So, take black lead and touch negative on battery and take red lead and touch the engine block, preferably by the starter. Again, you should have less than 5 ohms.

This ground we are checking is located above the starter along with another ground. Both should be physically inspected and removed and cleaned. When removing engine grounds and cleaning the disconnect the battery negative.

I would also check the entire charging circuit and see if you see anything obvious and clean all connections.

Spraying any exposed connections, like grounds or at the starter connections with some battery terminal protector after you are done cleaning and re-attaching will help fight corrosion. I will add an image for you.

Hope this helps clear things up. Please let me know if you have any questions.

Thank you,
Brendon
Was this
answer
helpful?
Yes
No
Thursday, July 13th, 2023 AT 1:41 PM
Tiny
B.L SHLEPROCK
  • MEMBER
  • 27 POSTS
Brendon, I have followed your test instructions.

New test results Starting with Bat.@ 12.O6 D.C
1-ALT.(VOLTAGE)>OUTPUT @ IDOLE>13.75/@2500RPM>13.7514.00
2-CASE (VOLT.>Neg. Prob>Neg. Bat. Post/Red Prob>ALTCase> 0.0>DC
3-CASE VOLT(Isolated)Refer to>#2-ALT. CaseVolt>Test Result>0.0>DC
4-DLCTerm5>GRD/ContinuityTest>Blk@t5>Red@Bat. Grd>Cont.=YES
5-DLCTerm5>Engine Ground Test(Ohms>Blk@t5>Red@ Block> =2.3
6-ALT. CASE(energized)Test(UN-isolated)Blk@Bat. Neg>Red@Alt. Case
Results>:No DC volts Present>=O. OO
All wires/grounds Passed inspection
(Note)First testing showed @(Idole)>Alt. Output>13.75>@2500Rpm>Alt output>14.85, all other values have changed as well. Either the Alt. Was going out and went or it got shorted out in testing (unclear)
I am going to replace the Alt. Then check system for faults /errors etc.
I still have a >engine light on>Flt. Code>PO134/Airbag light on(No Code) and the tranny is still acting up(slam shifting into gear from Prk/Neutral, will contact after Alt. Change

Thank you, Brendon
Was this
answer
helpful?
Yes
No
Wednesday, July 19th, 2023 AT 9:09 PM
Tiny
BRENDON S
  • MECHANIC
  • 653 POSTS
Hello B.L SHLEPROCK,

I got your message. Thank you very much for your kind words. It means a lot to all of us!

Also thank you for all the fantastic testing! It helps a lot.

It does seem like our readings are changing. Weird there is no voltage on the case of the alternator anymore. Do you still have any parasitic draw? Normal is about 50-85 milliamps.

I would look in some of the areas you were working. It is possible there is an issue in one of those areas. It only takes a little bit of movement of a wire to affect and electrical issue. Sometimes shaking the harness will reveal an intermittent issue.

The alternator seems like it has the right output though. I have added some specs for you from my information.

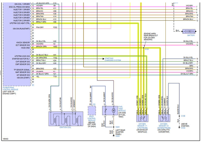
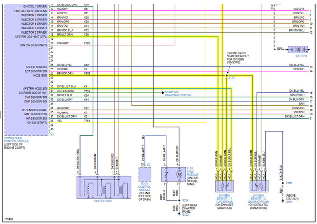
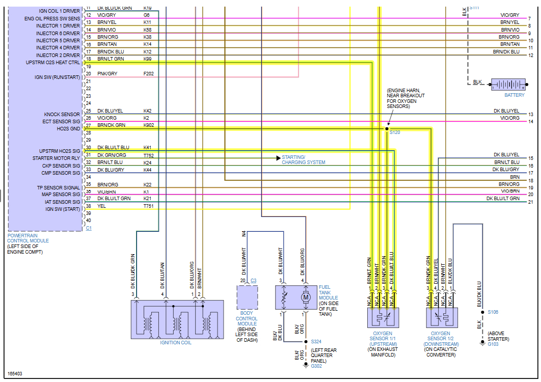
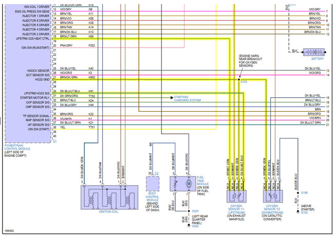
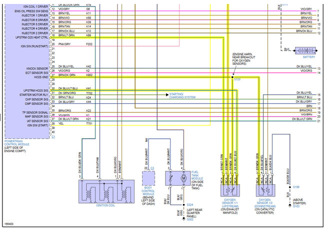
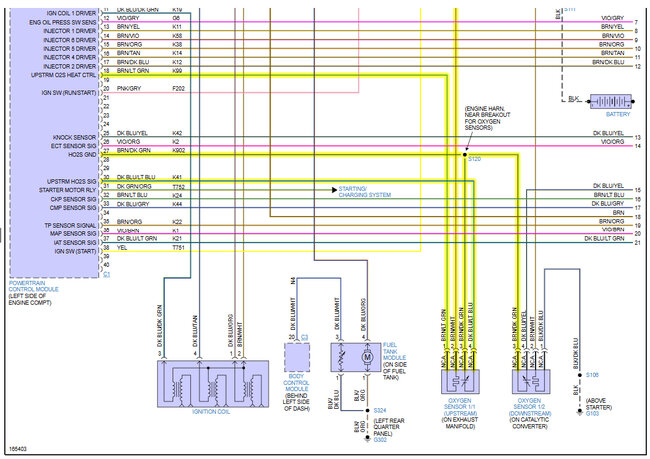
The P0134 code is for O2 sensor inactivity on bank 1 sensor 1. This is the sensor on the exhaust manifold. The heater circuit is the only thing that should have power going to it. The rest of the sensor produces its own voltage depending on the oxygen in the exhaust stream. If the heater circuit is faulty or shorted, then the O2 sensor won't read properly because it only works above a certain temp.

I would make sure you have power at the sensor using your multi-meter. If that power wire has rubbed through somewhere that may be where the original voltage came from and causing this code.

They may be 2 separate problems, but I think it is worth looking at.

Most of the time it is the sensor itself, but not always.

I will add some testing procedures for you as well as a wiring diagram.

Let me know how it goes or if you need any assistance with testing. Some of the procedures I have added are OEM test and use a manufacturer scan tool. So just do what you can.

I want to see if it has power to the heater circuit. Try shaking the harness to it while testing for voltage and see if it changes.

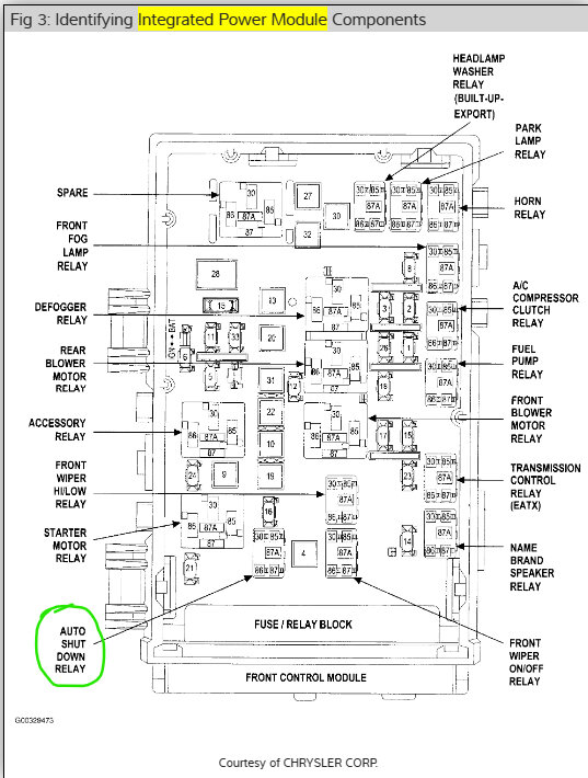
There is also something called an Automatic Shutdown Relay or ASD. This relay powers a few things, including the field windings in the alternator as we as the heater circuit for the upstream O2 sensor. This relay also cuts power to ignition and fuel and a couple of other things.

It seems like it is more of a wiring issue than the relay because it starts and runs. However, I would test the relay to make sure we aren't overlooking anything.

I would test this relay using this test:
https://www.2carpros.com/articles/how-to-check-an-electrical-relay-and-wiring-control-circuit

If that checks out there is a splice on this same wire, S112. Says it is near breakout for integrated power module.

I think there either might be a problem with this splice or something in that area.

A breakout is a point where a single wire splits into multiple wires. It is also called a junction block or terminal block. Breakouts are used to connect multiple wires to a single power source or ground. They are used to simplify the wiring process and make it easier to troubleshoot electrical problems.

This may be where the issue is. I would visually inspect it for corrosion or damage.

Here is a link to some more information on the ASD:
https://completecar.ca/maintenance/symptoms-of-a-bad-asd-relay/

Let me know what you find.

Thank you,
Brendon
Was this
answer
helpful?
Yes
No
Thursday, July 20th, 2023 AT 11:17 AM
Tiny
BRENDON S
  • MECHANIC
  • 653 POSTS
Hello B.L SHLEPROCK,

Also here is a diagram of the integrated power module that houses the ASD relay for you in case you need it.

Thank you,
Brendon
Was this
answer
helpful?
Yes
No
Thursday, July 20th, 2023 AT 2:27 PM
Tiny
B.L SHLEPROCK
  • MEMBER
  • 27 POSTS
Now that you mention it, I may have been a little premature on the code scanning as the motor may not have been up to full running temp. When I ran the obd2.(My bad)
There is a central wire block under driver side dash, that block was a bit lose so I tightened(center bolt) down, only other thing i'v done besides changing out the tranny output speed sensor which is where this whole mess started.(If) I tested the old speed sensor right, that thing kicked about 625 Ohms=Bad?
(Note)
Beginning Alt. Test
Alt. Output@ IDLE>13.75>Alt. Output @ 2500RPM>14.85,
The last test.
Alt. Output@ IDLE>(13.75)>Alt. Output @2500RPM>(13.75)
Your sure Alt. Is working correctly?
Was this
answer
helpful?
Yes
No
Saturday, July 22nd, 2023 AT 10:14 AM
Tiny
BRENDON S
  • MECHANIC
  • 653 POSTS
Hello B.L SHLEPROCK

The output does seem to keep jumping around.

You seem to have been having a lot of electrical issues.

After you changed out the speed sensor, where you able to clear P0720 and P0700? Is the speedometer still bouncing around?

Is code P0134 gone now then?

This DTC shouldn't set until the vehicle reaches something called closed loop. Before that it is not monitored, meaning it shouldn't have thrown this code because it wasn't warmed up fully.

Are there any other codes?

Are you still dealing with the parasitic draw?

Sounds like there isn't voltage on the alternator case anymore is that correct?

You said originally your friend touched the alternator when you where performing an output test and the vehicle started dying. Oddly enough the same splice, S112, also runs the fuel injectors.

So, ASD relay seems to work because vehicle runs but now, we have 3 possible different components acting up that come from this same splice.

Fuel injectors (Friend puts finger on alternator but is touching vehicle with another part of his body, vehicle starts to die).
Code P0134-Heater circuit issue
Alternator-Field windings are also connected to this splice. IF the field windings are not energized properly, the magnetic field that is used to induce the voltage will be insufficient causing less output from alternator.

This also turns your PCM on and off.

Unless you aren't having any more of these issues or they were just separate issue that have since been fixed, I am not convinced the alternator is the cause.

Thank you,
Brendon
Was this
answer
helpful?
Yes
No
Saturday, July 22nd, 2023 AT 6:10 PM
Tiny
B.L SHLEPROCK
  • MEMBER
  • 27 POSTS
Hi Brendon, somehow I have a feeling my response to you got gone somewhere in cyberspace once again, Shame, lol. It was a work of art I tell you and I don't see that it posted and I didn't copy it before I hit send, i'm pretty much a one finger typist that doesn't type and takes a lot of time to get elaborate about things so if you didn't receive it then i'm sending the short hand version.
Was this
answer
helpful?
Yes
No
Tuesday, July 25th, 2023 AT 12:41 PM
Tiny
BRENDON S
  • MECHANIC
  • 653 POSTS
Hello B.L SHLEPROCK,

I am sorry, I didn't see anything after my post on Saturday July 22nd. The shorthand version is fine.

I understand completely though, I only use a couple of fingers to type myself, it takes forever. Especially when I am sending people paragraphs of information.

Just send what you can. We can write back-and-forth in shorter responses if it is easier.

Thank you,
Brendon
Was this
answer
helpful?
Yes
No
Tuesday, July 25th, 2023 AT 2:30 PM
Tiny
B.L SHLEPROCK
  • MEMBER
  • 27 POSTS
Hi Brendon,
It seems either my computer has a problem or your web pg.
Every time I get the requested info. Completed and send, it
doesn't post, I get (may have been recognized as spam)
Let me do it this way.
All tests were ran, reran per your instruction and everything
tests out perfect, charging system is stable.
REMAINING>>>PROBLEMATIC'S >>>Engine light(ON)
1-P0134/02 Sensor>Upstream/Cyl Bnk.(1)>NON RESPONSE SENSOR.
Testing Results>PO134 (NOT)> available>Will be forthcoming today.
2-P0455>EVAP SYSTEM>(LARGE LEAK)>LEAK CAUSE>unidentified.
3-ABS>Dash Light is>(ON)>(No)Hard Code Set.
(Note) In regards to Tran's OutPut Sensor R&R.
> Speedometer is>(not)>jumping now.
The Tran's is>Hard shifting>Jolting
It goes in to gear> 2sec.>Then like it reaffirms it self.
Was this
answer
helpful?
Yes
No
Monday, July 31st, 2023 AT 12:21 AM
Tiny
BRENDON S
  • MECHANIC
  • 653 POSTS
Hello B.L SHLEPROCK,

I am sorry to hear you are having issues with your responses. Sometimes using things like carrot or parathesis can be seen as an illegal character. It looks like you are typing computer code in this last response. So, this may be why it is happening.

For now, try to stick to paragraphs and sentences and try to stay away from characters like >, ().
Was this
answer
helpful?
Yes
No
Monday, July 31st, 2023 AT 9:36 AM
Tiny
BRENDON S
  • MECHANIC
  • 653 POSTS
Hello B.L SHLEPROCK,

I am sorry to hear you are having issues with your responses. Sometimes using things like carrot or parathesis can be seen as an illegal character. It looks like you are typing computer code in this last response. So, this may be why it is happening.

For now, try to stick to paragraphs and sentences if you can. The system might see this as someone trying to add code in an area that is supposed to have text. Code like computer programming.

I am not sure what you mean in your latest response though. When we first started talking, you had voltage on the alternator that was found when trying to locate a parasitic draw.

Also, while performing an output test on the alternator, your friend touched the alternator and the vehicle bogged down like it wanted to die. My guess his legs or another part of him was also touching the body or bumper of the vehicle.

You also could read codes but couldn't erase them.

I had you check 2 grounds on the engine, that you stated were good.

Then the alternator lost the electrical charge, but the output was all over the place, however it was still within spec.

Now the alternator is working perfectly but are still having multiple electrical issues.

To me it sounds like you have a short to ground somewhere in the main harness that goes to the fuse box. If it is touching the body, it will drain the battery and since our bodies can conduct electricity, I think when your friend touched the alternator while you were performing the output test and the vehicle bogged down like it was going to die was simply because the electricity when through him back to ground, possibly reducing current to the fuel injectors.

When you have multiple issues that don't really seem to have a good explanation as to why they are happening and multiple issues that are on the same circuit or related, then my immediate thought is there is no way all these things are failing at the same time. You have something electrical going on in my opinion.

Given the vehicle age and the amount of wiring issues I have seen in Chrysler products over the years, I think you need to start checking harnesses and checking the back of the fuse box.

So, because I know it is hard for you to type, I understand I have the same issue because of nerve damage in both arms, we need to proceed on thing at a time.

I going to ask you a few questions. Please just respond to those questions and those only for now.

This will help us have a methodical and productive diagnostic procedure. Without this, you will be chasing issues in this vehicle for the rest of time.

I am here to help to the best of my ability, but we need to have a process.

Please answer question with the number I used to ask the question. For example: I ask question with a number "1", please start your answer with the number "1".

Questions:

1) Sounds like you have a multimeter and a test light, what other tools do you have?

2)Do you have a scan tool or a code reader? We need to be able to access sensor data and try to establish communication with other modules, not just codes. A code reader helps but doesn't give us much data. But if it is all you have, we will work with it.

3) Do you still have a parasitic draw? If so, what value are you getting on your meter and where and how are you measuring?

4) Did you get a chance to look at the fuse box area and splice S112? If so, how did everything look? If not, please do that and let me know you results.

I have re-added the information on the location of Splice 112. My information says it is right by the Integrated Power Module (see image)

5) Were you able to check for power at the upstream O2? Was there power on the heater circuit?

6) Do you live in a wooded area with a lot of little animals or was the car previously parked for an extended period of time before these issues started?

Please, if you can answer these questions and let me know your results, we can move on from there.

Thank you,
Brendon
Was this
answer
helpful?
Yes
No
Monday, July 31st, 2023 AT 9:45 AM
Tiny
BRENDON S
  • MECHANIC
  • 653 POSTS
Hello B.L SHLEPROCK,

Sorry I had some issues on my end as well, but I think I got it figured out.

I am adding images separately in the hope that they go through.

I apologize for any inconvenience this is causing.

Thank you,
Brendon
Was this
answer
helpful?
Yes
No
Monday, July 31st, 2023 AT 9:48 AM
Tiny
B.L SHLEPROCK
  • MEMBER
  • 27 POSTS
1) Sounds like you have a multimeter and a test light, what other tools do you have?
(1)I have a multimeter/Test LT. U480 CAN OBD2 Memo Scanner.

2)Do you have a scan tool?
(2) I (do)have a scan tool. U480 CAN OBD2 Memo Scanner

3) Do you still have a parasitic draw?
(3) Presently I do (not) have a parasitic draw.

4) Did you get a chance to look at the fuse box area and splice S112? If so, how did everything look? If not, please do that and let me know you results.
(4) I inspected the plug in's/ connectors and found a little dirty, but nothing jumped out at me.

5) Were you able to check for power at the upstream O2? Was there power on the heater circuit?
(5) Using Fluke #73/Series 2 /Multimeter Dial set to OHMS.
1-I pulled the upstream 02 sensor and I am not getting any reading
from the 2 black heater wires.
2- I turned Ignition to ON position and used hot lead tester to check for voltage on the Harness plug and got nothing as well.

6) Do you live in a wooded area with a lot of little animals or was the car previously parked for an extended period of time before these issues started?
(6)I do(not) live in the woods/van has(not)sat long enough for the rodents to make munchies out of the wiring harness, this repair is the longest this van has ever sat still for the 11/2 years we have owned it. No signs of rodent damages to wiring.
Sorry for the unavoidable Response Delay
Was this
answer
helpful?
Yes
No
Tuesday, August 8th, 2023 AT 11:16 PM
Tiny
B.L SHLEPROCK
  • MEMBER
  • 27 POSTS
Brendon,

If you have decided to drop this thing it would suck but that's okay, I just need to know so I can move on, I am down to the Airbag light on and(no) hard code.
Thank you for your time and efforts.
B.L Shleprock
Was this
answer
helpful?
Yes
No
+1
Sunday, August 13th, 2023 AT 9:55 AM

Please login or register to post a reply.