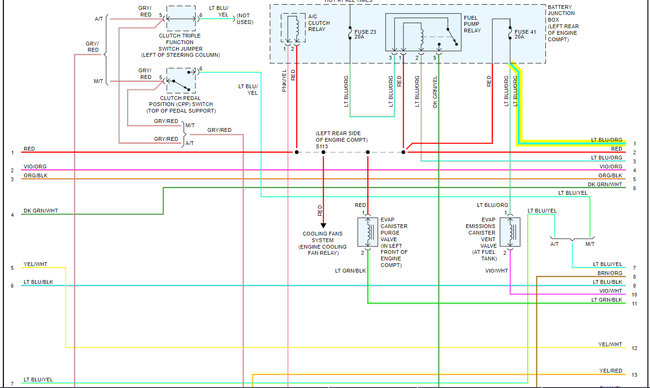
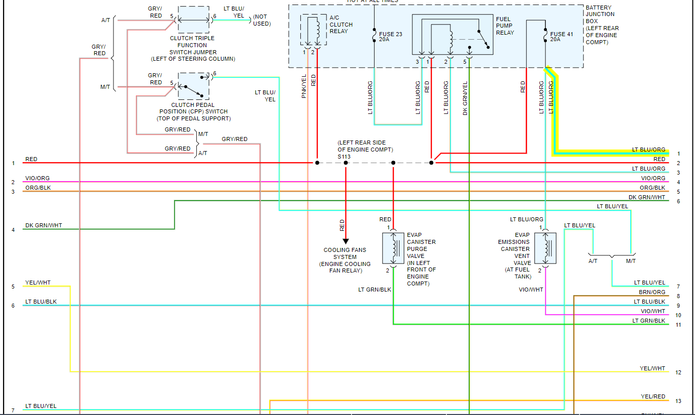
Back probed blue/orange lead to pcm: 8.7ohm on one pin, 4.4ohm on another with key off.
Back probed white/black lead to pcm: 12.4ohm on one pin, .3ohm on another with key off.
Brown/orange connector: 12.4v key off
Blue/red connector : 11.8v key off
I have a scan tool that can pull all of the live data and upload that to here or pass off the information. As far as I can tell bank 1 sensor 2 seems to vary in voltage what seems normal to me and bank 1 sensor 1 has differences in reading than bank 1 sensor 2. Any insight would be great, thanks for your time.
-Shane
Friday, April 23rd, 2021 AT 10:46 AM












