Check engine light turned on, code P0107

Tiny
JACOBANDNICKOLAS
  • MECHANIC
  • 110,156 POSTS
Sounds like a plan.

Take care,
Joe
Was this
answer
helpful?
Yes
No
Thursday, January 31st, 2019 AT 6:19 PM
Tiny
IGENIUS92
  • MEMBER
  • 205 POSTS
So I drove it for over seventy five miles today and the EGR light still has an x mark on it.
Was this
answer
helpful?
Yes
No
Friday, February 1st, 2019 AT 5:12 AM
Tiny
JACOBANDNICKOLAS
  • MECHANIC
  • 110,156 POSTS
Can you upload the picture of what you are seeing on the scanner? I need to try to determine if it is pending or failed.

Thanks, Danny. Things are different here.

Let me know,

Joe
Was this
answer
helpful?
Yes
No
Friday, February 1st, 2019 AT 12:56 PM
Tiny
IGENIUS92
  • MEMBER
  • 205 POSTS
Sure, here's a picture of the ready test on my obd2.
Was this
answer
helpful?
Yes
No
Friday, February 1st, 2019 AT 1:20 PM
Tiny
JACOBANDNICKOLAS
  • MECHANIC
  • 110,156 POSTS
I was hoping I could identify if it was complete or incomplete. I see your confusion.

Do me a favor, if you still have the manual for this scanner, see if it indicates what the X stands for on this scanner.

Joe
Was this
answer
helpful?
Yes
No
Friday, February 1st, 2019 AT 3:37 PM
Tiny
IGENIUS92
  • MEMBER
  • 205 POSTS
The X states that it's not ready it says basically.
Was this
answer
helpful?
Yes
No
Friday, February 1st, 2019 AT 8:25 PM
Tiny
IGENIUS92
  • MEMBER
  • 205 POSTS
What should I do now? Replace the EGR? Is there a picture or diagram of where the EGR sensor is? Maybe I can just clean it.
It is a 1997 Camaro v6 3800 series engine 5 speed.
Was this
answer
helpful?
Yes
No
Friday, February 1st, 2019 AT 8:27 PM
Tiny
JACOBANDNICKOLAS
  • MECHANIC
  • 110,156 POSTS
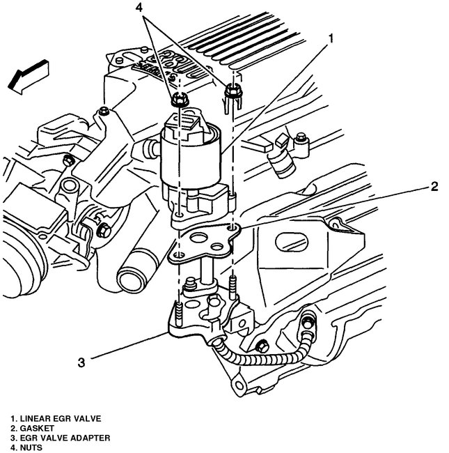
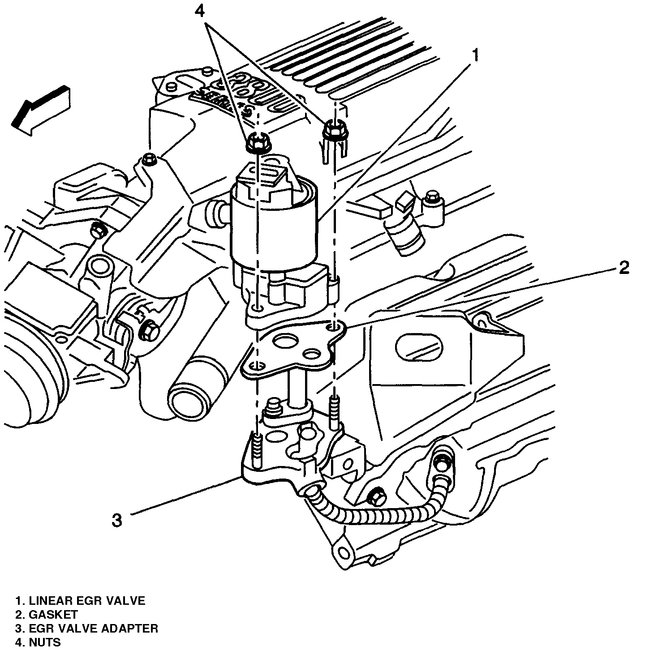
Okay, if it isn't ready, that means the vehicle needs to be driven more (incomplete). The cycle hasn't completed. As far as the EGR, it's on the intake. I attached a picture of it.
Was this
answer
helpful?
Yes
No
Friday, February 1st, 2019 AT 9:13 PM
Tiny
IGENIUS92
  • MEMBER
  • 205 POSTS
Okay thanks. I will drive it longer and let you know the results.
Was this
answer
helpful?
Yes
No
Saturday, February 2nd, 2019 AT 6:17 PM
Tiny
JACOBANDNICKOLAS
  • MECHANIC
  • 110,156 POSTS
Okay. Let me know what happens.

Take care,
Joe
Was this
answer
helpful?
Yes
No
Saturday, February 2nd, 2019 AT 9:01 PM

Please login or register to post a reply.

Related Check Engine Light Content