Sunday, June 19th, 2022 AT 11:23 AM
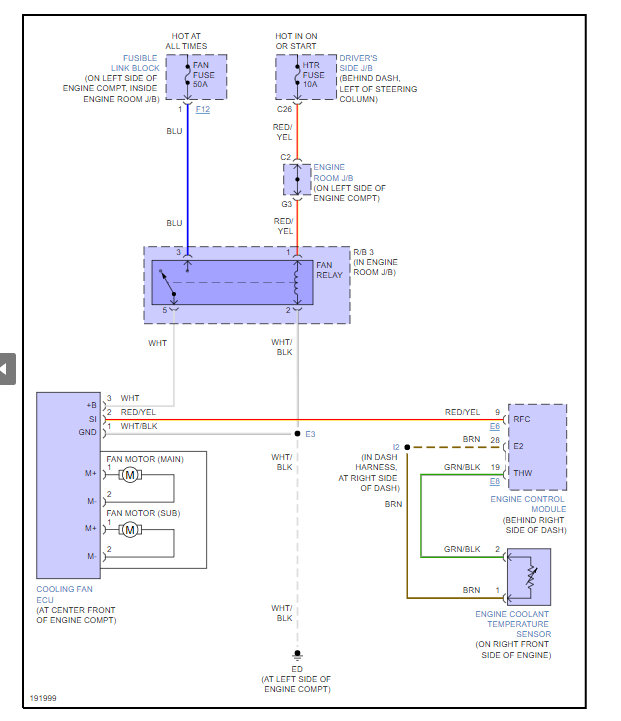
If I rev it up or drive it around it won't overheat. I checked both radiator hoses and they're both cold enough to hold and fans do come on.
















