Overheating

Tiny
AVAREGINA
  • MEMBER
  • 2007 CHEVROLET TAHOE
  • 5.3L
  • V8
  • 2WD
  • AUTOMATIC
  • 184,000 MILES
Replaced the water pump, the hoses, fuses and relays, thermostat twice, the radiator, coolant temperature sensor, and it’s still overheating. I just can’t think of what else there is. My fans are on, but they don’t kick on high. It overheats when I put the A/C on when I’m stopped but when I’m moving it’s fine. Someone please help! I’m running out of answers, and I don’t want to keep changing all of these parts.
Tuesday, May 24th, 2022 AT 7:02 PM

1 Reply

Tiny
KASEKENNY
  • MECHANIC
  • 18,907 POSTS
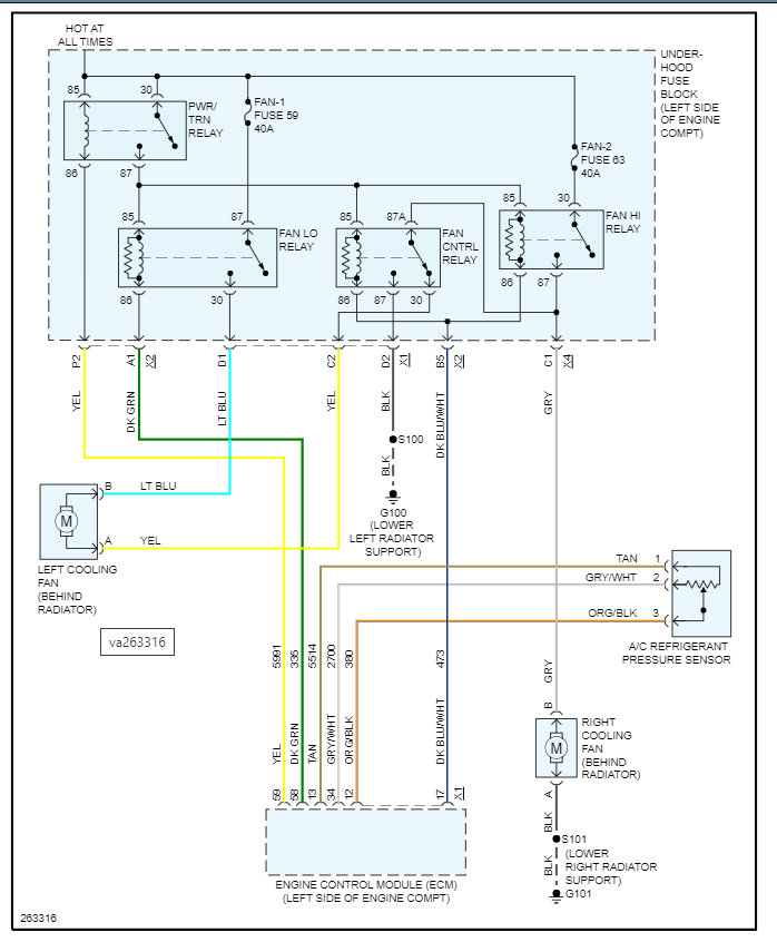
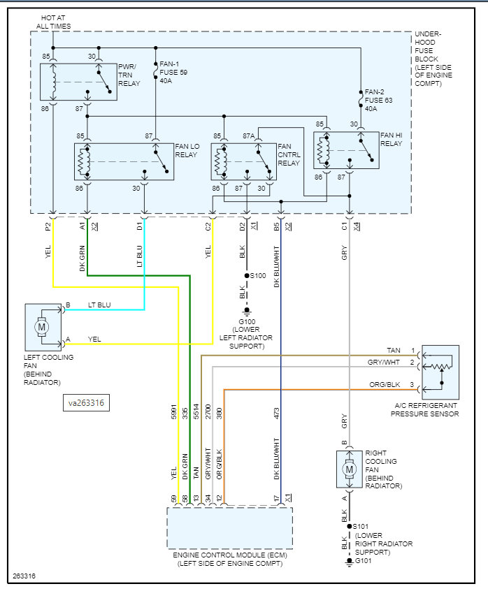
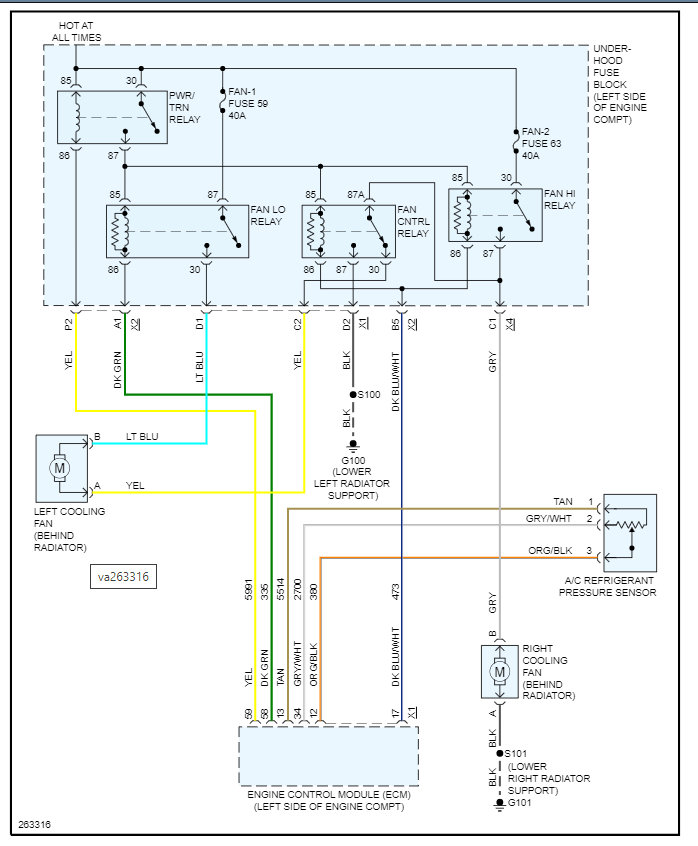
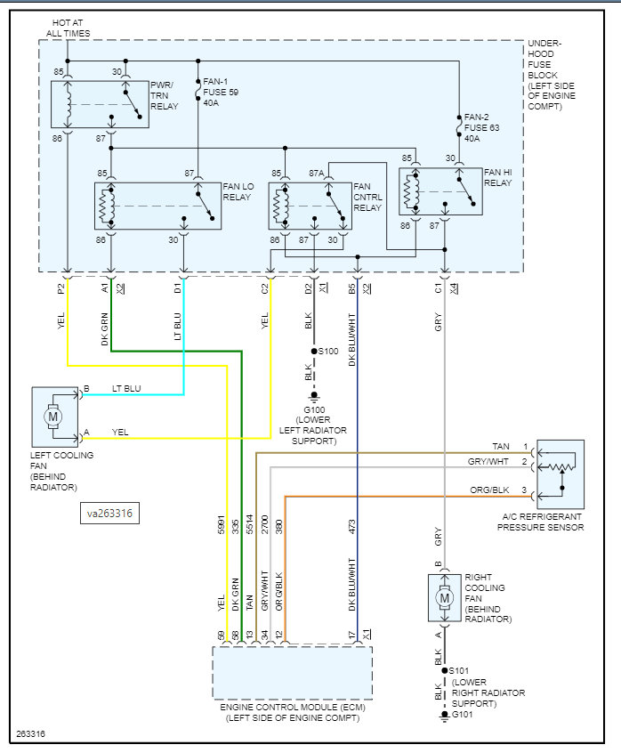
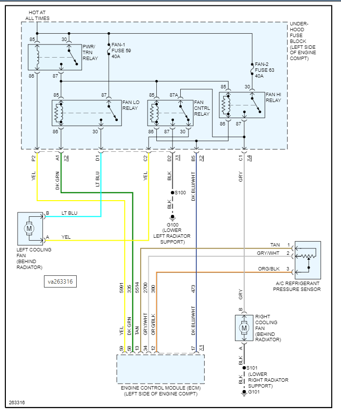
When the engine is overheating and the fans are on, you said they do not come on high? If the engine does not overheat when it is moving, then the overheating issue is being caused by a lack of air flow over the radiator when you are sitting still.

This means we are going to have to dig deeper into the fan not coming on high.

https://www.2carpros.com/articles/engine-overheating-or-running-hot

You have two fans that when the AC is on, or the engine is hot, they should be on high.

So, this means we need to find out why they are not turning on high.

This starts with checking the power coming from the high relay. Technically the right cooling fan is the only one that will switch to a higher speed, but they will both be on.

So, let's start with checking the power coming from the relay and going to it so that we can find out if we have a relay issue or a control issue.

https://www.2carpros.com/articles/how-to-check-an-electrical-relay-and-wiring-control-circuit

We can turn the engine on and let it warm up and then jump this relay to check the fan operation just to make sure the fan can turn on high and then confirm the engine doesn't overheat.

Let's start with this and go from there.

Thanks
Was this
answer
helpful?
Yes
No
Wednesday, May 25th, 2022 AT 7:13 PM

Please login or register to post a reply.