HOME
ASK A QUESTION
REPAIR GUIDES
BECOME A MEMBER
LOG IN
Login with Facebook
OR
Remember me
NOT A MEMBER?
FORGOT PASSWORD?
CONTACT US
PRIVACY POLICY
TERMS AND CONDITIONS
☰
Home
GMC
Yukon
Engine
Symptoms
Overheat
Overheating
POPPA DUNNIGAN
MEMBER
2007 GMC YUKON
214,419 MILES
My SUV is an XL. Overheating when parked and running but not when I drive for hours?
Monday, April 8th, 2019 AT 10:16 AM
7 Replies
ASEMASTER6371
MECHANIC
52,796 POSTS
Good afternoon,
Are the cooling fans working when it is at idle? If they are not, it will overheat at idle and not at higher speeds.
https://www.2carpros.com/articles/how-an-electric-cooling-fan-works
Roy
Was this
answer
helpful?
Yes
No
Monday, April 8th, 2019 AT 11:20 AM
POPPA DUNNIGAN
MEMBER
4 POSTS
I just brought a brand new fan and it still does it.
Was this
answer
helpful?
Yes
No
Monday, April 8th, 2019 AT 11:27 AM
ASEMASTER6371
MECHANIC
52,796 POSTS
Does the fan turn on?
Roy
Was this
answer
helpful?
Yes
No
Monday, April 8th, 2019 AT 11:41 AM
POPPA DUNNIGAN
MEMBER
4 POSTS
I don't think so.
Was this
answer
helpful?
Yes
No
Monday, April 8th, 2019 AT 1:48 PM
ASEMASTER6371
MECHANIC
52,796 POSTS
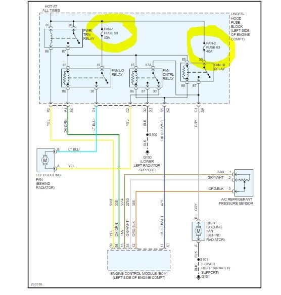
Okay, do you have a voltmeter or test light to do some testing?
I attached a diagram of the system. Check the two fuses listed for power on both sides with the key on.
Roy
Image (Click to make bigger)
Was this
answer
helpful?
Yes
No
Monday, April 8th, 2019 AT 1:57 PM
POPPA DUNNIGAN
MEMBER
4 POSTS
Sometime it says Stabilizer off, then overheats when parked.
Was this
answer
helpful?
Yes
No
Monday, April 8th, 2019 AT 6:39 PM
ASEMASTER6371
MECHANIC
52,796 POSTS
Can you do some checking?
Roy
Was this
answer
helpful?
Yes
No
Monday, April 8th, 2019 AT 7:26 PM
Please
login
or
register
to post a reply.
Related Engine Overheat Content
1996 Gmc Yukon Overheating (gauge Reads In Red)
This Was An Intermittant Problem But Now Is Happening Every Time Runs. Gauge Indicates Overheating, Check Gauge Light Comes On After Only...
Asked by
thyrag
·
1 ANSWER
1996
GMC YUKON
VIDEO
Is Your Engine Cool Enough to Check?
Instructional repair video
GUIDE
Overheating Symptoms
An overheating engine is never a good thing to have happen. If the problem is caught quickly you can save the headache of a major engine repair. Knowing the information from...
Overheating
Bought 94 Yukon Put It On Highway Was Running Fine Then Started To. Over Heat Pulled Over Let It Cool Off, Off I Go Again Temp Reads A...
Asked by
erick ingram
·
1 ANSWER
1994
GMC YUKON
Hot Engine
Yukon 2004 Eating Coolant
Asked by
spdvan
·
1 ANSWER
2004
GMC YUKON
2003 Gmc Yukon The Antifreez Is Alway Low After I...
Engine Cooling Problem 2003 Gmc Yukon V8 Two Wheel Drive Automatic 105k Miles Can You Give Me An Advise? I Already Changed The Presure...
Asked by
Jose L. Casillas
·
1 ANSWER
2003
GMC YUKON
2004 Gmc Yukon Coolant
2004 Gmc Yukon V8 82,000 Miles My 2004 Gmc Yukon Xl Seems To Be Using More Coolant Than Usual. I Have Looked For Leaks But There Are...
Asked by
yukonxl2010
·
3 ANSWERS
2004
GMC YUKON
VIEW MORE
Ask a Car Question. It's Free!
Is Your Engine Cool Enough to Check?
Overheating Symptoms
Cooling System Pressure Test