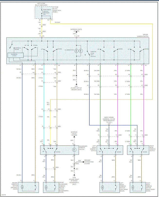
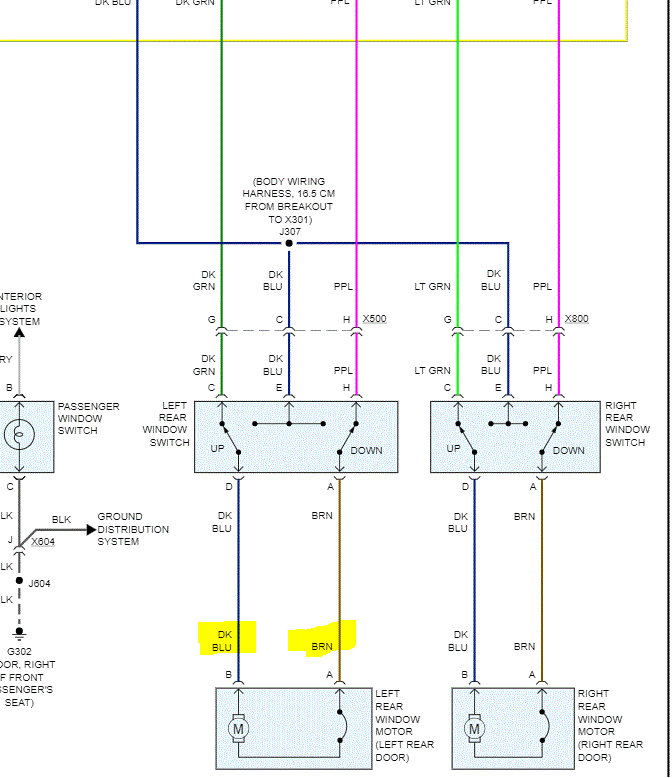
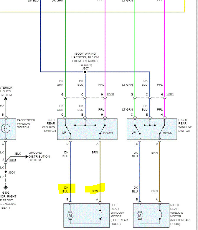
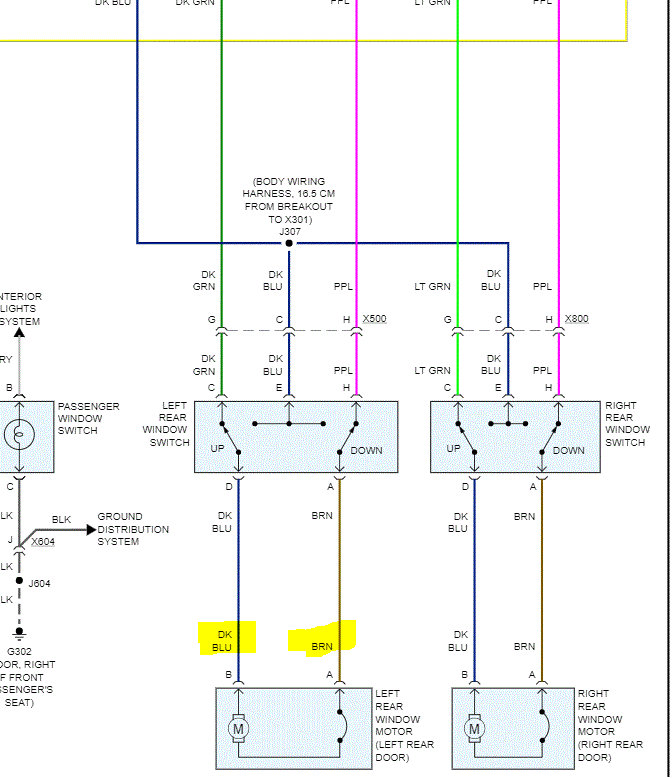
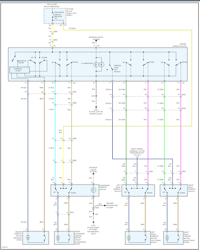
Friday, August 21st, 2020 AT 9:21 AM
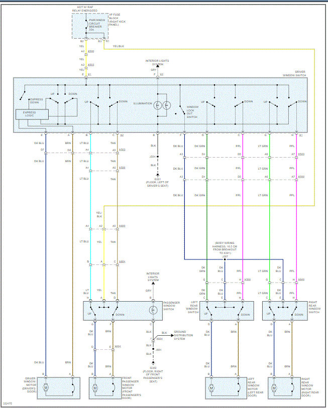
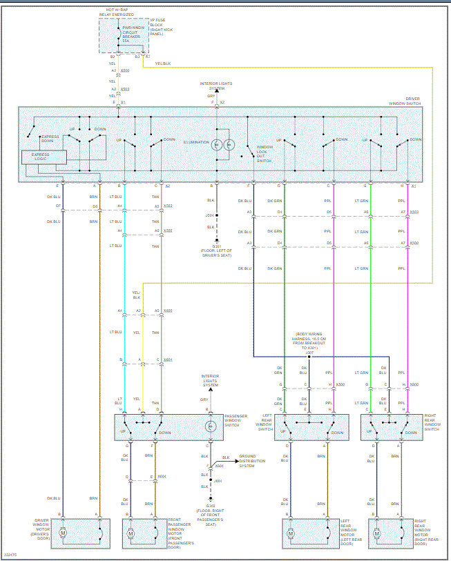
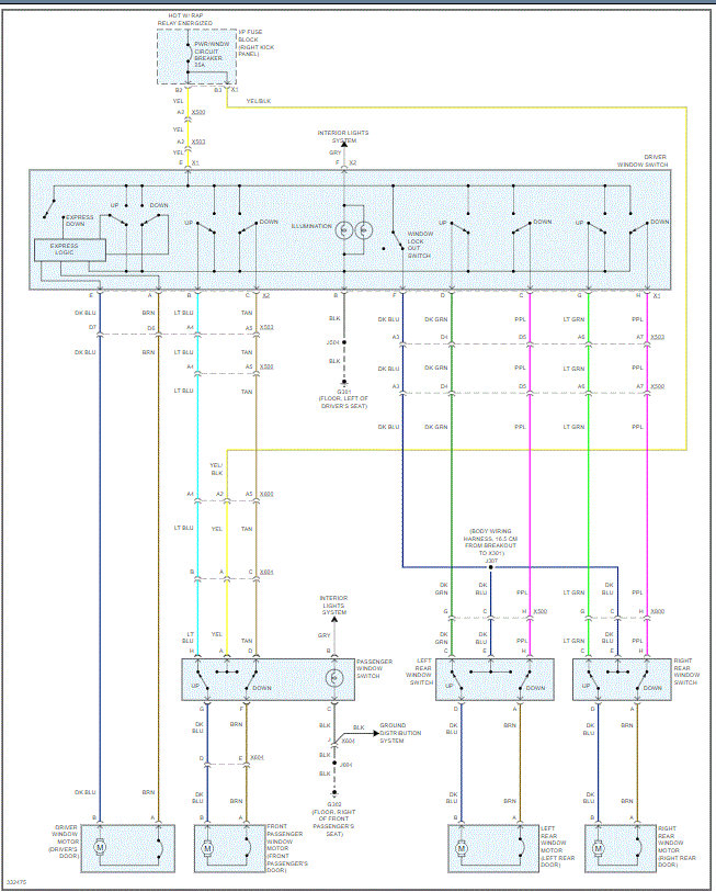
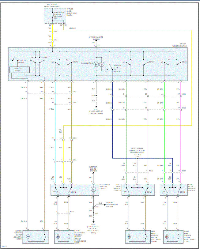
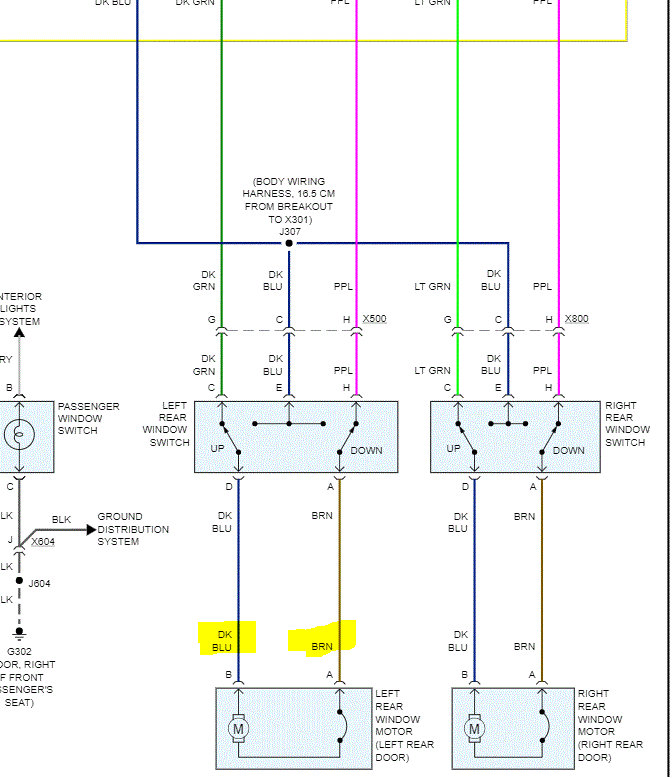
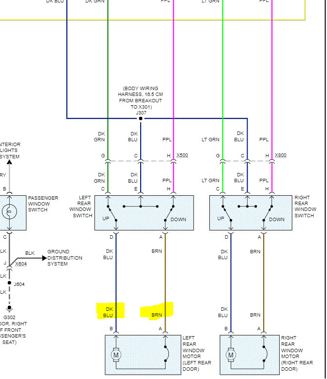
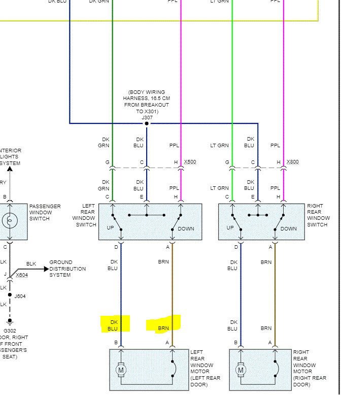
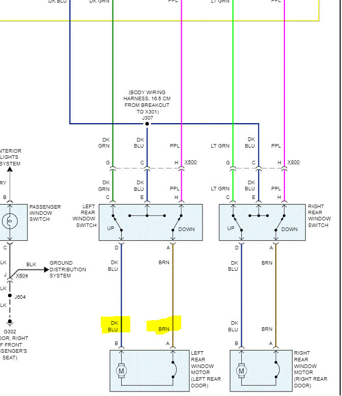
When using the window, we heard the wire break on the motor. So, we got a new window motor assembly. Replaced it. Now the window doesn’t move in either direction when using power switch on the door. However, other three windows do work just fine. I also, tried a second motor assembly just in case same issue. What’s next step? It worked right before the window motor broke but now it doesn’t. Please help.


