My gas gauge, speedometer and temp gauge aren't working?

Tiny
M80
  • MEMBER
  • 2003 OLDSMOBILE ALERO
II was checking my fuses yesterday in the driver's side fuse box and now my gas gauge, speedometer, and temp gauge aren't working. I tried rechecking my fuses and also giggling the key in the ignition switch to see if that would help. Still nothing.

What should I do?
Tuesday, September 7th, 2010 AT 3:33 PM

1 Reply

Tiny
KASEKENNY
  • MECHANIC
  • 18,907 POSTS
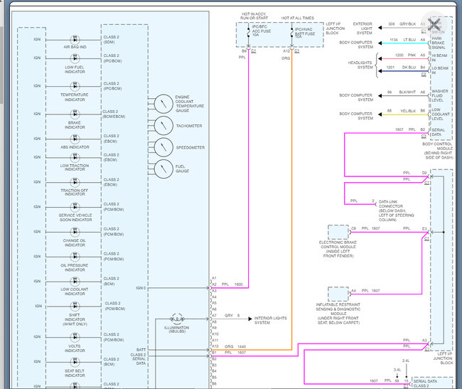
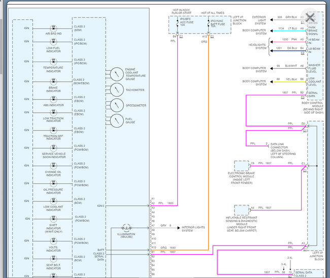
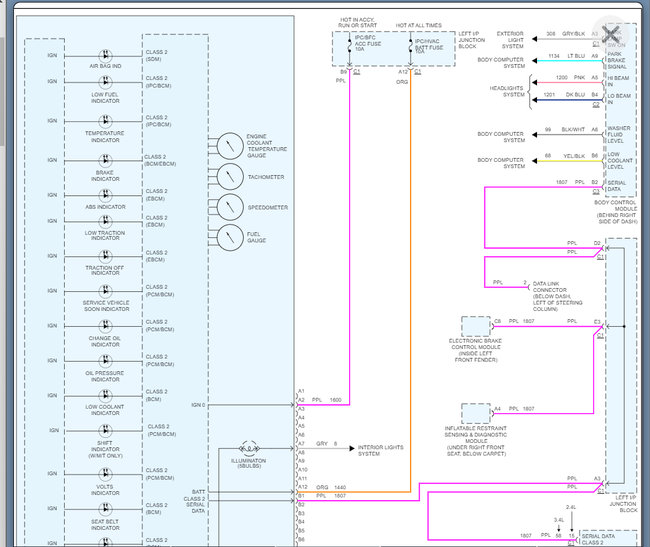
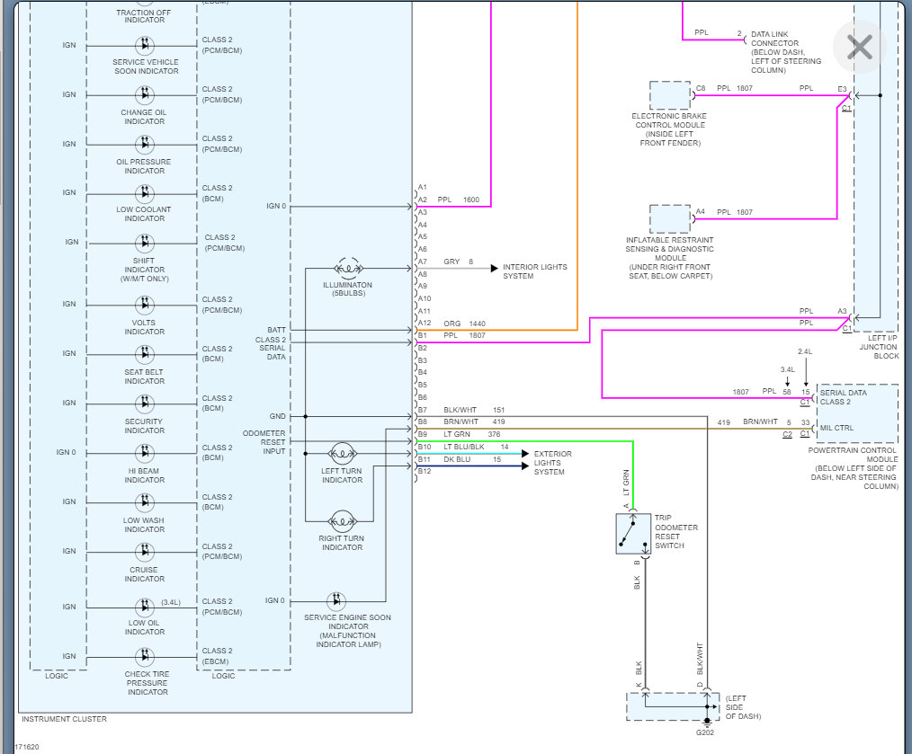
I am not sure how checking the fuses would cause this issue, but we need to recheck the fuses shown in the diagram below.

Here is a guide that will help with this:

https://www.2carpros.com/articles/how-to-check-a-car-fuse

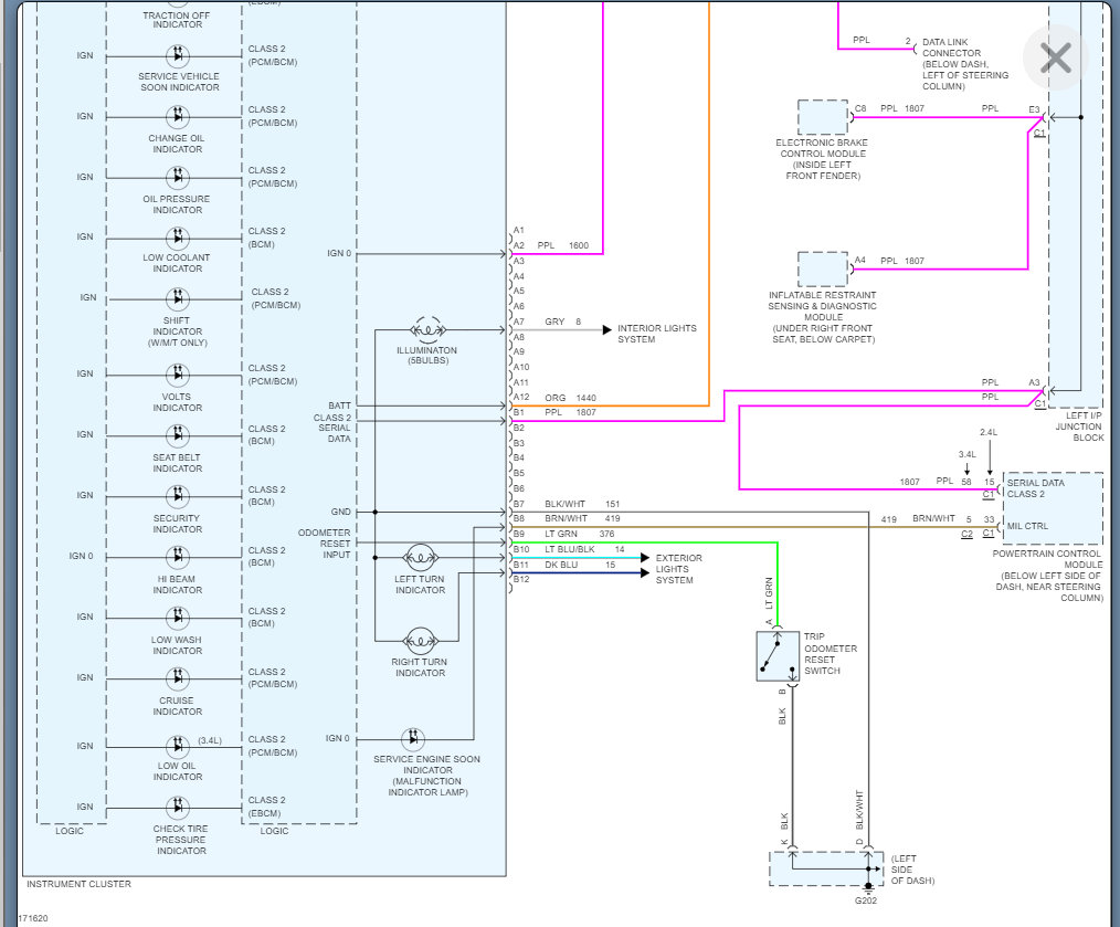
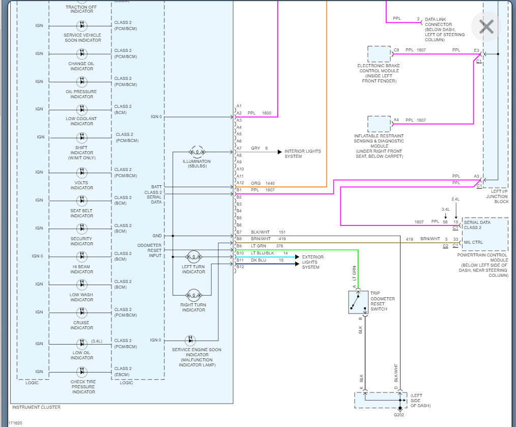
Next we need to make sure the power is getting to the cluster and if it is then unfortunately, I suspect the circuit board in the cluster has failed.

https://www.2carpros.com/articles/how-to-check-wiring

The only thing I can think of is when you were checking the fuses you had a voltage surge, and it damaged a solder joint and caused an open circuit.

Please run through this info and let me know what other questions you have.

Thanks
Was this
answer
helpful?
Yes
No
Thursday, December 23rd, 2021 AT 3:16 PM

Please login or register to post a reply.