Horn

Tiny
GWILTON06
  • MEMBER
  • 2000 OLDSMOBILE ALERO

My horn currently quit working and I was wondering what I should do about it?
Thursday, June 10th, 2010 AT 9:14 PM

3 Replies

Tiny
BLUELIGHTNIN6
  • MECHANIC
  • 16,542 POSTS
Check the fuse and horn relay. if OK then have to test the horn with 12v direct power to see if it sounds. if it doesn't, replace it. if it does, horn switch on steering wheel probably culprit.

Heres a guide on testing wiring, it will help

https://www.2carpros.com/articles/how-to-check-wiring

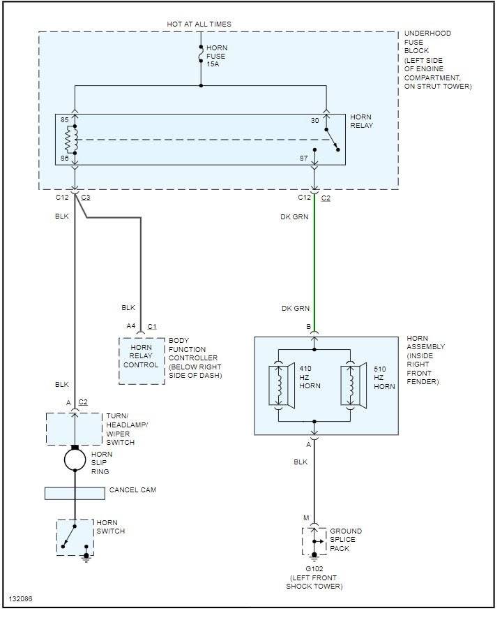
Attached below is the wiring diagram for your horn
Was this
answer
helpful?
Yes
No
Thursday, June 10th, 2010 AT 9:24 PM
Tiny
DMCCANN126
  • MEMBER
  • 1 POST
  • 2003 OLDSMOBILE ALERO
  • 6 CYL
  • FWD
  • AUTOMATIC
  • 100,089 MILES
I recently replace the drive belt on my alero and now the horn has stopped working. Did I do something wrong?
Was this
answer
helpful?
Yes
No
Sunday, March 3rd, 2019 AT 12:11 PM (Merged)
Tiny
BLUELIGHTNIN6
  • MECHANIC
  • 16,542 POSTS
Drive belt replacement would not interfere with the horn. Probably just a coincedence. Test the fuse for the horn. If OK, check horn relay.
Was this
answer
helpful?
Yes
No
Sunday, March 3rd, 2019 AT 12:11 PM (Merged)

Please login or register to post a reply.