Oil pressure goes to zero when stopped

Tiny
MBEAUCHAMP0220
  • MEMBER
  • 2008 CHEVROLET TRAILBLAZER
  • 6 CYL
  • 2WD
  • AUTOMATIC
  • 133,000 MILES
My oil pressure drops to zero when I sit at a stoplight. Can you tell me what that might be? The oil level is fine no visible leaks anywhere.
Sunday, March 24th, 2019 AT 4:58 PM

1 Reply

Tiny
JACOBANDNICKOLAS
  • MECHANIC
  • 110,194 POSTS
Welcome to 2CarPros.

If there is no ticking or knocking from the engine when this happens, chances are the oil pressure switch is bad and allowing oil to bypass a crimp. What to do is check the oil pressure switch for evidence of it leaking. You may have to remove the wiring connector to it to see the leak.

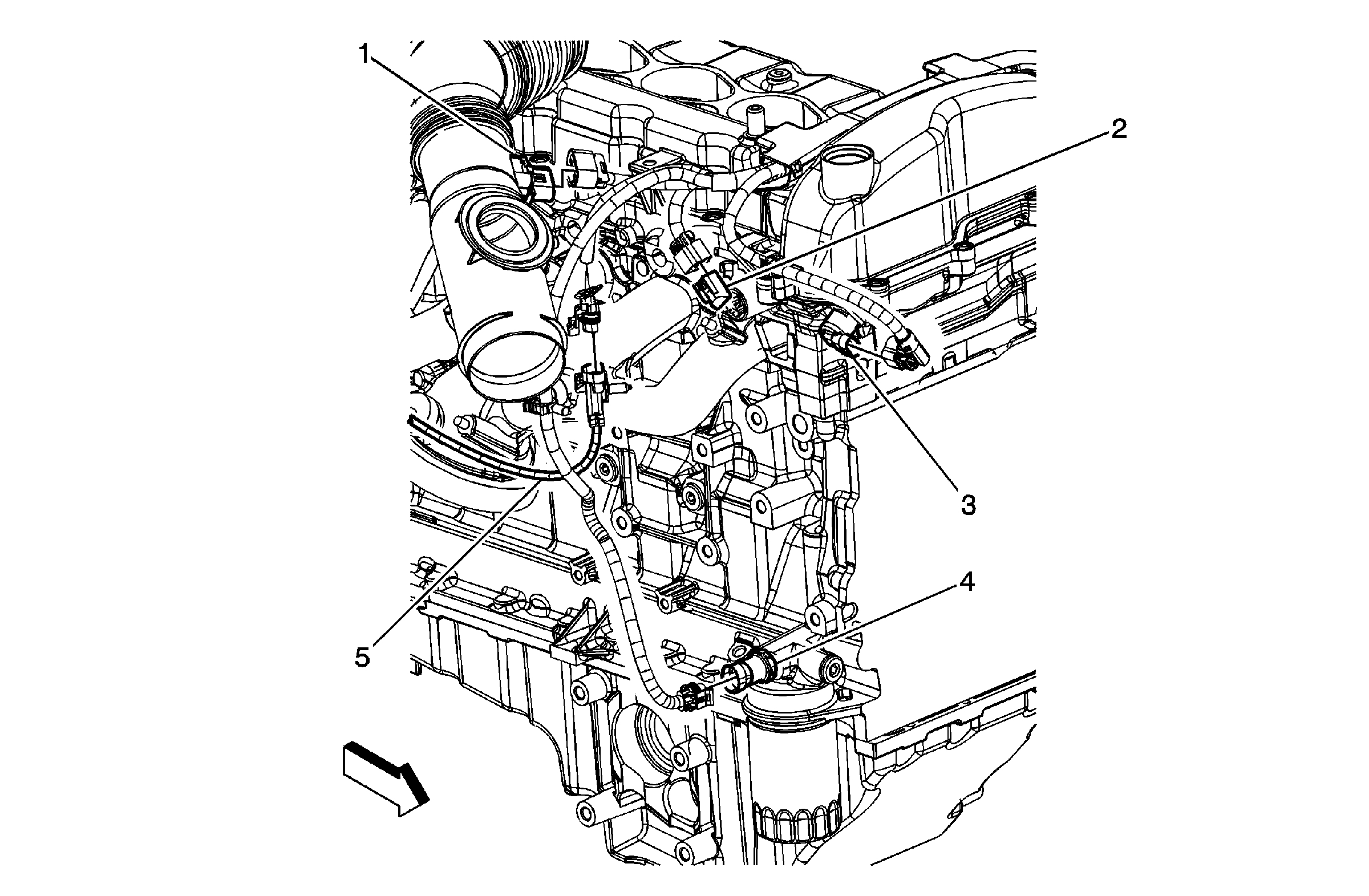
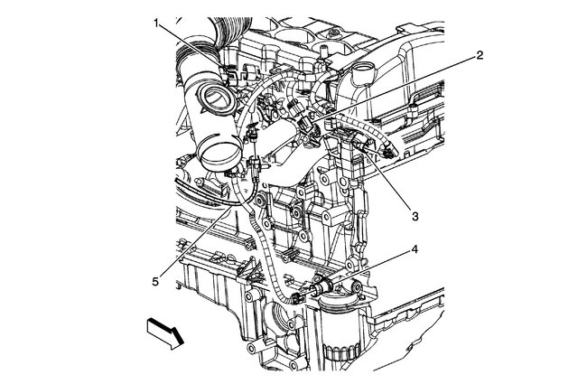
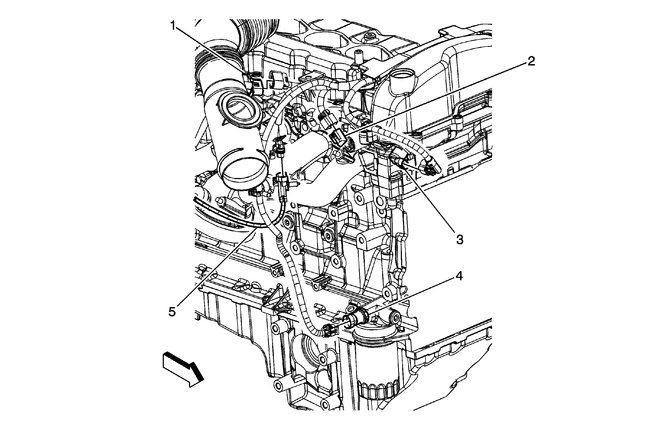
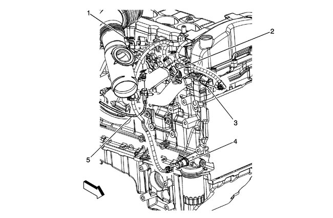
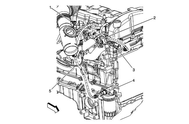
The sensor is right above the oil filter. Here are the directions to replace it if you find it is leaking. The picture attached shows its location.

Engine Oil Pressure Sensor and/or Switch Replacement

Removal Procedure

1. Raise the vehicle. Refer to Lifting and Jacking the Vehicle.
2. Remove the engine shield. Refer to Engine Protection Shield Replacement.

See Picture 1

3. Remove the electrical connector from the oil pressure switch.
4. Remove the oil pressure switch.

Installation Procedure

See Picture 1

Notice: Refer to Fastener Notice.

1. Install the oil pressure switch.

Tighten the oil pressure switch to 20 N.M (15 lb ft).

2. Install the electrical connector to the oil pressure switch.
3. Install the engine shield. Refer to Engine Protection Shield Replacement.
4. Lower the vehicle.

Now, as I mentioned earlier, if there is no engine noise when the gauge shows 0psi, the switch itself may be bad and not leaking. Make sure the connector is tight and clean, free of corrosion.

Picture 2 shows where the switch is located on the engine. It is number 4 in the picture.

Let me know if this helps or if you have other questions. If you do hear a ticking or knocking when this happens, let me know.

Joe
Was this
answer
helpful?
Yes
No
Sunday, March 24th, 2019 AT 6:00 PM

Please login or register to post a reply.