Oil pan removal and replacement instructions needed

Tiny
LOUIE SAMPSON
  • MEMBER
  • 2007 DODGE CHARGER
  • 2.7L
  • V6
  • 2WD
  • AUTOMATIC
  • 100,463 MILES
What do I need to remove to replace the oil pan?
Thursday, January 21st, 2021 AT 5:34 PM

1 Reply

Tiny
ASEMASTER6371
  • MECHANIC
  • 52,796 POSTS
Good evening,

I posted the procedure below for you with pictures.

Let me know if you have any other questions.

Roy

REMOVAL

imageOpen In New TabZoom/Print

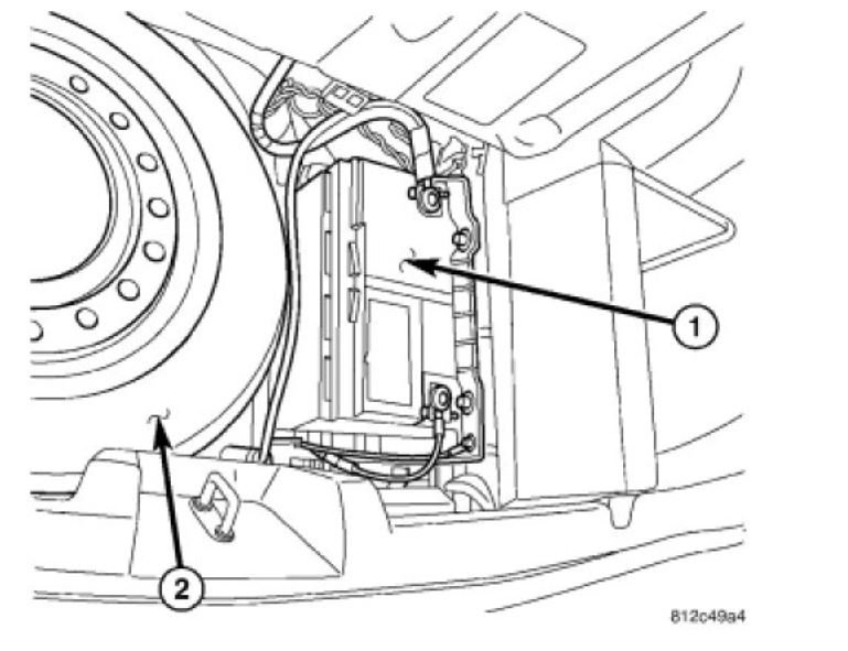
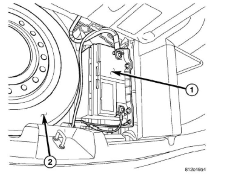
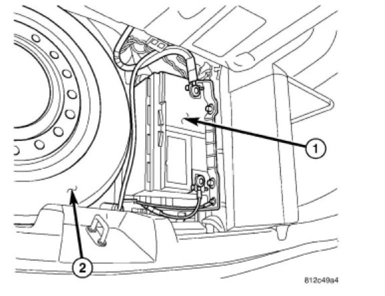
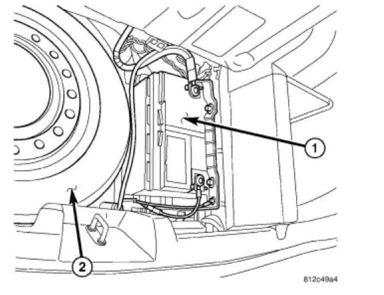
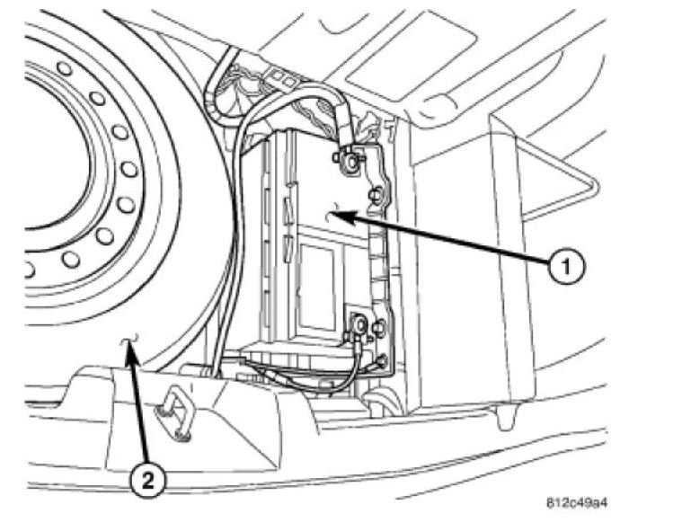
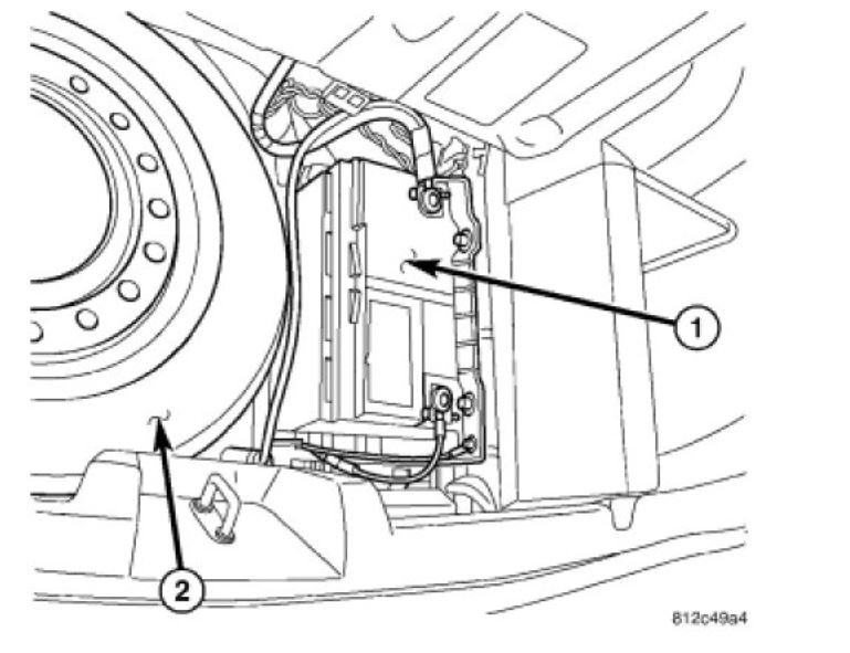
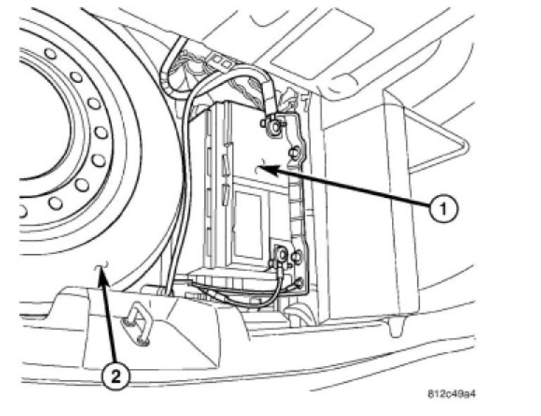
1. Disconnect negative battery cable (1) located in trunk.

ImageOpen In New TabZoom/Print

2. Remove engine oil indicator (4).
3. Raise vehicle on hoist.

ImageOpen In New TabZoom/Print

4. Remove lower splash shield retaining bolts (1) and splash shield (2).

ImageOpen In New TabZoom/Print

5. Drain engine oil (5) and remove oil filter (3).

ImageOpen In New TabZoom/Print

6. Remove the steering coupler bolt (4) and separate coupler (1) from rack (3).

ImageOpen In New TabZoom/Print

7. Disconnect power steering pressure switch electrical connector (1).

ImageOpen In New TabZoom/Print

8. Remove steering rack mounting bolts (1).

ImageOpen In New TabZoom/Print

9. Remove power steering line support (2) from frame.
10. Reposition rack out of the way.
11. Remove structural collar.

ImageOpen In New TabZoom/Print

12. Remove mounting bracket to oil pan lower bolt (1).
13. Remove A/C compressor bracket to oil pan lower bolt (2).

ImageOpen In New TabZoom/Print

14. Remove lower timing chain cover to oil pan bolts (1).

CAUTION: Assure removal of the four lower timing cover bolts, as damage to the timing cover and/or oil pan may occur.

15. Remove oil pan and gasket.
Was this
answer
helpful?
Yes
No
+1
Thursday, January 21st, 2021 AT 5:44 PM

Please login or register to post a reply.