Check engine light is on, so I hooked obd2 reader (Innova 3100) up, but nothing. I tested the reader on my 2016 F150 and a Toyota and it works. I checked fuses (including cig lighter fuse) but they were fine.
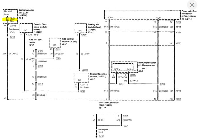
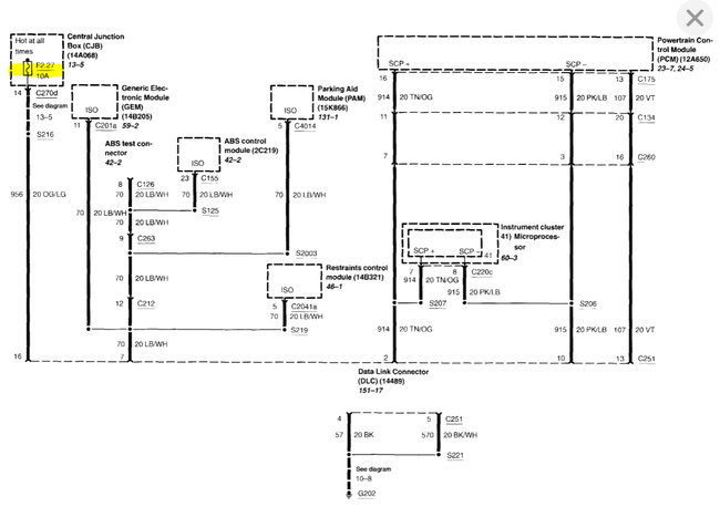
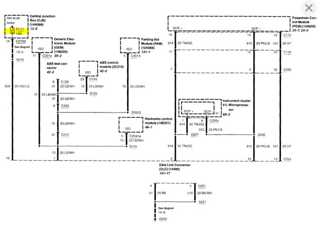
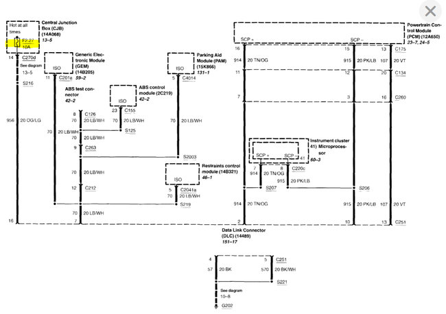
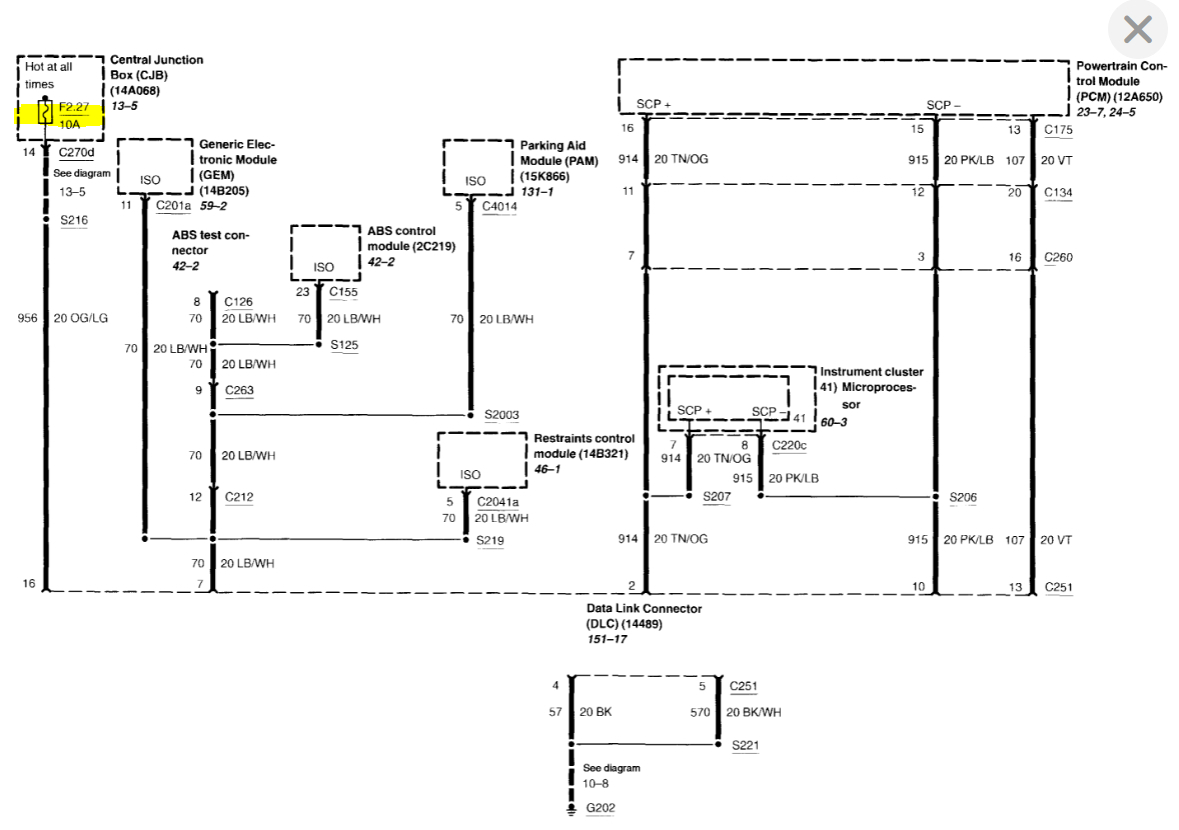
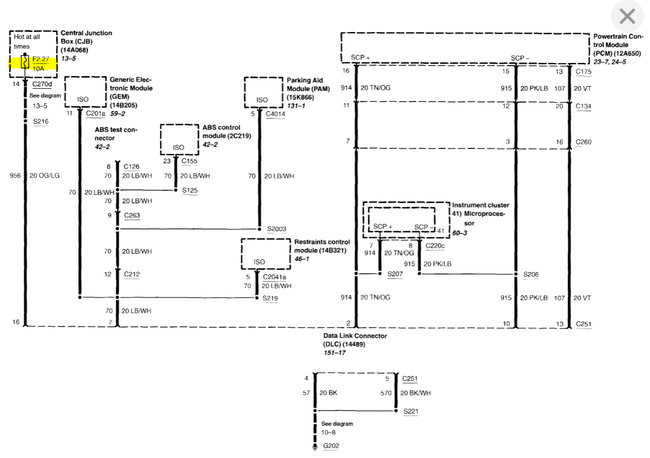
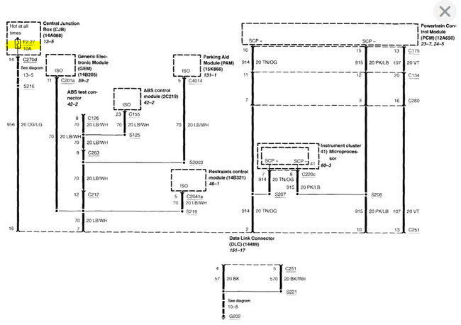
Does anyone have the wiring diagram for the obd2 port on this vehicle?
Does anyone have the wiring diagram for the obd2 port on this vehicle?
Jan 23, 2022 at 7:05 PM

