No spark and the fuel pump relay is not working

2010 MINI COOPER S
121,000 MILES • 0.6L • 4 CYL • TURBO • 2WD • MANUAL
Avatar
PFNOE54
  • MEMBER
  • 1 POST
Obd2 says check connection try again vehicle has no spark and fuel pump relay is not working.
Apr 14, 2022 at 8:35 AM
Repair Safety Notice: This information is for general instructional purposes only. Vehicle repair can be dangerous. Verify all information, follow manufacturer service procedures, use proper tools and safety equipment, and consult a qualified repair shop when needed.
Advertisement
Avatar
KASEKENNY
  • CAR REPAIR CONTRIBUTOR
  • 18,907 POSTS
There are a number of things that can cause this, but we need to start by checking to see if the theft light remains on.

If it does, then we need to deactivate the system.

https://www.2carpros.com/articles/how-to-reset-a-security-system

If you are not able to deactivate the theft system, then we need to figure out why the scan tool is not connecting.

If it is telling you to check the connection, then that means it is getting power but not able to connect to the modules.

So, this means we need to check the voltage on pin 16 and ground on pin 4 and 5.

Then we need to check the resistance of the wire from pin 9 to the DME on pin 10. You should have less than a half ohm on this wire.

https://www.2carpros.com/articles/how-to-use-a-voltmeter

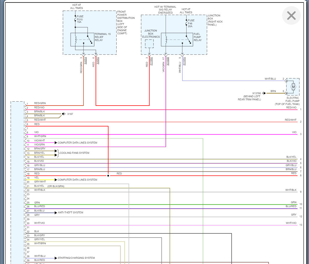
Please see the wiring diagrams below and let us know what you find with this.
Apr 15, 2022 at 12:19 PM
Advertisement