OBD power supply

Tiny
JOLENE BRANDES
  • MEMBER
  • 2002 CHEVROLET BLAZER
  • 4.0L
  • V6
  • 2WD
  • AUTOMATIC
  • 156,199 MILES
OBD fuses.
Friday, December 17th, 2021 AT 11:50 AM

1 Reply

Tiny
AL514
  • MECHANIC
  • 5,584 POSTS
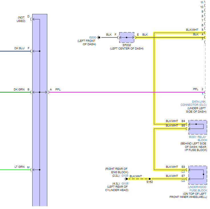
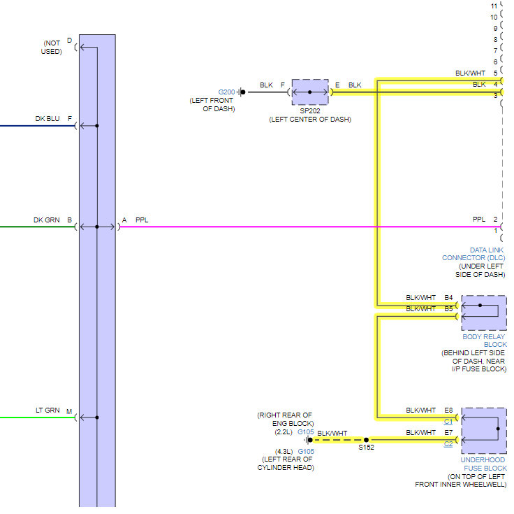
Hello, I am assuming you have no power at the Data Link Connector?
The first diagram is the power feed on Pin 16 and the second diagram are the 2 ground connections for it. If you have no communication with a scan tool, that can be a whole different issue altogether.

https://www.2carpros.com/articles/how-to-check-wiring

https://www.2carpros.com/articles/how-to-check-a-car-fuse

https://www.2carpros.com/articles/how-to-use-a-voltmeter
Was this
answer
helpful?
Yes
No
Friday, December 17th, 2021 AT 12:40 PM

Please login or register to post a reply.