OBD port not working

Tiny
WADE22
  • MEMBER
  • 2002 SUZUKI XL7
  • 2.7L
  • V6
  • 2WD
  • AUTOMATIC
  • 15,000 MILES
My obd port on my vehicle listed above does not want to work and when I start my vehicle after seconds it just shuts off without warning.
Monday, January 25th, 2021 AT 12:07 PM

1 Reply

Tiny
JACOBANDNICKOLAS
  • MECHANIC
  • 110,192 POSTS
Hi,

When you plug into the DLC, does the scan tool power up and indicate it is connected?

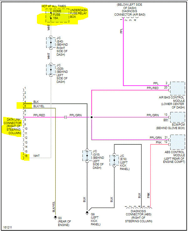
If you take a look at the attached pic, it shows the data link connector (DLC). I need you to first confirm there is power to pin 16. You should have 12v there. If you do, then I need you to check pins 4 and 5 for continuity to ground.

Here is a link that you may find helpful when doing this:

https://www.2carpros.com/articles/how-to-check-wiring

Note: If there is no power, confirm the fuse for the dome light (highlighted) is good and has power to and from it. Here is a link to help with that:

https://www.2carpros.com/articles/how-to-check-a-car-fuse

Let me know what you find.

Joe

Was this
answer
helpful?
Yes
No
Monday, January 25th, 2021 AT 7:36 PM

Please login or register to post a reply.