Tuesday, February 12th, 2019 AT 6:43 PM
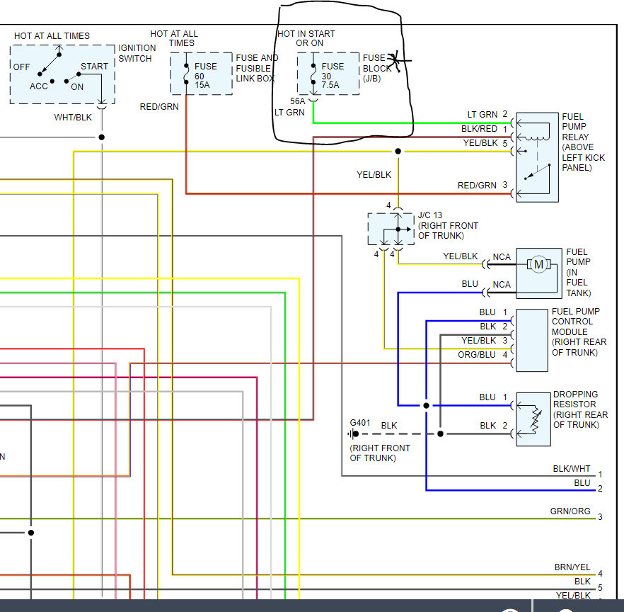
I replaced the stock stereo with an aftermarket one. Afterwards I started the car and went to leave made it to the end of the driveway and it shut off and couldn't get it to start back. So I thought the fuel filter was clogged, so I replaced it nothing changed. Then realized the fuel pump wasn't working, so I replaced that still no change. There is no power to my pump, so I changed the relay and still nothing. Any ideas? There is power to the relay it is just not getting passed there. Any clue? Thanks in advance!







