Not starting

Tiny
JEREMY OHNE ANDERSON
  • MEMBER
  • 2001 FORD CROWN VICTORIA
  • 4.7L
  • V8
  • 2WD
  • AUTOMATIC
  • 218,543 MILES
I have put four different starters in this car and after a day it ruins them. I want to get this taken care of but don't know what to do next. Can you help me out?
Friday, July 16th, 2021 AT 8:16 AM

1 Reply

Tiny
JACOBANDNICKOLAS
  • MECHANIC
  • 110,192 POSTS
Hi Jeremy,

I'll try my best to help. When you say they are ruined, what is happening? Does it seem like electrically there is a problem, is the gear (Bendix) that engages with the flywheel going bad, or do they just stop working?

One other question, are the replacement starters all the same brand?

If the starter just stops working, I need you to check if it is still getting power. Take a look through this link and if you are comfortable, perform the test:

https://www.2carpros.com/articles/starter-not-working-repair

Also, here is a link you may find helpful:

https://www.2carpros.com/articles/how-to-check-wiring

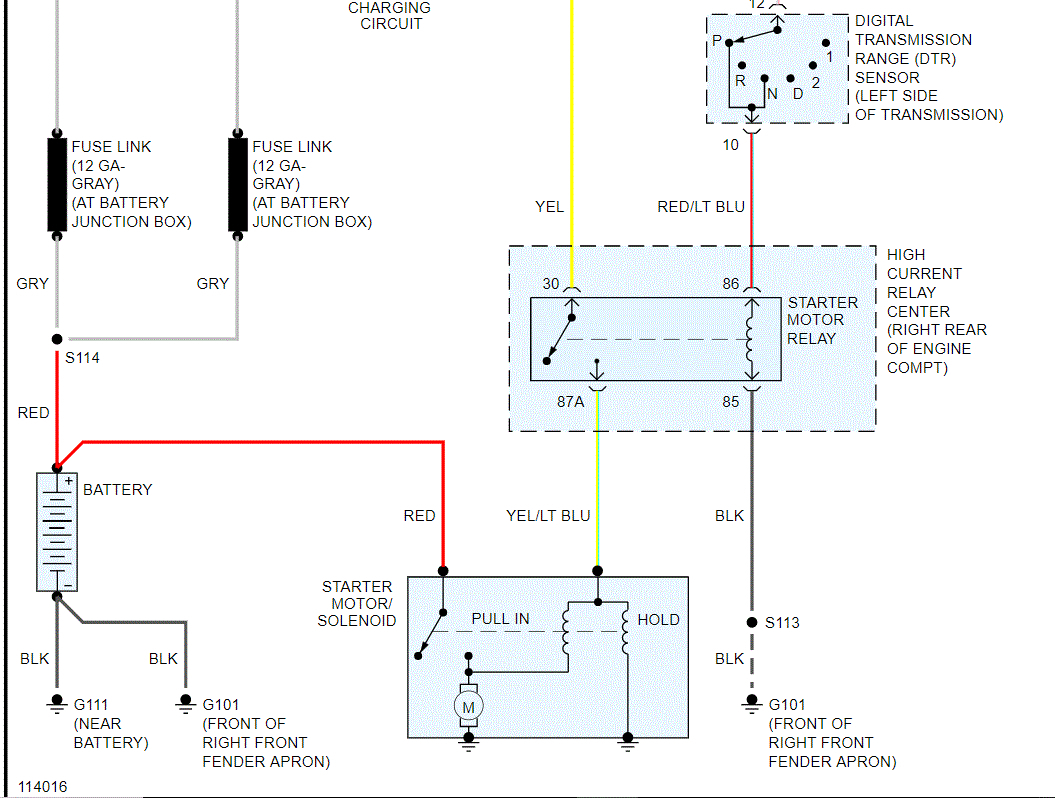
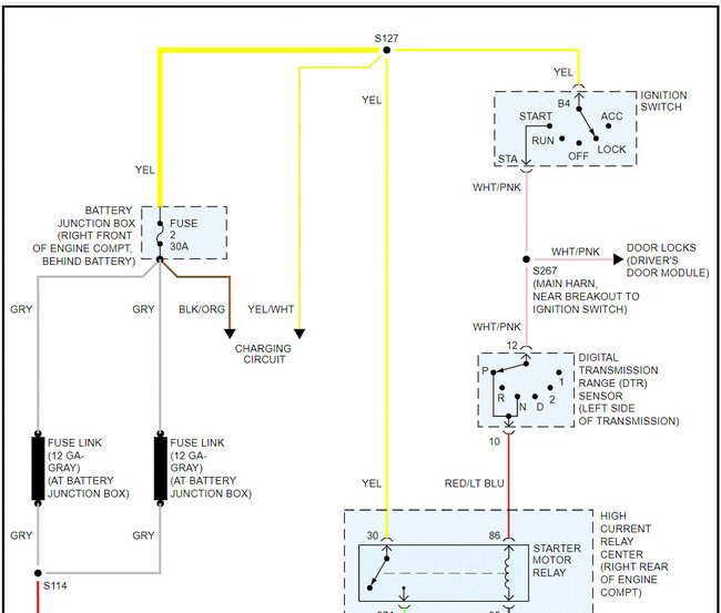
I attached the wiring schematic below for the starting system so you have it as a reference. I had to cut it in half to make it readable, but I did overlap them so you can follow from one the next.

Let me know what you find or if you have other questions.

Take care,

Joe

See pics below.
Was this
answer
helpful?
Yes
No
Friday, July 16th, 2021 AT 9:03 PM

Please login or register to post a reply.