Sunday, August 20th, 2017 AT 11:14 AM
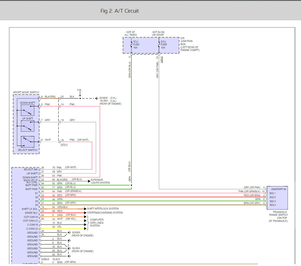
The van has a 4L60E transmission that has been rebuilt. First it was taken to a shop. Yes there was torn up. The shop was to do a master rebuild, however lets just say we were taken advantage of in several ways. The shop said we needed a new computer and he could not find one, we did. He then says the problem was the prom in the computer. Well, we found (and bought) matching numbers for everything, put it in. The shop says it needs to be reprogrammed, that was the first we heard from him. Come to find out the computer and prom is not bad on either the original or the new/used one purchased. Only because we tried to save time is why we had someone else do it. Since were still having same issue, we(experienced for most part). Got a junkyard transmission 4L60E and rebuilt it, put it in and regardless to say still same problem. It is like it is in limp mode. No first or second gear. Any suggestions please?



