Marker lights, parking lights, inside cluster light and license plate lights not working

Tiny
GGK007
  • MEMBER
  • 2003 DODGE DAKOTA
  • 3.9L
  • V6
  • 2WD
  • AUTOMATIC
  • 114,000 MILES
I have a question and trying to find out if there is a difference between horn relay and park lamp relay. I am trying to see if I can swap two relays with each other for the sake of troubleshooting but to make sure that my relay is faulty or not. Over the weekend I visually checked both relays the have same p/n number same looks same information printed schematics on their casing and with knowing that my horn works and works well I swapped them and checked out the operation of parking and side marker and license plate and the inside light of the dashboard so I can see what the speed is and reading of my gages, however again no lights were working again!
I guess if both relays are the same then the light should have been working just like my horn was working after swapping the relays with others, and if they are not the same internally and operation wise then I have been dealing with faulty park lamp relay isn't correct.
.
Hope I am conveying my question to you clearly.
Thank you gentlemen.
Monday, October 26th, 2020 AT 4:08 PM

2 Replies

Tiny
STEVE W.
  • MECHANIC
  • 15,700 POSTS
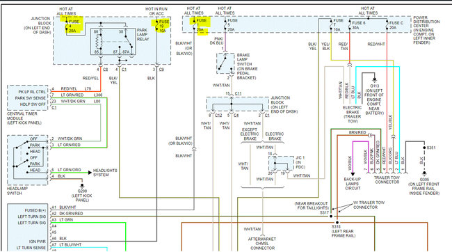
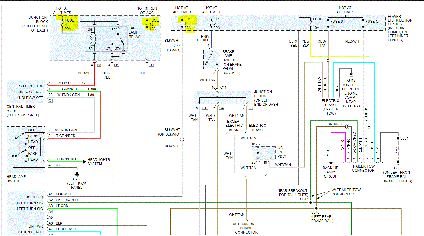
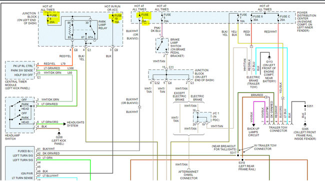
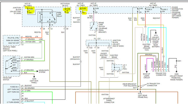
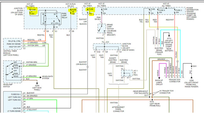
They are the same relay. If you swapped them and the horn worked then it isn't the relay. It is likely the power or control side of the system. An easy way to find out is to do two tests. The first would be to put your finger on the relay and just have someone turn the lights on and off. If the control signal is okay the relay will click and you should feel it. Next take a cheap test light and look at the schematic printed on the relay. With the relay out use the test light to check for battery power at the socket terminals marked 86 and 30, marked with red in the schematic. Those should have power full time. If they do the power side is okay to the relay. If they don't then use the test light to check fuse #4 which powers all of those lights.
Now to test if the side that powers the lights is working, take a short piece of wire and jumper it from terminal 30 in the socket across to terminal 87, blue line in image. If the lights now come on the problem is in the control wire to the relay from the timer module. If the lights don't come on and you did feel the relay click there is a problem on the feed side from the relay out.
The system works by grounding terminal 85 when you activate the switch. If the above all tests good and you still have no lights then the switch and the output from the central timer module AKA the body control module will need to be tested next. Testing the ground side of the switch is easy, do the headlights come on? If yes then the ground is good as those use the same ground on the switch. To test both the switch and the CTM you need to remove the kick panel under the dash on the drivers side. Behind it you will find the module bolted to the pillar with three connectors on it. You want connector #1 and a red with yellow striped wire on pin #4 and a light green with red stripe wire on pin #7. The wire at pin 4 is the ground signal to the relay you just tested, with the test light connected to battery power that pin should turn the light on when you turn the parking lights on. If it doesn't then move to the wire on pin number 7 and see if it is grounded with the switch on.
If you do find a ground at the Light green wire at pin 7 but not on the red wire at pin 4 the BCM is faulty. If you don't find a ground at either one with the switch on then the switch is the problem. To test that you can use a jumper wire to the light green wire from a good ground. If the lights now come on you have verified the BCM is okay but the switch is bad.

Now if the BCM is bad you might have another option than replacing it yourself. There was a recall on those and if yours is one that was on the list but hadn't been done then it's possible it could get done free. However if it already has been replaced under recall but tests bad you will need to have a dealer level scan tool in order to replace it. You use the tool to pull the programing information from the one in the truck and transfer that to the replacement unit. Without that things like the security system, lights and options on the truck can all fail to work or work in odd ways.

Please let us know what you find.
Was this
answer
helpful?
Yes
No
Monday, October 26th, 2020 AT 5:44 PM
Tiny
JACOBANDNICKOLAS
  • MECHANIC
  • 110,194 POSTS
Hi,

If the part numbers are the same, yes, that was fine to do.

Have you checked the parking light fuse/relay? Check the fuses under the dash (#4 and 9) for condition and check to see if there is power to them and out. Here is a link you may find helpful:

https://www.2carpros.com/articles/how-to-check-a-car-fuse

Next, check the parking light relay. The relay is in the same fuse/relay box. If you have another relay with the same part number, switch them. See pics 1 and 3

Also, check fuse 1 in the under hood power box. See pic 2 and 4

Let me know what you find.

Joe
Was this
answer
helpful?
Yes
No
Monday, October 26th, 2020 AT 5:49 PM

Please login or register to post a reply.