Minimal heat on all settings when driving

Tiny
CJ04
  • MEMBER
  • 2002 DODGE RAM
  • 4.7L
  • V8
  • 2WD
  • AUTOMATIC
  • 2,000,000 MILES
Minimal heat on all settings when driving little to no heat when idling.
Friday, October 30th, 2020 AT 5:42 AM

1 Reply

Tiny
ASEMASTER6371
  • MECHANIC
  • 52,796 POSTS
Good morning,

Make sure the coolant level is correct.

https://www.2carpros.com/articles/radiator-pressure-test

https://www.2carpros.com/articles/car-heater-not-working

The thermostat could be stuck open not allowing the engine to heat up and give good heat.

https://www.2carpros.com/articles/replace-thermostat

The heater core could be clogged. I would disconnect the hoses at the firewall and use a garden hose to clean out the dirt and debris in the core. Run the water both ways until the flow is clear and clean.

The heater core itself. I attached a YouTube video of this procedure.

https://www.youtube.com/watch?v=_9oxC8IWz_E

https://www.2carpros.com/articles/replace-heater-core

The blend door actuator. I doubt it is that as you have heat off idle. If it was the actuator, it would be the same all the time.

https://www.2carpros.com/articles/replace-blend-door-motor

Roy

REMOVAL
The single zone heating and air conditioning system is equipped with a single blend door actuator. The dual zone system has two blend door actuators, one for the driver side blend air door and one for the passenger side blend air door. The same service procedures can be used for each of these actuators.

WARNING: On vehicles equipped with airbags, disable the airbag system before attempting any steering wheel, steering column, or instrument panel component diagnosis or service. Disconnect and isolate the battery negative (ground) cable, then wait two minutes for the airbag system capacitor to discharge before performing further diagnosis or service. This is the only sure way to disable the airbag system. Failure to take the proper precautions could result in accidental airbag deployment and possible personal injury.

1. Disconnect and isolate the battery negative cable.
2. Remove the instrument panel assembly.

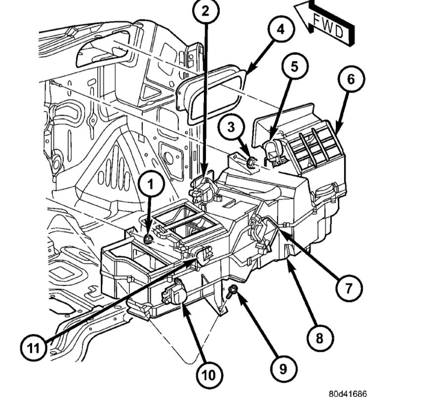
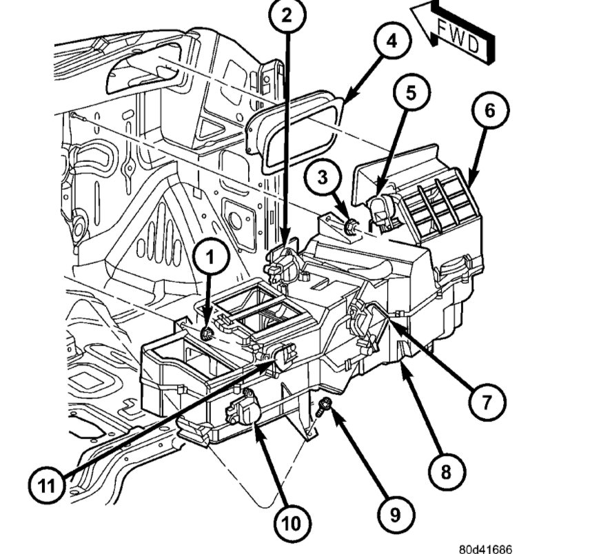
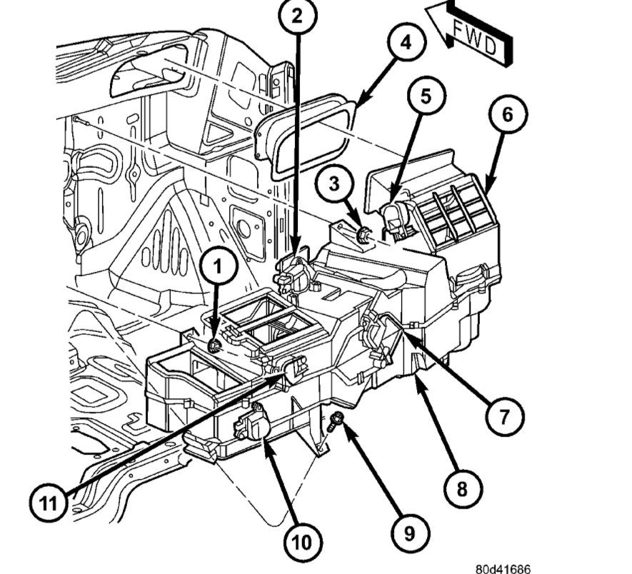
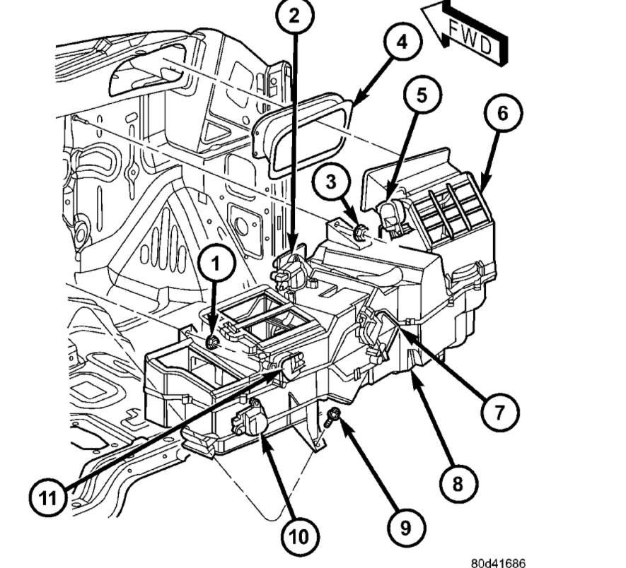
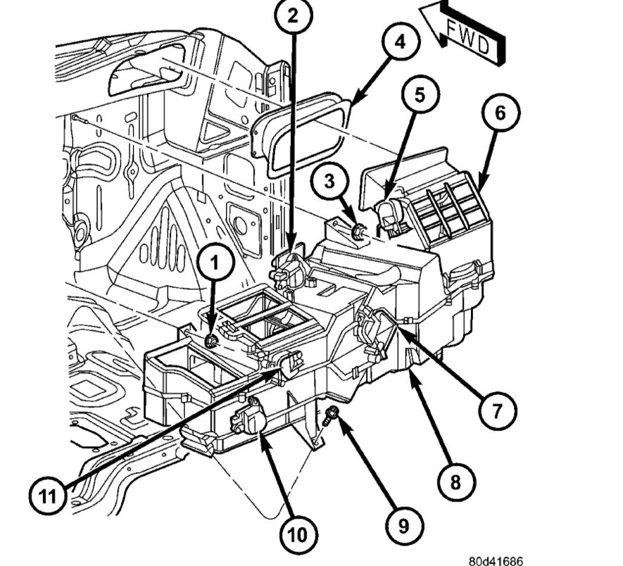
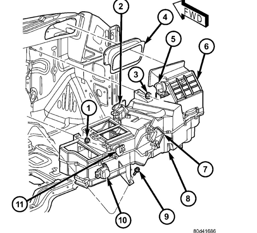
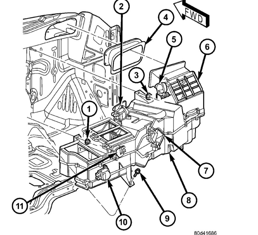
Fig. 14 HVAC Housing - Dual Zone Shown (Typical - Single Zone)
imageOpen In New TabZoom/Print

3. Disconnect the HVAC wire harness connector for the blend door actuator from the actuator connector receptacle..
4. Remove the screws that secure the blend door actuator to the distribution housing.
5. Remove the blend door actuator from the distribution housing.

INSTALLATION
1. Position the blend door actuator into the heater/air conditioner housing. If necessary rotate the actuator slightly to align the splines on the actuator output shaft with those in the blend air door linkage.
2. Install and tighten the three screws that secure the blend door actuator to the distribution housing. Tighten the screws to 2 Nm (17 in. lbs.).
3. Reconnect the HVAC wire harness connector for the blend door actuator to the actuator connector receptacle.
4. Install the instrument panel assembly.
5. Reconnect the battery negative cable.
6. Perform the heater-A/C control calibration procedure.

Thermostat

THERMOSTAT

REMOVAL

WARNING: Do not loosen the radiator draincock with the cooling system hot and pressurized. Serious burns from the coolant can occur.

Do not waste reusable coolant. If the solution is clean, drain the coolant into a clean container for reuse. If the thermostat is being replaced, be sure that the replacement is the specified thermostat for the vehicle model and engine type.
1. Disconnect the negative battery cable.
2. Drain the cooling system.
3. Raise and support the vehicle.
4. Remove the splash shield.
5. Remove the lower radiator hose clamp and the lower radiator hose at the thermostat housing.

imageOpen In New TabZoom/Print

6. Remove the thermostat housing mounting bolts, thermostat housing and thermostat.

INSTALLATION
1. Clean the mating areas of the timing chain cover and the thermostat housing.
2. Install the thermostat (spring side down) into the recessed machined groove on the timing chain cover.
3. Position the thermostat housing on the timing chain cover.
4. Install the housing-to-timing chain cover bolts. Tighten the bolts to 13 Nm (112 inch lbs.).

CAUTION: The housing must be tightened evenly and the thermostat must be centered into the recessed groove in the timing chain cover. If not, it may result in a cracked housing, damaged timing chain cover threads or coolant leaks.

5. Install the lower radiator hose on the thermostat housing.
6. Install the splash shield.
7. Lower the vehicle.
8. Fill the cooling system.
9. Connect negative battery cable.
10. Start and warm the engine. Check for leaks.
Was this
answer
helpful?
Yes
No
Friday, April 23rd, 2021 AT 10:54 AM

Please login or register to post a reply.